RS-1-Rev09 - 第136页
- 131 - 66. SYSTEM DIAGRAM (5) SYSTEM DIAGRA M (5) ATX-P4 FG FG IN-D C12V 5-3B 5-4A 4-1D 4-4B 1-2B E FAN CONTROL UNIT TO P COVER CTRL FAN2 CTRL FAN1 FAN FAN3 FAN FAN TOP COVER FAN2 FAN1 CN0062 CN00 36 CN36 FAN3 FAN FAN R…

- 130 -
NOTE( 注記 ) #01....FOR EN(OPTIONAL PARTS) EN 用(オプション部品)
REF.NO NOTE PART NO D E S C R I P T I O N
品 名
Qty
1 401-28871 IO CONTROL PCB ASM
IOコントロール基板組
1
2 401-82259 IO-R CNV SERIAL CABLE ASM
IO−R CNVシリアルケーブル組
1
3 401-29046 SIDE SENSOR CABLE ASM
サイドセンサケーブル組
1
4 401-29042 AWC/BU ORG SENSOR CABLE ASM
AWC/BU原点センサワイヤー組
1
5 401-29080 AIR(N) SENSOR CABLE ASM
エア(N) センサケーブル組
1
6 401-82336 SIDE(R)/BU-ORG CABLE ASM
SIDE(R)/BU−ORGケーブル組
1
7 401-29256 CONVEYOR(F)-CAL VAC(S/R) CABLE ASM
搬送(F)−CAL VAC(S/R)ケーブル組
1
8 401-29051 BU CHANGE L SV CABLE ASM
BU チェンジ L SV ケーブル組
1
9 401-29052 BU CHANGE R SV CABLE ASM
BU チェンジ R SV ケーブル組
1
10 401-90921 IP-X11 SET GEN ASM(RS-1)
IP−X11 汎用機 セット組図(RS−1)
1
11 400-47908 SBL2 CABLE ASM
センサブロックL2束線組
1
12 401-82337 CNV RELAY CABLE ASM
CNVリレーケーブル組
1
13 401-56968 STOPPER SENSOR ASM
ストッパセンサ組
1
14 401-61237 BU PIN RECEIVE SENS ASM
BUピン受光センサ組
1
15 401-61236 BU PIN EMISSION SENS ASM
BUピン投光センサ組
1
16 401-82338 SIDE SENSOR(L) CABLE ASM
サイドセンサ(L)ケーブル組
1
17 401-82339 BU PIN DETECT SENSOR CABLE ASM
BUピン検出センサケーブル組
1
18 401-29056 CNV AUTO SET1 WIRE ASM
CNV オートセット1 ワイヤー組
1
19 401-29059 CNV AUTO SET2 WIRE ASM
CNV オートセット2 ワイヤー組
1
20 401-29060 CNV AUTO SET3 WIRE ASM
CNV オートセット3 ワイヤー組
1
21 401-82350 FIBER SENSOR
ファイバセンサ
1
22 HD-0010700-30 SENSOR
センサ
1
23 401-82334 CNV AUTO SET CABLE ASM
CNVオートセットケーブル組
1
24 401-82335 SHORT CONNTCTOR ASM
ショートコネクタ組
1
25 401-29061 STOP SENSOR CABLE ASM
ストップセンサケーブル組
1
26 401-29048 BU CHANGE CABLE ASM
BUチェンジケーブル組
1
27 401-82341 BU UNIT SENSOR RELAY CABLE ASM
BU ユニットセンサリレーケーブル組
1
28 401-82333 IO-L CNV SERIAL CABLE ASM
IO−L CNVシリアルケーブル組
1
29 401-82346 STOP SENS CABLE ASM
STOPセンサケーブル組
1
30 401-83536 POWER SUPPLY UNIT B ASM
電源ユニットB組
1
31
#01
401-87824 POWER SUPPLY UNIT B ASM_EN
電源ユニットB組_EN
1
32 401-82329 CNV PWR RLY CABLE ASM
CNV 電源リレーケーブル組
1
33 401-33013 LIGHT CONTROL F POWER ASM
ライトコントロールF 電源ケーブル組
1
34 401-28875 CONVEYOR PCB ASM
搬送基板組
1
35 401-82343 LTCTL SERIAL CABLE ASM
LTCTLシリアルケーブル組
1
36 401-82344 MOTOR DRIVER CABLE ASM
モータドライバケーブル組
1
37 401-54209 2PHASE DRIVER PCB ASM
2相ドライバ基板組
1
38 401-82330 MOTOR CABLE ASM
モータケーブル組
1
39 401-58136 2PHASE STEPPING MOTOR
2相ステッピングモータ
1
40 401-29035 BU AXIS CONTROL CABLE ASM
BU軸 コントロールケーブル組
1
41 401-29636 BU AXIS SERVO AMP
BU軸サーボドライバ
1
42 401-82332 BU MOTOR POWER CABLE ASM
BUモータ電源ケーブル組
1
43 401-29637 BU AXIS SERVO MOTOR
BU軸サーボモータ
1
44 401-82327 BU MOTOR ENCODER CABLE ASM
BUモータエンコーダケーブル組
1
45 401-29036 BU AXIS POWER CABLE ASM
BU軸 電源ケーブル組
1
46 401-82331 BU AXIS ENCODER CABLE ASM
BU軸 エンコーダケーブル組
1
47 401-29039 AWC MOTOR(S)CABLE ASM
AWCモータ(S)ケーブル組
1
48 HM-0013200-00 STEPPING MOTOR
モータドライバ
1
49 401-29040 AWC MOTOR ASM
AWCモータ組
1
50 401-29041 AWC ENC/ORG RELAY(S)CABLE ASM
AWC ENC/ORGリレー(S)ケーブル組
1
51 E9433-729-0A0 BU ENC ASM.
BU ENC組
1
52 401-29002 NEAR SENSOR CABLE ASM
ニアセンサケーブル組
1
53 401-56965 L-STOPPER RELAY CABLE ASM
Lストッパリレーケーブル組
1
54 400-07376 CALBLOCK PCB ASM
CALブロック基板組
1
55 401-29260 CAL-VACUUM SV CABLE ASM
CAL−VACUUM SV ケーブル組
1
56 401-56969 STOPPER SV CABLE ASM
ストッパSVケーブル組
1
57 401-82340 CNV-ATC(F) CABLE ASM
CNV−ATC(F)ケーブル組
1
58 401-29261 ATC SV CABLE ASM
ATC SV ケーブル組
1
59 401-29062 PHOTOMICRO SENSOR ASM
フォトマイクロセンサ組
1
60 401-82342 CNV-SMEMA L RELAY (F) CABLE ASM
CNV−SMEMA L 中継(F)ケーブル組
1
61 401-29031 SMEMA CABLE ASM
スメマケーブル組
1
62 401-29029 CNV-SMEMA R RELAY (F) CABLE ASM
CNV−SMEMA R 中継(F)ケーブル組
1
63 401-32991 LIGHT CONTROL PCB ASM
ライトコントロール基板組
1
64 401-83434 VCS LIGHT CABLE ASM
VCS ライトケーブル組
1
65 401-82347 VCS SENS CABLE ASM
VCSセンサケーブル組
1
66 401-82348 VCS UP-DOWN SENS CABLE ASM
VCS上下センサケーブル組
1
67 400-02148 VCS SV CABLE ASM
VCS SVケーブル組
1
68 401-65028 XY LMT SENSOR ASM
XY LMTセンサ組
1
69 401-80852 BOTTOM LIGHT PCB ASM
ボトムライト基板組
1
70 401-09805 S_BACK LIGHT CABLE ASM
S_バックライトケーブル組
1
71 401-32986 BACK LIGHT PCB ASM
バックライト基板組
1
72 401-33015 SIDE LIGHT CABLE ASM
サイドライトケーブル組
1
73 401-80854 SIDE LIGHT ASM
サイドライト組
1
74 401-80857 COAXIAL LIGHT PCB ASM
コアキシャルライト基板組
1
75 401-33146 CAMERALINK CABLE SS 3M
カメラリンクケーブル SS 3M
1
76 401-33149 VCS CAMERA
VCSカメラ
1
77 401-09807 S_VCS LENS STD
S_VCSレンズSTD
1
78 401-09808 S_VCS LENS OPT
S_VCSレンズOPT
1
79 401-88244 VCS CAMERA
VCSカメラ
1
80 401-88312 VCS3 LENS
VCS3レンズ
1
81 401-82328 CNV PWR CABLE ASM
CNV 電源ケーブル組
1
82 401-50822 IN/OUT SENS RLY CABLE ASM
IN/OUTセンサ中継ケーブル組
1
83 401-29053 BU LOCK SV CABLE ASM
BUロックSVケーブル組
1
84 400-02146 VCS ST SENS ASM
VCS STセンサ組
1
85 400-02147 VCS OP SENS ASM
VCS ENセンサ組
1
86 PV-1502093-00 5-PORT SOLENOID VALVE
5ポート電磁弁
1

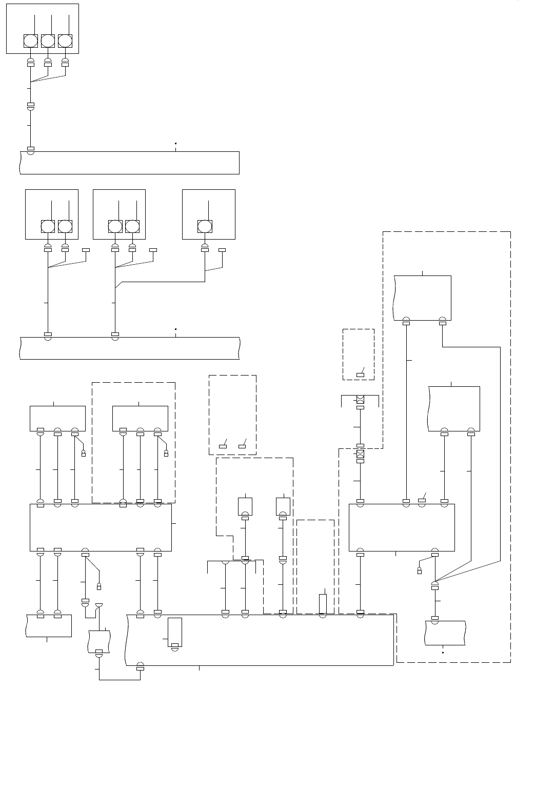
- 131 -
66.SYSTEM DIAGRAM (5)
SYSTEM DIAGRAM(5)
ATX-P4
FG
FG
IN-DC12V
5-3B
5-4A
4-1D
4-4B
1-2B
E
FAN
CONTROL UNIT TOP
COVER
CTRL FAN2
CTRL FAN1
FAN
FAN3
FAN
FAN
TOP
COVER
FAN2
FAN1
CN0062
CN0036
CN36
FAN3
FAN
FAN
R SIDE BOTTOM
COVER
FAN2
FAN1
CN0022
CN22
FAN3
FAN
FAN
LSIDEBOTTOM
COVER
DC FAN
FAN2
FAN1
DC FAN
CN0021
CN21
POWER SUPPLY UNIT B
(OP)REAR MONITOR
AV2AV2
AV1AV1
FRONT BOTTOM
RIGHT COVER
USB
USB CH2
USB CH1
SUPER IMPOSE BOARD
COM2
AV2
ATX-P5
ATX UNIT
12V IN
AV1
CN8
NTSC1
NTSC0
IP-X11 PCB
E
12V OUT
OUT-DC12V RLCD-PWR
POWER
RLCD232C
RS232CRS232 2
RSOUT2
REAR LCD MONITOR
DVI OUT2
DVI OUT2 LCD R
DVI-D
E
12V OUT
OUT-DC12V FLCD-PWR
POWER
FLCD232C
RS232CRS232 1
RSOUT1
FRONT LCD MONITOR
RS-PC1
RS232PC
CN0102
COM1
SSD
DVI OUT1
DVI OUT 1 LCD F
DVI-D
DVI IN
DVI-D
1
2 2
10
1-2D
8
9
CPU BOARD
11
12
13 14
15 15
3
4
5 6 18 19 20
77
21 22
39
24
23 23 23 23 23
DC FAN
DC FAN
DC FAN
POWER SUPPLY UNIT B
21 22
25
26
DC FAN
23
DC FAN
23
DC FAN
23
ETHER
DC IN F
FRONT BOTTOM
RIGHT COVER
IS
(OP)ISM/MES COOPERATION
(OP)IFS-NX(2D BARCODE READER)
2D PROTECT MODULE
USB CH4
USB CH3
X1
(OP)IFS-NX
3-1D
FG
DC IN R
24V DC
RFID PWR
5-3A
4-1D
CN0008
CN8
POWER SUPPLY UNIT B
ETHERNET
X2LAN
SWITING HUB
X2LAN1
MPC-CAN(R)
X4
ES-HUB ETHER
X3
ES-HUB
DC INPUT
2-3A
24V DC
ETHERNET
5-3C
CPU DVI IN
28 28
BARCODE READER
BARCODE READER
29 29
27
30
31
32
21 22
34
3536
33
16
17
17
37
37
MPC-CAN(F)
38
(OP)EN
(OP)EN
CONNECTOR CAP
X5
CONNECTOR CAP
CONNECTOR CAP
CONNECTOR CAP
40 40
42
41

- 132 -
NOTE( 注記 ) #01....FOR EN(OPTIONAL PARTS) EN 用(オプション部品)
REF.NO NOTE PART NO D E S C R I P T I O N
品 名
Qty
1 401-90921 IP-X11 SET GEN ASM(RS-1)
IP−X11 汎用機 セット組図(RS−1)
1
2 E9623-721-000 PORTRAIT MONITOR CABLE
画像モニタケーブル
1
3 401-97864 SUPER IMPOSE BOARD
スーパーインポーズボード
1
4 401-29642 DVI CABLE L2.5M
DVIケーブル2.5M
1
5 401-29084 SPIMP-F LCD SERIAL CABLE ASM
SPIMP−F LCD シリアルケーブル組
1
6 401-29085 SPIMP-F LCD PWR CABLE ASM
SPIMP−F LCD 電源ケーブル組
1
7 401-58158 15INCH LCD MONITOR
15インチ LCDモニタ
1
8 401-82290 ATX 232C CABLE ASM 2
ATX 232Cケーブル組2
1
9 EZ-1468979-11 POWER (ENSP-300P-S20-11S)
電源(ENSP−300P−S20−11S
1
10 401-82271 ATX-SPIMP PWR CABLE ASM 2
ATX−SPIMP 電源ケーブル組2
1
11 401-23242 CPU BOARD
CPUボード
1
12 401-83618 ENVIRONMENT SYSTEM DISK ASM (RS1 MES)
環境ディスク組(RS1 SSD MES)
1
13 401-29644 DVI CABLE 1M
DVIケーブル1M
1
14 401-82263 CPU-SP IMP SERIAL CABLE ASM
CPU−SP IMP シリアルケーブル組
1
15 400-44522 USB RELAY CABLE
USB延長ケーブル
1
16 HW-0018100-80 LAN CABLE
LANケーブル
1
17 HK-0651200-80 MODULAR KAPLA
モジュラーカプラ
1
18 401-29643 DVI CABLE L4.0M
DVIケーブル4.0M
1
19 401-29087 SPIMP-R LCD SERIAL CABLE ASM
SPIMP−R LCD シリアルケーブル組
1
20 401-29088 SPIMP-R LCD PWR CABLE ASM
SPIMP−R LCD 電源ケーブル組
1
21 401-83536 POWER SUPPLY UNIT B ASM
電源ユニットB組
1
22
#01
401-87824 POWER SUPPLY UNIT B ASM_EN
電源ユニットB組_EN
1
23 401-89090 DC FAN ASM
DCファン組
1
24 401-89242 BASE R FAN RELAY CABLE ASM
ベースRファン中継ケーブル組
1
25 401-89243 TOP COVER FAN RELAY CABLE ASM
トップカバーファン中継ケーブル組
1
26 401-89244 TOP COVER FAN CABLE ASM
トップカバーファンケーブル組
1
27 401-73481 USB REPEATER CABLE
USBリピーターケーブル
1
28 401-73482 USB BARCORD READER CABLE(4M)
USBバーコードリーダーケーブル(4M)
1
29 EZ-1458644-11 READER BAR CODE
バ−コ−ド リ−ダ (GD4430−BK)
1
30 401-29932 2D PROTECT MODULE(USB)
2Dプロテクトモジュール(USB)
1
31 400-79652 RFID LAN CABLE ASM
RFID LANケーブル組
1
32 400-73033 SWITCHING HUB
スイッチングハブ
1
33 400-73780 FX1R RFID LAN CABLE (1.65M) ASM
FX1R RFID LANケーブル(1.65M)
1
34 401-87772 EU-HUB/MPC PWR RELAY CABLE ASM
EU−HUB/MPC 電源中継ケーブル組
1
35 401-87773 HUB/MPC POWER CABLE ASM
HUB/MPC 電源ケーブル組
1
36 401-68954 MPC LAN CABLE 2 ASM
MPC LAN ケーブル 2 組
1
37 401-69048 MPC-CAN
MPC−CAN
1
38 400-73738 RFID LAN CABLE (4.5M) ASM
RFID LANケーブル(4.5M)組
1
39 401-89241 BASE L FAN RELAY CABLE ASM
ベースLファン中継ケーブル組
1
40
#01
HX-0066700-00 DUST COVER
ダストカバー
1
41
#01
HX-0066000-00 DUST COVER
ダストカバー
1
42 HX-0066000-00 DUST COVER
ダストカバー
1