TR8S_TR8SR-Rev02 - 第43页
- - REF .N O N OT E PA RT N O D E S C R I P T I O N Qty 1 H D-0 0 17 000 -00 SE N SO R 1 2 #01 401-5 3 4 04 Y L IMI T+ SE NSO R CA BLE ASM 1 3 4 00- 41 117 SC N PCB ASM 1 4 H D-0 0 17 100 -00 SE N SO R 1 5 4 01- 53 405…

- -
20. SYSTEM DIAGRAM (3)
4 _ 3 A
C N 4 2 2
S S T K
A N T E N N A A R R A Y 1 5
C N 1 5 3
C N 1 5 4
A N T S 2
M S T K
A N T E N N A A R R A Y 1 5
S T K M P O S I
S E N S O R
C N 3 2
S T K S P O S I
S E N S O R
2 _ 5 C
S L O W M O D E 2 S . V
( T R A Y H O L D 2 )
C N 1 2 6
C N 1 3 3 1
F E E D E R F L O A T
( E M I T T E R )
F E E D E R F L O A T
( R E C E I V E R )
C N 1 3 3 3
C M P N T 3 6 5
( R E C E I V E R )
C N 1 0 1
C M P N T 3 6
5
( E M I T T E R )
C N 1 0 0
C M P N T 1 0 5
( E M I T T E R )
C M P N T 2 3 5
( R E C E I V E R )
C N 0 9 9
C M P N T 2 3 5
( E M I T T E R )
C M P N T 1 0 5
( R E C E I V E R )
C N 0 9 8
F A N ( Y A )
C N 0 3 8
T R A Y H L D S . V
C N 0 3 6
T R A Y SE N S O R -
T R A Y SE N S O R +
TR A Y R L S S
SE N S O R
TR A Y H L D S
SE N S O R
TR A Y R L S M
SE N S O R
TR A Y H L D M
SE N S O R
Y L M T - S E N S O R
Y O R G S E N S O R
Y L M T + S E N S O R
C N 1 0
I S S C N P C B
S L O W M O D E P C B
M A I N P C B ( 6 / 6 )
M A I N P C B ( 4 / 6 )
S C N P C B ( 4 / 5 )
S C N P C B ( 3 / 5 )
3 _ 4 B
3 _ 4 C
2 _ 3 D
3 _ 2 C
3 _ 3 A
2 _ 5 D
A N T M 2
S - I / F
C N 1 2 5
R F I D O P T I O N
I n s i d e o f M T S
A N T S 1
A N T M 1S C N 1 5 2
S C N 3 2
C N 1 5 2
S C N 1 5 1
S C N 1 0
C N 1 51
S L 0 2
C N 0 2
M A I N 2 3
C N 2 3
S L 0 4
C N 0 4
S L 0 3
C N 0 3
S L 0 1
C N 0 1
S C N 2 0
C N 2 0
S C N 5 9
C N 5 9
C N 5 8
C N 5 8
C N 4 8
C N 4 8
S C N 5 7
C N 5 7
S C N 4 7
C N 4 7
S C N 0 3
C N 0 3
S C N 5 0
C N 5 0
S C N 4 3
C N 4 3
C N 5 1
C N 5 1
S C N 4 2
C N 4 2
S C N 3 3
C N 3 3
S C N 1 8
C N 1 8
S C N 2 9
C N 2 9
1 4 1 4 4 4 4 8 8
3
2 4 5 5 6 7 9 4 6 1 0
1 1 1 3
1 2 1 4
1 5
1 6
1 7
1 8
1 9
2 0
2 1 2 2 4 7
2 3 4 8 2 4 4 9
3 2 9 5 0
2 5 3 0
2 6
2 7 3 1
3 22 8
S L O W M O D E 1 S . V
( T R A Y H O L D 1 )
3 4 3 5
3 3 3 3
3 9
4 1
3 9
4 4
4 0 4 0
3 7
3 8
4 2
4 3
2 9
3 6

- -
REF.NO NOTE PART NO D E S C R I P T I O N Qty
1 HD-0017000-00 SENSOR 1
2
#01
401-53404 Y LIMIT+ SENSOR CABLE ASM 1
3 400-41117 SCN PCB ASM 1
4 HD-0017100-00 SENSOR 1
5 401-53405 Y ORG/LIMIT- SENSOR CABLE ASM 1
6 401-53406 TRAY HLD/RLS M SENSOR CABLE ASM 1
7 401-53407 TRAY HLD/RLS S SENSOR CABLE ASM 1
8 HD-0009000-00 PHOTO SENSOR 1
9
#01
401-53408 TRAY SENSOR+ CABLE ASM 1
10 401-53409 TRAY SENSOR- CABLE ASM 1
11 401-53410 TRAY HOLD S.V. CABLE 1 ASM 1
12 400-49728 TRAY HLD S.V. ASM 1
13 401-53411 FAN MOTOR(Y MOTOR) CABLE ASM 1
14 400-49579 FAN MOTOR(Y MOTOR) ASM 1
15 401-53412 CMPNT SENSOR R CABLE ASM 1
16 401-52797 CMPNT SENSOR R ASM(SNI) 1
17 401-53413 CMPNT SENSOR L CABLE ASM 1
18 401-52798 CMPNT SENSOR L ASM(SNI) 1
19 401-53384 CMPNT SENSOR L3 CABLE ASM 1
20 401-53402 CMPNT 35.0 SENSOR ASM 1
21 401-53385 CMPNT SENSOR R3 CABLE ASM 1
22
#01
401-53403 FEEDER FLOAT RLY CABLE ASM 1
23
#01
401-29057 SEPARATE SENSOR RECEIVER ASM 1
24
#01
401-29058 SEPARATE SENSOR EMISSION ASM 1
25 400-49700 SLOW MODE CABLE ASM 1
26 400-42575 SLOW MODE CTRL PCB ASM 1
27 401-53414 SLOW MODE(TRAY HLD 1) CABLE ASM 1
28 401-56126 SLOW MODE(TRAY HLD 1) ASM 1
29
#01
401-69065 MAIN PCB ASM 8S 1
30 400-49701 SLOW MODE POWER CABLE ASM 1
31 401-53415 SLOW MODE(TRAY HLD 2) CABLE ASM 1
32 401-56127 SLOW MODE(TRAY HLD 2) ASM 1
33 HD-0022300-00 PHOTO SENSOR 1
34 400-83282 STK S IN POSITION SENSOR CABLE ASM 1
35 401-55567 STK M IN POSITION SENSOR CABLE ASM 1
36 401-55945 RECONSTRUCTION IS SCN PCB ASM 1
37 400-83280 SCN ANTENNA M CABLE (5S) ASM 1
38 400-83281 SCN ANTENNA S CABLE (5S) ASM 1
39 400-75451 MTC/MTR_INPUTS_CABLE 1
40 400-73667 ANTENNA ARRAY 14MM PITCH / 15 POSITION 1
41 400-73757 5S S ANTENNA ARRAY RFID I/F CABLE ASM 1
42 400-96157 MTC/MTS I/F CABLE ASM 1
43 400-96123 RFID I/F CABLE ASM 1
44 400-73756 5S M ANTENNA ARRAY RFID I/F CABLE ASM 1
45
#02
401-83373 Y LIMIT+ SENSOR CABLE ASM 1
46
#02
401-83374 TRAY SENSOR+ CABLE ASM 1
47
#02
401-83375 FEEDER FLOAT SENS CABLE ASM 1
48
#02
401-81501 SEPARATE SENSOR RECEIVER ASM 1
49
#02
401-81502 SEPARATE SENSOR EMISSION ASM 1
50
#02
401-85664 MAIN PCB ASM 8SR 1

- -
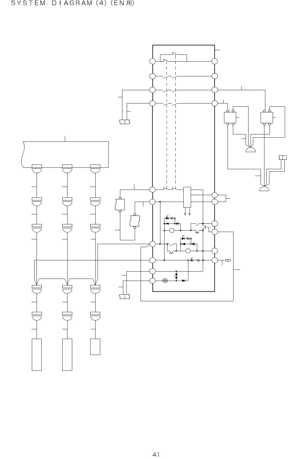
21. SYSTEM DIAGRAM (4)(FOR EN)
3 _ 4 A
+
E N G S W
C N 1 2 1 C N 1 2 1 C N 1 0 7 - AC N 1 2 4
D O O R S O P E N S W
C N 0 7 5 C N 1 2 0 C N 0 7 4 - AC N 1 2 3
D O O R M O P E N S W
C N 0 7 3 C N 1 1 9
S C N P C B ( 5 / 5 )
C N 0 7 2 - AC N 1 2 2
1 _ 1 B
( C E )
C N 0 6 7 - B
1 41 3
8
R L Y 1 6
1 2
1 41 3
8
R L Y 1 4
1 _ 5 B
( C E )
C N 0 6 7 - A
T B 2
-
-
1 2
T B 2
-
2 2 2 1
M C 2
2 2 2 1
M C 1
S R L Y 1
K 2
K 1
b K 2
K 2
K 1
a
K 1
T H
S A
b
a C o n t r o l
C i r c u i t
4 23 42 41 4
BA
T 2 3 T 2 2
T 2 1
P E
A 2
4 13 32 31 3
T 1 2T 1 1
A 1
+
T B 2
F G
+
T B 2
C N 1 0 7 - A
C N 4 0
C N 1 0 7 - A
C N 4 9
S C N 0 7
C N 0 1
2 4 6
1 3 5
7 7 7
1 0
9
8 1 1 1 3
1 41 2
1 7
1 9
1 8
T 3 2
T 3 1
1 6
1 5
2 2
2 3
2 4
2 0
2 1
2 5
2 6
2 7 2 7
2 8
2 9
3 0