P-213-001e.pdf - 第110页
MODEL TIM-5100 0008-001 フィ-ダ-ベ-ス部 FEEDER BASE SECTION Fig. QD-4 ボックスカバー Box Cover

MODEL TIM-5100
0008-001
Key No. PART No. PART NAME Q’ty REMARKS
NOTE
QD-3 2 unit/1 machine
201 630 081 5191 SHAFT 1 741QD-11B-201
202 630 081 5207 CAM 2 741QD-11B-202
203 630 081 5214 BRACKET 1 741QD-11B-203
204 630 074 0004 BRACKET 2 741QD-11B-204
205 630 081 5221 DISK 1 741QD-11B-205
206 630 081 5238 BRACKET 1 741QD-11B-206
208 630 081 8468 MOTOR,AC-SERVO 1 741QD-11H-208
209 630 000 0252 SENSOR,PHOTO 1 741QD-11H-209
210 630 001 1319 BEARING,RADIAL 2 741QD-11H-210
211 630 081 5740 PULLEY,TIMING 1 741QD-11H-211
212 630 081 5757 PULLEY,TIMING 1 741QD-11H-212
213 630 071 9239 BELT,TIMING 1 741QD-11H-213
214 630 001 0671 KEY 1 741QD-11H-214
215 630 001 0664 KEY 2 741QD-11H-215
217 630 081 5245 PLATE 1 741QD-11B-217
219 630 000 0269 SENSOR,PHOTO(CONNECTOR) 1 741QD-11H-219
256 411 141 4503 WASHER V 8X17X1.6 6 FW8
257 411 141 3100 WASHER SPR 8 6 SW8
258 630 000 8036 BOLT,HEX-SCT 4 M8X30
259 630 000 8005 BOLT,HEX-SCT 2 M8X16
266 411 141 4107 WASHER V 5X10X1 13 FW5
267 411 141 6705 WASHER SPR 5 13 SW5
268 630 000 7763 BOLT,HEX-SCT 10 M5X16
269 630 000 7749 BOLT,HEX-SCT 3 M5X10
271 411 141 4008 WASHER V 4X9X0.8 1 FW4
272 411 141 2905 WASHER SPR 4 1 SW4
273 630 000 7671 BOLT,HEX-SCT 1 M4X25
286 411 119 1909 WASHER V 3X7X0.5 2 FW3 F
287 411 086 4408 WASHER SPR 3 2 SW3 F
288 411 040 7803 SCR PAN 3X12 2 M3X12 PAN
291 630 000 8944 SET SCREW 4 M5X6 SET
292 630 000 8920 SET SCREW 4 M4X6 SET

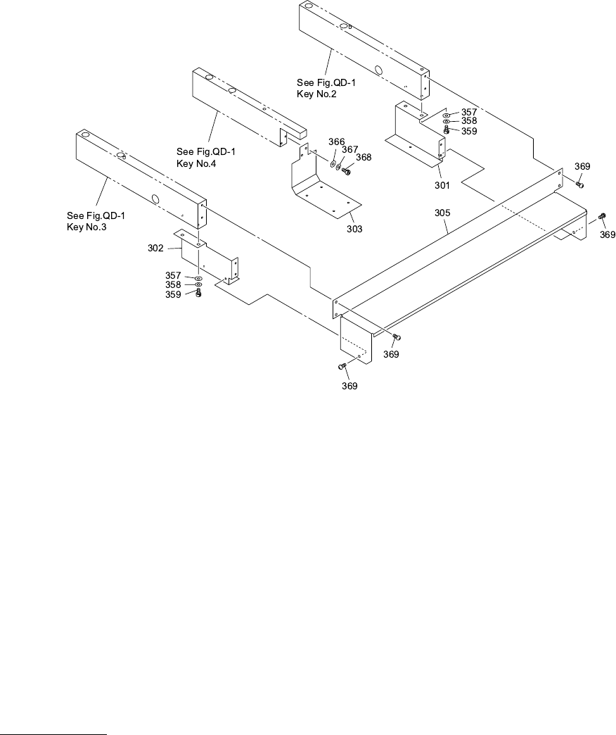
MODEL TIM-5100
0008-001
フィ-ダ-ベ-ス部 FEEDER BASE SECTION
Fig. QD-4 ボックスカバー Box Cover

MODEL TIM-5100
0008-001
Key No. PART No. PART NAME Q’ty REMARKS
NOTE
QD-4 2 unit/1 machine
301 630 083 6486 BRACKET(R) 1 741QD-11B-301
302 630 083 6493 BRACKET(L) 1 741QD-11B-302
303 630 083 6509 BRACKET(C) 1 741QD-11B-303
305 630 087 1456 COVER 1 741QD-11B-305
357 411 141 4305 WASHER V 6X12.5X1.6 4 FW6
358 411 141 3001 WASHER SPR 6 4 SW6
359 630 000 7886 BOLT,HEX-SCT 4 M6X16
366 411 141 4107 WASHER V 5X10X1 2 FW5
367 411 141 6705 WASHER SPR 5 2 SW5
368 630 000 7763 BOLT,HEX-SCT 2 M5X16
369 411 140 8007 SCR TRS 5X6 6 M5X6 TRS