JM-10_使用说明书 - 第253页
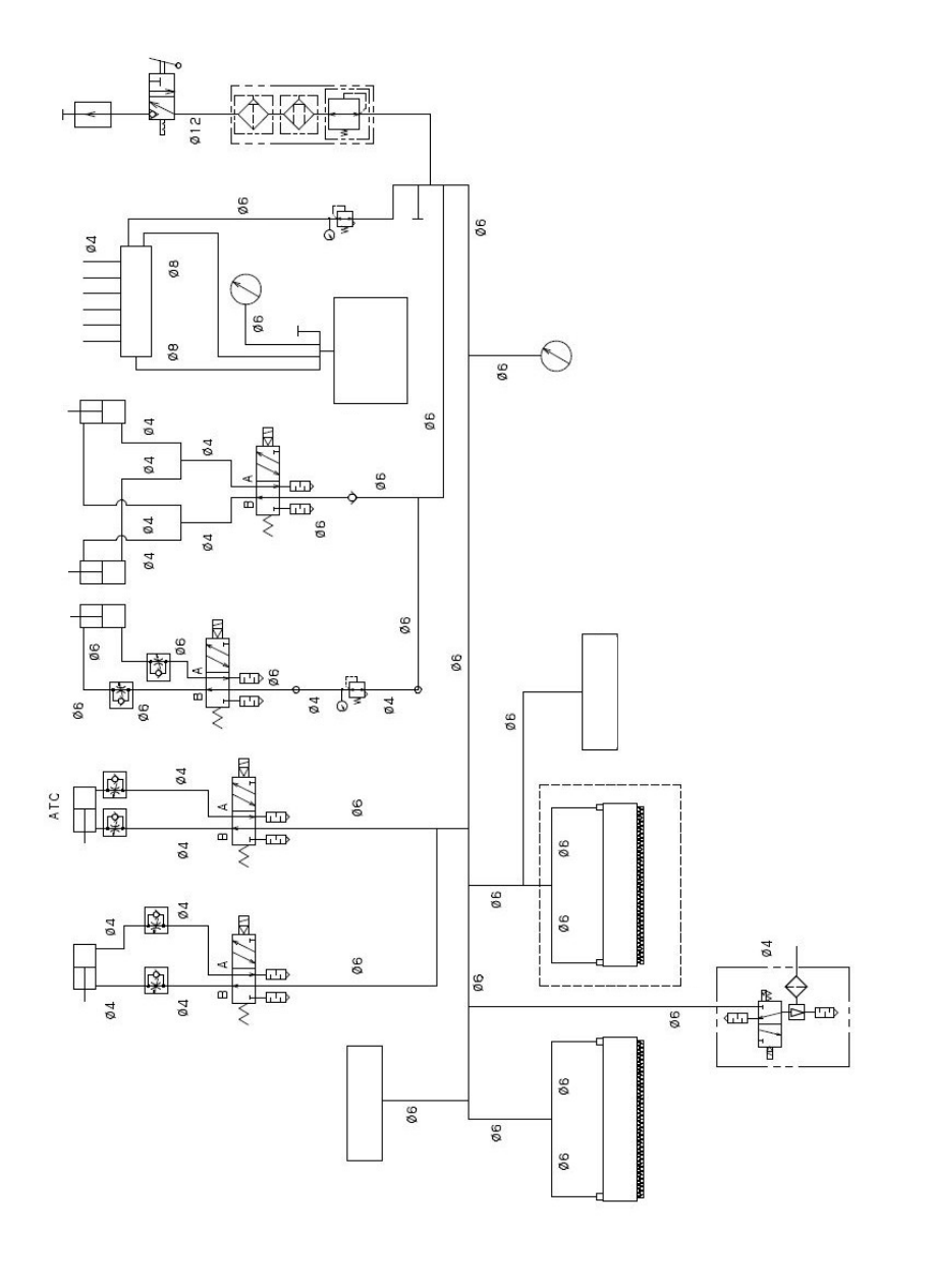
第 1 部 基本篇 第 3 章 维护 3-5 (1) 管道系统图 (M/C RevE 以后 ) 耦合器 手动阀 空气 组合箱 真空表 吸嘴 喷射泵单元 真空泵 Head 上升汽缸 检查阀 压力表 BU 台 GAL 块 止动器 顶推针(前) 顶推针(后) 连接器 BR (后) 连接器 BR (前) 选择式(选择 BW 供料器 台架时时无) 送料针 (后) 送料针 (前)

第 1 部 基本篇 第 3 章 维护
3-4
1) 请确认没有漏气
1) 主机接通电源后,请选择「手动控制」项目,检查下列各项目的动作状况。
①ATC 单元 ②定位销
③支撑台 ④止动器
✎
手动控制
✎
在确认各项动作、检查传感器的开/关情况时,执行手动控制模式。
有关手动控制的详细内容,请参见使用说明书「第 7 章 手动控制」。
2) 如若动作有问题,请参考下页「管道系统图」进行检查。
检查项目
3-2-3 管道及接头
实施频度 :每周
检查内容
检查气压管道部分是否漏气
检查项目
3-2-4 各单元汽缸
实施频度 :每周
检查内容 检查各汽缸的动作
<正面盖内>
指状阀
漏气检查位置
在主画面上选择 后,
会显示手动控制模式。

第 1 部 基本篇 第 3 章 维护
3-5
(1)管道系统图(M/C RevE 以后)
耦合器
手动阀
空气
组合箱
真空表
吸嘴
喷射泵单元
真空泵
Head 上升汽缸
检查阀
压力表
BU 台
GAL 块
止动器
顶推针(前)
顶推针(后)
连接器 BR(后)
连接器 BR(前)
选择式(选择
BW 供料器台架时时无)
送料针 (后)
送料针 (前)

第 1 部 基本篇 第 3 章 维护
3-6
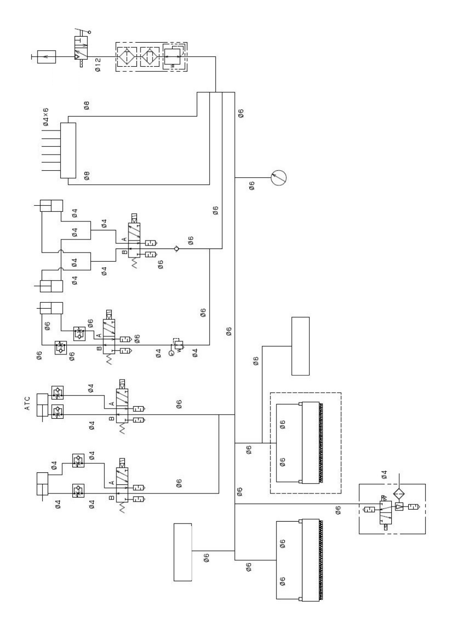
(2) 管道系统图(标准)
(M/C RevD 以前)
耦合器
手动阀
空气组合箱
吸嘴
喷射泵单元
Head 上升汽缸
检查阀
BU 台
压力表
顶推针(前)
GAL 块
顶推针(后)
止动器
连接器 BR
(后)
连接器 BR(前)
选择式(选择 BW 供料器台架时时无)
送料针 (后)
送料针 (前)