JM-10_使用说明书 - 第35页
第 1 部 基本篇 第 1 章 设备概要 1- 19 1-2-1-7 VCS 的构造 通过组合各 LED 照明, 及调整亮度, 形成多 种多样的照 明图案, 可制作出适 应于识 别对象 (引 脚、球形、元件 外形)的 照明图案。 所照射出的识别 对象通过 设置在下部的 VCS 摄像机拍摄并 进行图像处理 。 反射 / 同轴照明 : QFP 、 SOP 等 引脚元件 侧面照明 : BGA 、 CSP 等球形元件 图 1-2-1-10 VC…

第 1 部 基本篇 第 1 章 设备概要
1-18
1-2-1-6 OCC 的构成
用摄像机检测出基板标记的位置,并自动进行校正。
标准配备有同轴反射照明与偏光滤光片。
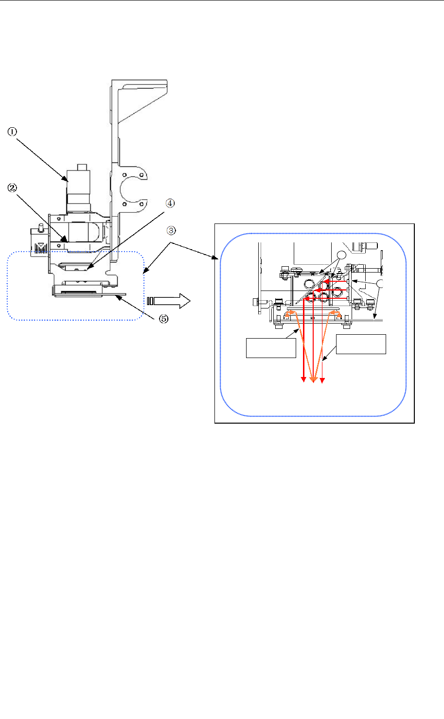
图1-2-1-9 OCC单元的各部分名称
① CCD 摄像机
② OCC 镜头
③ OCC 灯光单元
④ 偏光滤光片
⑤ 照明 LED 基板
垂直照明
角度照明
4
5
角度照明
垂直照明

第 1 部 基本篇 第 1 章 设备概要
1-19
1-2-1-7 VCS 的构造
通过组合各LED照明,及调整亮度,形成多种多样的照明图案,可制作出适应于识别对象(引
脚、球形、元件外形)的照明图案。
所照射出的识别对象通过设置在下部的VCS摄像机拍摄并进行图像处理。
反射/同轴照明 :QFP、SOP等引脚元件
侧面照明 :BGA、CSP等球形元件
图 1-2-1-10 VCS 单元的各部分名称
① LED基板(侧面照明)
② LED基板(下方照明)
③ LED基板(同轴照明)
④ VCS 54mm视野摄像机
⑤ VCS 27mm视野摄像机
⑥ VCS 27mm视野摄像机(DFFP相机)
注)④、⑤、⑥中任意选择一项。
②
③
④
⑤
⑥
①

第 1 部 基本篇 第 1 章 设备概要
1-20
1-2-1-8 HMS
HMS(高度测量装置)系统用于测量供料器的吸取位置等元件高度。
此系统由实际装备在贴片头的高度变位传感器(传感器部分与功放部分)和控制此传感器的 HMS
基板构成。
传感器功放部分和基板上的调整旋钮及开关等已在出厂时调整好,请勿调整。
图 1-2-1-11 HMS
◆HMS 符合 JIS C6802 激光安全规格 CLASS 2 标准。
请按照本手册指示使用,可以安全使用。
注意
高度变位传感器使用的激光发出可见激光束。
切勿直视光束,也不要去触摸。
量程信号灯 点亮状态
NEAR/FAR 两灯亮: 测量中心距离±3.5mm
NEAR 点亮: 测量范围内近距离一侧
FAR 点亮: 测量范围内远距离一侧
NEAR/FAR 两灯闪烁:测量范围外
注意
NEAR 灯
FAR 灯