JM-10_使用说明书 - 第61页
第 1 部 基本篇 第 1 章 设备概要 1- 45 1-3 基本操作 1-3-1 画面的构成 图 1 - 3 - 1 - 1 桌面画面 图 1-3-1- 2 编辑画面 ②菜单栏 ①标题栏 ④工具栏 ⑧ 命令按钮 ⑨语言切换按钮 ⑦状态栏 ①标题栏 ④工具栏 ③下拉菜单 ②菜单栏 ⑤作业区 ⑥滚动条 ⑦状态条

第 1 部 基本篇 第 1 章 设备概要
1-44
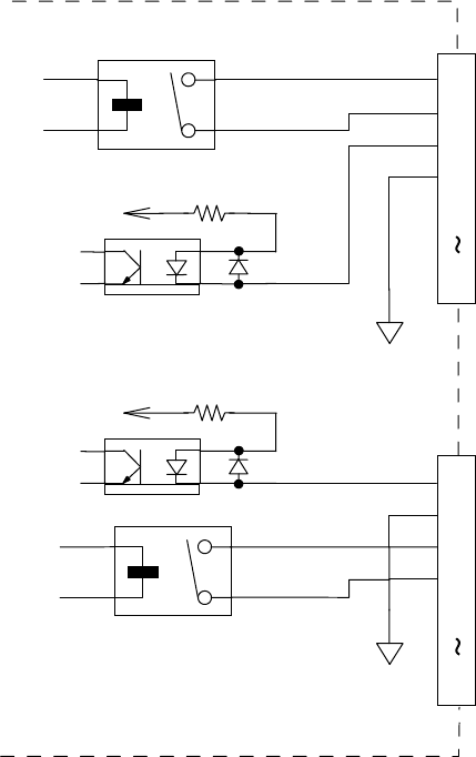
READY OUT(IN)信号与 BOARD AVAILABLE 信号的接口电路图如下。
GND(
24V)
+
+ 24V
3.3K 1/4W
READY OUT
+
BOARD AVAILABLE IN +
READY OUT -
BOARD AVAILABLE IN
-
N.C.
1
2
3
4
5
14
READY IN +
BOARD AVAILABLE OUT +
READY IN -
BOARD AVAILABLE OUT -
N.C.
1
2
3
4
5
14
+ 24V
3.3K 1/4W
+
GND(24V)
JOINT IN
JOINT OUT

第 1 部 基本篇 第 1 章 设备概要
1-45
1-3 基本操作
1-3-1 画面的构成
图 1
-
3
-
1
-
1 桌面画面
图
1-3-1-2
编辑画面
②菜单栏
①标题栏
④工具栏
⑧
命令按钮
⑨语言切换按钮
⑦状态栏
①标题栏
④工具栏
③下拉菜单
②菜单栏
⑤作业区
⑥滚动条
⑦状态条

第 1 部 基本篇 第 1 章 设备概要
1-46
表
1-3-1-1
构成要素与功能概要
要素
功能概要
①标题栏
视窗的标题。
标题因所显示视窗的功能而异。
②菜单栏
显示在该视窗中可使用的最上级菜单。
(所显示的菜单因视窗而异。)
选中某些菜单会出现下拉菜单。
③下拉菜单
从菜单栏选择菜单时所显示的命令一览表。
有时不能被选中的某些菜单
,
显示为灰色。
④工具栏
该视窗中经常使用的菜单项显示为图标。
⑤作业范围
制作程序数据等时
,
输入数据或选择项目的范围。
⑥滚动条
当视窗中无法显示所有内容时出现滚动条。
可使用滚动条来移动显示领域。
⑦状态栏
显示菜单项的说明以及数据的输入范围等。
⑧命令按钮
可单键调出该视窗内可使用的菜单项目的一部分。
⑨语言切换按钮
可切换语言(请参见注意
1
、
2
)
1.当使用英文版之外的操作系统(日文或中文操作系统)利用语言切换功能显示
英文画面时,画面的一部分或整个画面有可能不显示英文,而显示为所使用的
操作系统的语言。
<画面的一部分不显示英文的例子>
文件对话框、文件夹对话框、提示框、属性表、向导、帮助
<整个画面不显示英文的例子>
文件管理、打印机设定、系统菜单 (点击鼠标右键时所显示的菜单)
2.当基板 ID、元件名称、元件注释等可用日文(中文)设置的数据用日文(中文)
设置时,切换使用语言功能后,可能无法正确显示英文画面,敬请注意。
注意∶