P-310-004(1_2) - 第314页
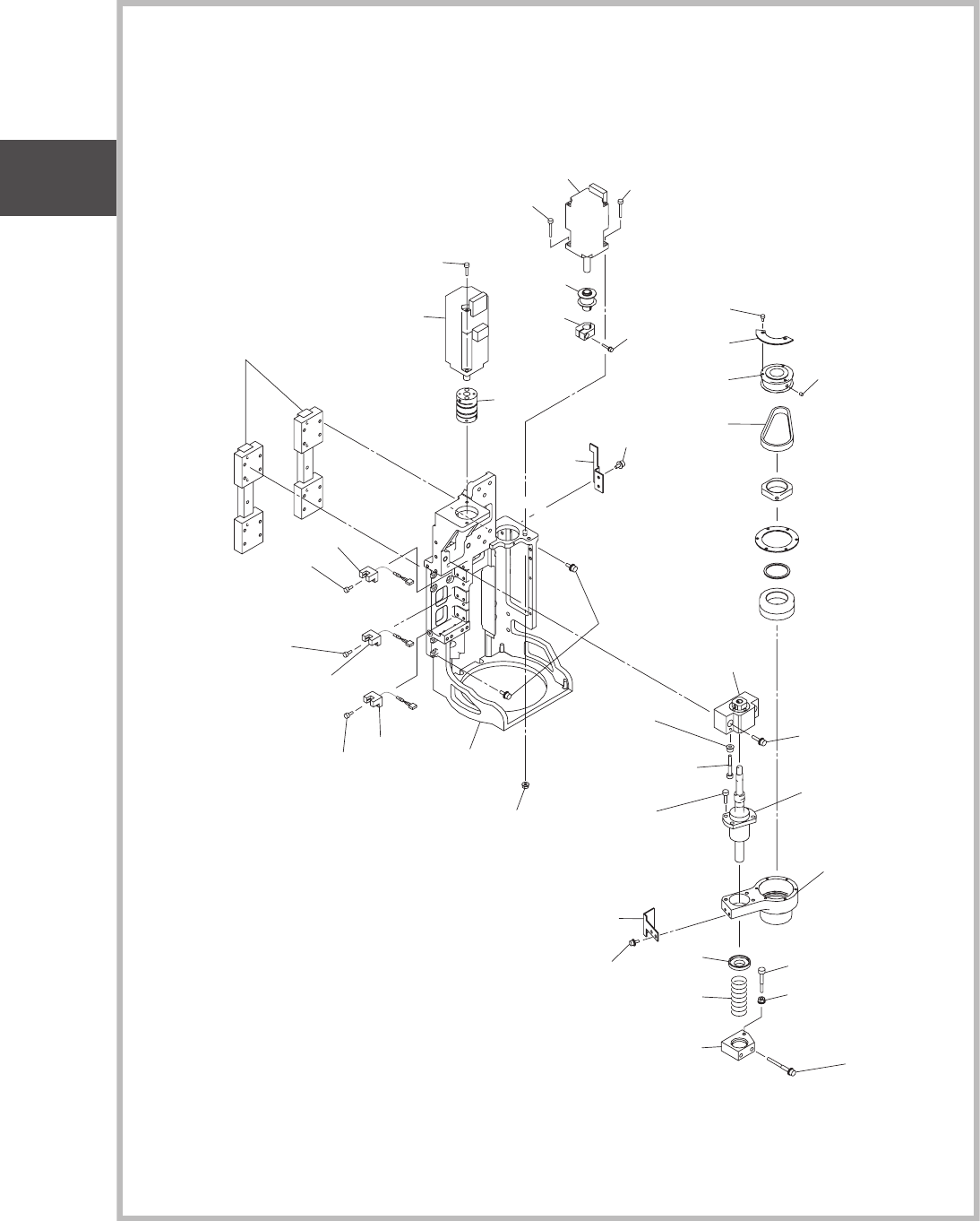
Fig. G1-4 ノズル上下、選択部 Nozzle Leveller ,and selecter 1 104-004 372 370 303 302 3A0 3A1 379 3A2 3A3 385 3A2 3A3 393 3A2 3A3 393 3A2 3A3 383 3A2 3A3 382 3A0 3A1 392 3A5 3A2 3A4 384 397 399 378 381 376 343 342 315 338 341 353 …

Key No. PART No. PART NAME Q’ty
REMARKS
NOTE
201 0916D32N MOTOR_AC-SERVO 2 2 1 1 109160340J-001
202 226J2537 MECH PARTS(STOPPER) 2 2 1 1 109160340J-002
203 223C0238 COUPLING 2 2 1 1
109160340J-003
204 0916D407 BEARING_UNIT 2 2 1 1
109160340J-004
205 0916D403 BALL_SCREW 2 2 1 1
109160340J-005
206 221AA014 ROHS:BOLT_HEX-SCT 2 2 1 1
M3L35 109160340J-006
208 0916D40F GUIDE_LINEAR 2 2 1 1
109160340J-008
209 211DE385 PLATE 2 2 1 1
109160340J-009
210 210A3164 BASE 2 2 1 1
109160340J-010
211 221A0468 BOLT HEX-SCT 4 4 2 2
109160340J-011
212 211DE386 PLATE 2 2 1 1
109160340J-012
213 221FA005 NUT_HEX 2 2 1 1
M3 109160340J-013
214 221HA003 WASHER 10 10 5 5
SW3 109160340J-014
215 221HA103 WASHER 10 10 5 5
FW3 109160340J-015
216 221AA115 ROHS:BOLT_HEX-SCT 8 8 4 4
M2L8 109160340J-016
217 221AA006 ROHS:BOLT_HEX-SCT 32 32 16 16
M3L8 109160340J-017
218 221AA020 ROHS:BOLT_HEX-SCT 8 8 4 4
M4L16 109160340J-018
219 221HA004 WASHER 8 8 4 4
SW4 109160340J-019
220 221HA104 WASHER 8 8 4 4
FW4 109160340J-020
221 221AA321 ROHS:BOLT_HEX-SCT 4 4 2 2
M2.5L10 109160340J-021
222 09163004 ASSY_SENSOR 2 2 1 1
109160340J-022
223 09163005 ASSY_SENSOR 2 2 1 1
109160340J-023
224 221HA006 WASHER 4 4 2 2
SW6 109160340J-024
225 221HA106 WASHER 4 4 2 2
FW6 109160340J-025
226 221AA007 ROHS_HEX-SCT 8 8 4 4
M3L10 109160340J-026
Fig. G1
1104-004
Fig. G1-3
SIGMA-G5SA
SIGMA-G5SB
SIGMA-G5SC
SIGMA-G5SD
UNIT-6
Fig. G1
HEAD 1
GS-HH100(DDH V5)

Fig. G1-4
ノズル上下、選択部
Nozzle Leveller,and selecter
1104-004
372
370
303
302
3A0
3A1
379
3A2
3A3
385
3A2
3A3
393
3A2
3A3
393
3A2
3A3
383
3A2
3A3
382
3A0
3A1
392
3A5
3A2
3A4
384
397
399
378
381
376
343
342
315
338
341
353
354
355
352
312
327
391
314
316
340
380
380
327
3A5
3A5
371
373
387
See Fig. G1-3
Key No.208
See Fig. G1-6
Key No.557
M33
M34
B3105
B3102
B3104
UNIT-6
Fig. G1
HEAD 1
GS-HH100(DDH V5)
Fig. G1
高速ヘッド部
(DDH V5)
HIGH SPEED HEAD SECTION(DDH V5)

Key No. PART No. PART NAME Q’ty
REMARKS
NOTE
302 4M150279 MOTOR_AC-SERVO 2 2 1 1 109160332T-002
303 4M150280 MOTOR_AC-SERVO 2 2 1 1
109160332T-003
312 0916D30Y BALL_SCREW 2 2 1 1
109160332T-012
314 223Q0769 PULLEY_TIMING 2 2 1 1
109160332T-014
315 223Q0711 PULLEY_TIMING 2 2 1 1
109160332T-015
316 223L0358 BELT_TIMING 2 2 1 1
109160332T-016
327 221AA011 ROHS:BOLT_HEX-SCT 4 4 2 2
M3L20 109160332T-027
338 211G3396 BLOCK 2 2 1 1
109160332T-038
340 211D9619 PLATE 2 2 1 1
109160332T-040
341 211FE198 BRACKET 2 2 1 1
109160332T-041
342 211FE541 BRACKET 2 2 1 1
109160332T-042
343 210A3165 BASE 2 2 1 1
109160332T-043
352 0916D310 BEARING_UNIT 2 2 1 1
109160332T-052
353 216A1487 COLLAR 2 2 1 1
109160332T-053
354 222M1420 SPRING_COMP 2 2 1 1
109160332T-054
355 211G5191 BLOCK 2 2 1 1
109160332T-055
370 223C0238 COUPLING 2 2 1 1
109160332T-070
371 09163001 ASSY_SENSOR 2 2 1 1
109160332T-071
372 09163002 ASSY_SENSOR 2 2 1 1
109160332T-072
373 09163003 ASSY_SENSOR 2 2 1 1
109160332T-073
376 221AA121 ROHS:BOLT_HEX-SCT 4 4 2 2
M2L4 109160332T-076
378 221A0245 BOLT_HEX-SCT 2 2 1 1
M2L10 109160332T-078
379 221AA145 ROHS:BOLT_HEX-SCT 4 4 2 2
M2.5L6 109160332T-079
380 221AA321 ROHS:BOLT_HEX-SCT 6 6 3 3
M2.5L10 109160332T-080
381 221AA322 ROHS:BOLT_HEX-SCT 2 2 1 1
M2.5L16 109160332T-081
382 221AA005 ROHS:BOLT_HEX-SCT 4 4 2 2
M3L6 109160332T-082
383 221AA006 ROHS:BOLT_HEX-SCT 32 32 16 16
M3L8 109160332T-083
384 221AA007 ROHS:BOLT_HEX-SCT 14 14 7 7
M3L10 109160332T-084
385 221AA013 ROHS:BOLT_HEX-SCT 4 4 2 2
M3L30 109160332T-085
387 221AA031 ROHS:BOLT_HEX-SCT 4 4 2 2
M5L16 109160332T-087
391 221CA026 SET SCREW 4 4 2 2
SET M3L3 109160332T-091
392 221FA003 NUT_HEX 2 2 1 1
M2.5 109160332T-092
393 221FA005 NUT_HEX 4 4 2 2
M3 109160332T-093
397 221HA001 WASHER 2 2 1 1
SW2 109160332T-097
399 221HA201 WASHER 2 2 1 1
FWS2 109160332T-099
3A0 221HA002 WASHER 6 6 3 3
SW2.5 109160332T-100
3A1 221HA102 WASHER 6 6 3 3
FW2.5 109160332T-101
3A2 221HA003 WASHER 50 50 25 25
SW3 109160332T-102
3A3 221HA103 WASHER 44 44 22 22
FW3 109160332T-103
3A4 221HA203 WASHER 6 6 3 3
FWS3 109160332T-104
3A5 221HA115 BOLT_HEX-SCT 12 12 6 6
M2L8 109160332T-105
Fig. G1
1104-004
Fig. G1-4
SIGMA-G5SA
SIGMA-G5SB
SIGMA-G5SC
SIGMA-G5SD
UNIT-6
Fig. G1
HEAD 1
GS-HH100(DDH V5)