P-310-004(1_2) - 第338页
Fig. G1'-4 ノズル上下、選択部 Nozzle Leveller ,and selecter 1 104-002 370 303 302 3A0 3A1 379 3A2 3A3 385 3A2 3A3 393 3A2 3A3 393 3A2 3A3 383 3A2 3A3 384 3A2 3A3 385 3A2 3A3 382 3A0 3A1 392 3A2 3A4 384 397 399 378 381 376 34…

Key No. PART No. PART NAME Q’ty
REMARKS
NOTE
201 0916DL1K MOTOR 2 2 1 1 1091603L00-001
202 226J2537 STOPPER 2 2 1 1 1091603L00-002
203 0916DK19 COUPLING 2 2 1 1 1091603L00-003
204 222F0090 BEARING_UNIT 2 2 1 1 1091603L00-004
205 0916DL1E HL_BALL-SCREW 2 2 1 1 1091603L00-005
206 221AA012 BOLT_HEX-SCT 2 2 1 1 M3L25 1091603L00-006
208 0916DL1F HL_GUIDE_LINEAR 2 2 1 1 1091603L00-008
209 0916DL1Q PLATE 2 2 1 1 1091603L00-009
210 0916DL1B BASE 2 2 1 1 1091603L00-010
211 221A0468 BOLT_HEX-SCT 4 4 2 2 1091603L00-011
212 0916DL1R PLATE 2 2 1 1 1091603L00-012
213 0916DL1C SPRING_COMP 2 2 1 1 1091603L00-013
214 0916DL14 PLATE 2 2 1 1 1091603L00-014
215 0916DL1J PLATE 2 2 1 1 1091603L00-015
216 221FA005 NUT_HEX 2 2 1 1 M3 1091603L00-016
217 221HA003 WASHER 14 14 7 7 SW3 1091603L00-017
218 221HA103 WASHER 14 14 7 7 FW3 1091603L00-018
219 221AA115 ROHS_HEX-SCT 8 8 4 4 M2L8 1091603L00-019
220 221AA006 ROHS_HEX-SCT 36 36 18 18 M3L8 1091603L00-020
221 221AA020 ROHS_HEX-SCT 4 4 2 2 M4L16 1091603L00-021
222 221HA004 WASHER 8 8 4 4 SW4 1091603L00-022
223 221HA104 WASHER 8 8 4 4 FW4 1091603L00-023
224 221AA321 ROHS_HEX-SCT 4 4 2 2 M2.5L10 1091603L00-024
225 09163004 ASSY_SENSOR 2 2 1 1 1091603L00-025
226 09163005 ASSY_SENSOR 2 2 1 1 1091603L00-026
227 221HA006 WASHER 4 4 2 2 SW6 1091603L00-027
228 221HA106 WASHER 4 4 2 2 FW6 1091603L00-028
229 221AA007 ROHS_HEX-SCT 12 12 6 6 M3L10 1091603L00-029
230 221AA018 ROHS_HEX-SCT 4 4 2 2 M4L12 1091603L00-030
Fig. G1'
1104-002
Fig. G1'-3
SIGMA-G5SA
SIGMA-G5SB
SIGMA-G5SC
SIGMA-G5SD
GS-HH150(DDH V6)
UNIT-6
Fig. G1'
HEAD
1'

Fig. G1'-4
ノズル上下、選択部
Nozzle Leveller,and selecter
1104-002
370
303
302
3A0
3A1
379
3A2
3A3
385
3A2
3A3
393
3A2
3A3
393
3A2
3A3
383
3A2
3A3
384
3A2
3A3
385
3A2
3A3
382
3A0
3A1
392
3A2
3A4
384
397
399
378
381
376
343
342
315
338
341
353
354
355
352
312
365
391
314
316
340
380
380
327
3A5
373
383
See Fig. G1'-3
Key No.208
See Fig. G1'-6
Key No.557
3A5
372
M33
M34
B3105
B3104
GS-HH150(DDH V6)
UNIT-6
Fig. G1'
HEAD
1'
Fig. G1'
高速ヘッド部
(DDH V6)
HIGH SPEED HEAD SECTION(DDH V6)

Key No. PART No. PART NAME Q’ty
REMARKS
NOTE
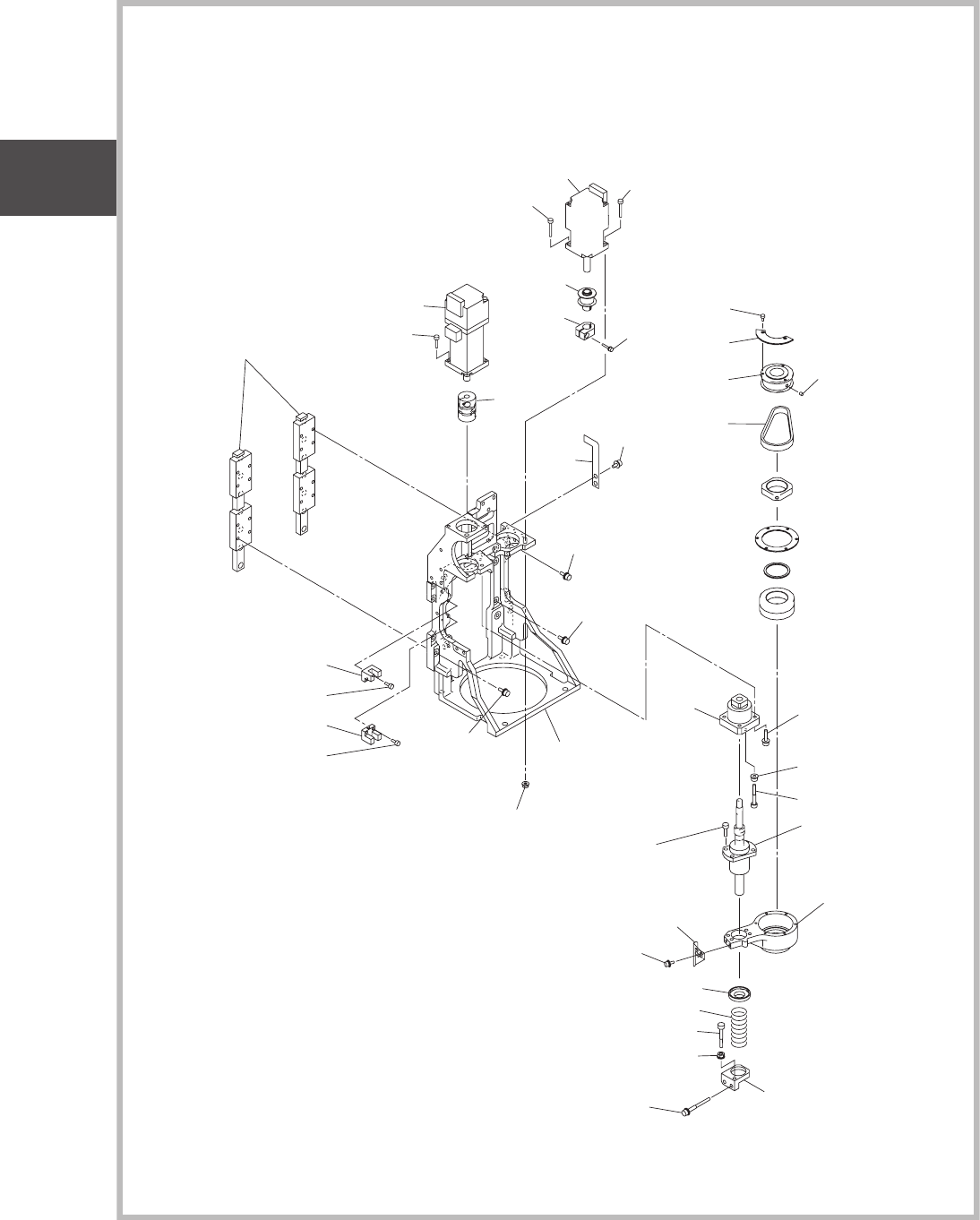
302 0916DK2B MOTOR 2 2 1 1 1091603K03-002
303 0916DK2C MOTOR 2 2 1 1 1091603K03-003
312 0916DK2R NL_BALL-SCREW 2 2 1 1 1091603K03-012
314 223Q0769 PULLEY_TIMING 2 2 1 1 1091603K03-014
315 223Q0711 PULLEY_TIMING 2 2 1 1 1091603K03-015
316 223L0358 BELT_TIMING 2 2 1 1 1091603K03-016
327 221AA011 ROHS_HEX-SCT 2 2 1 1 M3L20 1091603K03-027
338 211G3396 BLOCK 2 2 1 1 1091603K03-038
340 211D9619 PLATE 2 2 1 1 1091603K03-040
341 0916DK2Q PLATE 2 2 1 1 1091603K03-041
342 0916DK25 PLATE 2 2 1 1 1091603K03-042
343 0916DK1X BASE 2 2 1 1 1091603K03-043
352 0916DK29 BEARING_UNIT 2 2 1 1 1091603K03-052
353 0916DK26 COLLAR 2 2 1 1 1091603K03-053
354 0916DK2G SPRING_COMP 2 2 1 1 1091603K03-054
355 0916DK2H BLOCK 2 2 1 1 1091603K03-055
365 221AA012 ROHS_HEX-SCT 2 2 1 1 1091603K03-065
370 0916DK19 COUPLING 2 2 1 1 1091603K03-070
372 09163N02 ASSY_SENSOR 2 2 1 1 1091603K03-072
373 09163N03 ASSY_SENSOR 2 2 1 1 1091603K03-073
376 221AA121 ROHS_HEX-SCT 4 4 2 2 M2L4 1091603K03-076
378 221A0245 BOLT_HEX-SCT 2 2 1 1 M2L10 1091603K03-078
379 221AA145 ROHS_HEX-SCT 4 4 2 2 M2.5L6 1091603K03-079
380 221AA321 ROHS_HEX-SCT 6 6 3 3 M2.5L10 1091603K03-080
381 221AA322 ROHS_HEX-SCT 2 2 1 1 M2.5L16 1091603K03-081
382 221AA005 ROHS_HEX-SCT 4 4 2 2 M3L6 1091603K03-082
383 221AA006 ROHS_HEX-SCT 32 32 16 16 M3L8 1091603K03-083
384 221AA007 ROHS_HEX-SCT 12 12 6 6 M3L10 1091603K03-084
385 221AA013 ROHS_HEX-SCT 8 8 4 4 M3L30 1091603K03-085
391 221CA026 SET SCREW 4 4 2 2 SET M3L3 1091603K03-091
392 221FA003 NUT_HEX 2 2 1 1 M2.5 1091603K03-092
393 221FA005 NUT_HEX 4 4 2 2 M3 1091603K03-093
397 221HA001 WASHER 2 2 1 1 SW2 1091603K03-097
399 221HA201 WASHER 2 2 1 1 FWS2 1091603K03-099
3A0 221HA002 WASHER 6 6 3 3 SW2.5 1091603K03-100
3A1 221HA102 WASHER 6 6 3 3 FW2.5 1091603K03-101
3A2 221HA003 WASHER 44 44 22 22 SW3 1091603K03-102
3A3 221HA103 WASHER 44 44 22 22 FW3 1091603K03-103
3A4 221HA203 WASHER 8 8 4 4 FWS3 1091603K03-104
3A5 221AA115 BOLT_HEX-SCT 8 8 4 4 M2L8 1091603K03-105
Fig. G1'
1104-002
Fig. G1'-4
SIGMA-G5SA
SIGMA-G5SB
SIGMA-G5SC
SIGMA-G5SD
GS-HH150(DDH V6)
UNIT-6
Fig. G1'
HEAD
1'