QP-341E-MM-07 - 第180页
タ テ x 1 7 3 . 2 0 5 R e f . 3 1 - 1 R e f . 3 1 - 1 R e f . 3 1 - 1 R e f . 3 3 - 7 1 2 1 4 1 3 N 1 φ1 0 φ6 N 1 3 R P P R B A B A N 6 φ4 N 5 φ4 N 3 φ6 N 4 φ6 φ4 N 5 φ4 N 6 M 5 M 5 down up 上 下 φ2 0 x 7 0 φ1 6 x 5 Remover …

39.MTU-9E リムーバ(DBTN)
39.MTU-9E Remover(DBTN)
番号 図番 & コード番号 個数 品名 規格 備考 材質
No. Drg.No. & Code No. QTY Description Rating Remarks Materials
84 T2061B 1 TUBE チューブ 2-MPS-8-10-4X0.15E Option OT
85 S2206H 1 CYLINDER, AIR シリンダ エアー CDUK20-100D-A93-LS OT
86 DBTN5170 1 PANEL, CONNECTOR パネル コネクタ FE
87 H5273A 2
BOLT, HEX SOCKET
ボルト 六角穴 M3X5L Option FE
88 W1021A 2
WASHER, LOCK
ワッシャ スプリング 3M/M Option FE
89 DBTN5180 1 PLATE プレート Option FE
90 H5268N 2
BOLT, HEX SOCKET
ボルト 六角穴 M2.5X4L Option FE
91 W1020H 2
WASHER, LOCK
ワッシャ スプリング 2.5M/M Option FE
92 DBTN5190 1 PAD, VACUUM パット バキューム Option OT
93 S4032F 1 SENSOR センサ UM-R3TV OT
94 K5175S 2 SCREW, C/R PAN 小ネジ 十穴鍋 M2X5L FE
95 ADBPH8061 1 PIN ピン OT
96 DBPH0711 1 BKT BKT AL
97 H5288A 1
BOLT, HEX SOCKET
ボルト 六角穴 M4X10L FE
98 W1022A 1
WASHER, LOCK
ワッシャ スプリング 4M/M FE
99 N4017A 2
SCREW, HEX SOCKET SET
ネジ 六角穴止め M2X3Lヒラサキ FE
100 DBPH0722 1 PIN ピン FE
101 DBPH1270 2 SPRING, PLATE スプリング 板 FE
102 BHTC7550 2 SPRING, PLATE スプリング 板 FE
103 H5264T 4
BOLT, HEX SOCKET
ボルト 六角穴 M2X4L FE
104 H5289A 1
BOLT, HEX SOCKET
ボルト 六角穴 M4X12L FE
105 W1011A 1
WASHER, CONICAL
ワッシャ 皿
M-4-L FE
106 DBTN5220 1 COVER カバー FE
107 DBTN1690 1 PLATE, VALVE プレート バルブ FE
108 K5359E 1
SCREW, HEX SOCKET COUNTERSUNK
小ネジ 六角穴皿 M4X8L FE .
QP-341E-MM PARTS LIST
39 - 5
39.MTU-9E リムーバ(DBTN)
39.MTU-9E Remover(DBTN)

タテx173.205
Ref.31-1
Ref.31-1
Ref.31-1
Ref.33-7
12
14 13
N1
φ10
φ6
N1
3
R
PP
R
B
AB
A
N6
φ4
N5
φ4
N3
φ6
N4
φ6
φ4
N5
φ4
N6
M5M5
down up
上下
φ20x70φ16x5
Remover Pipe up/down
リム−バ 配管上下
1/81/8
down up
上下
φ20x100
Remover lifter up/down
リム−バ リフタ−上下
M5 M5
open close
閉開
Remover chack open/close
リム−バ チャック開閉
φ8
N2
IN
1/4
1/4
OUT
5 4
19 19 18 18
6 6
12
1
15
N2
φ8
φ8
N2
N1
φ10
9 8
7
20
11
17
10
17
2
16
17
Standard
Remover head
Parts pick up check(Option)
Remover head
6
リム−バ ヘッド
吸着確認(オプション)
リム−バ ヘッド
標準
N2
1/8
M5
1/8
N2
1/4
X1.5
40 - 1
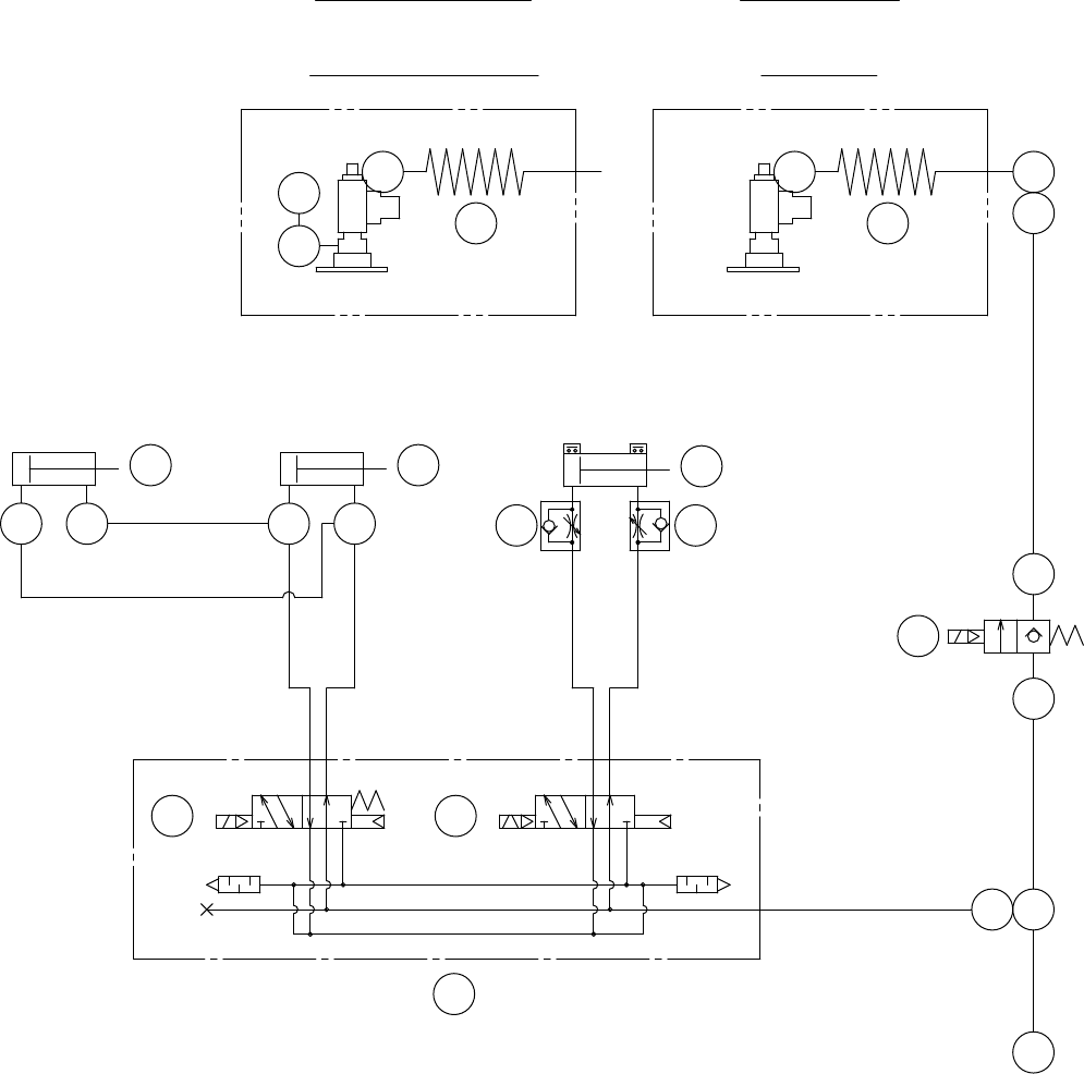
40.MTU-9E エアー配管図(DBWB)
40.MTU-9E Pneumatic circuit diagram(DBWB)
40.MTU-9E エアー配管図(DBWB)
40.MTU-9E Pneumatic circuit diagram(DBWB)
QP-341E -MM PARTS LIST

40.MTU-9E エアー配管図(DBWB)
40.MTU-9E Pneumatic circuit diagram(DBWB)
番号 図番 & コード番号 個数 品名 規格 備考 材質
No. Drg.No. & Code No. QTY Description Rating Remarks Materials
1 H1130A 1
VALVE, SOL
バルブ SOL VXD2130-02-5G-B OT
2 T2059Z 1 TUBE チューブ TPS-8-10-0101 OT
3 M1034W 1 MANIFOLD マニホールド VV5Q14-02-X106 OT
4 . 1 VALVE, SOL バルブ SOL 80-VQ1241-5L0B-C6 OT
5 . 1 VALVE, SOL バルブ SOL 80-VQ1141-5L0-C4 OT
6 K5342A 2
CONTROLLER, SPEED
コントローラ スピード AS2201F-01-06S OT
7 S21275 1 CYLINDER, AIR シリンダ エアー SGDA20X100-ZE102B2 OT
8 S2206H 1 CYLINDER, AIR シリンダ エアー CDUK20-100D-A93-LS OT
9 S2081K 1 CYLINDER, AIR シリンダ エアー CDAS16X5-B-R-ZE102B1 OT
10 T2061B 1 TUBE チューブ 2-MPS-8-10-4X0.15E OT
11 S4033H 1 SENSOR, PRESSURE センサ 圧力 RSE511-M5 OT
12
Y3076A
2 UNION, HALF ユニオン ハーフ KQ2U10-00 OT
13
Y3069A
1 UNION ユニオン KQ2R06-10 OT
14 Y3069A 1 UNION ユニオン KQR06-10-X15 OT
15 Y30861 1 UNION, HALF ユニオン ハーフ KQ2S08-02S OT
16 Y3066Z 1 UNION ユニオン KQ2E08-01 OT
17 A4066C 2 ELBOW エルボ DL08-01 OT
18 A4066L 2 UNION ユニオン KQ2LU04-M5 OT
19 A4066M 2 UNION, ELBOW ユニオン エルボ KQ2L04-M5 OT
20 A4090A 1
ELBOW, UNIVERSAL
エルボ ユニバーサル M-5UL OT .
QP-341E-MM PARTS LIST
40 - 2
40.MTU-9E エアー配管図(DBWB)
40.MTU-9E Pneumatic circuit diagram(DBWB)