QP-341E-MM-07 - 第208页
タ テ x 1 7 3 . 2 0 5 R e f . 3 1 - 1 R e f . 3 1 - 1 R e f . 3 1 - 1 R e f . 3 3 - 7 1 φ4 φ6 φ6 φ4 φ4 φ4 紙バキ ュ ー ム 上 下 リ フ タ ー φ1 2 x 2 0 前 後 ス ラ イ ド φ1 0 x 2 5 0 P P R A B B A φ4 M F U 側 A A L i f t e r S l i d e P a p e…

45.1.グルー捨て打ちユニット(オプション)(DBHG)
45.1.Glue check unit(Option)(DBHG)
番号 図番 & コード番号 個数 品名 規格 備考 材質
No. Drg.No. & Code No. QTY Description Rating Remarks Materials
91 W1021A 2
WASHER, LOCK
ワッシャ スプリング 3M/M FE
93 . 1 CYLINDER, AIR シリンダ エアー MGQM12-20-Y59AS OT
94 H5289A 4
BOLT, HEX SOCKET
ボルト 六角穴 M4X12 FE
95 W1022A 4
WASHER, LOCK
ワッシャ スプリング 4M/M FE
96 K5337H 2 CONTROLLER, SPEED コントローラ スピード AS1201F-M5-04 OT
97 B6982DBHG6390 2 PLATE, RETAINING プレート 押え FE
98 K5255T 4 SCREW, HEX SOCKET BUTTON 小ネジ 六角穴ボタン M3X6 FE
99 W1021A 4
WASHER, LOCK
ワッシャ スプリング 3M/M FE
100 B6982DBHG6360 1 HOOK フック FE
101 B6982DBHG6371 1 HOOK フック FE
102 B6982DBHG6380 2 SHAFT シャフト FE
103 B6982DBHG6400 1 SPRING, TORSION スプリング ネジリ FE
104 B6982DBHG6410 1 SPRING, TORSION スプリング ネジリ FE
105 . 1 UNION, ELBOW ユニオン エルボ KQ2L04-06 OT .
QP-341E-MM PARTS LIST
45 - 4
45.1.グルー捨て打ちユニット(オプション)(DBHG)
45.1.Glue check unit(Option)(DBHG)

タテx173.205
Ref.31-1
Ref.31-1
Ref.31-1
Ref.33-7
1
φ4
φ6
φ6
φ4
φ4
φ4
紙バキューム
上
下
リフター
φ12x20
前 後
スライド
φ10x250
P
P
R
A
B
BA
φ4
M
F
U
側
A
A
Lifter
Slide
Paper Vacuum
R
φ4
x6
56
1
2
3
1
2
4
11
1212
10
8
9
8 8
8
7 7 7 7
14
6
14
5
13
45 - 5
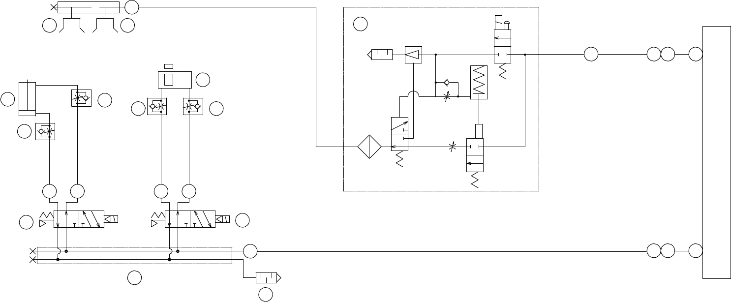
45.2.Pneumatic circuit diagram(Glue check unit)(Option)(DBHG)
45.2.エアー配管図(グルー捨て打ちユニット)(オプション)(DBHG)
45.2.Pneumatic circuit diagram(Glue check unit)(Option)(DBHG)
45.2.エアー配管図(グルー捨て打ちユニット)(オプション)(DBHG)
QP-341E -MM PARTS LIST

45.2.エアー配管図(グルー捨て打ちユニット)(オプション)(DBHG)
45.2.Pneumatic circuit diagram(Glue check unit)(Option)(DBHG)
番号 図番 & コード番号 個数 品名 規格 備考 材質
No. Drg.No. & Code No. QTY Description Rating Remarks Materials
1 H3126H 4 PLUG プラグ PAH-04 OT
2 R2037A 4 RING,INSERT リング インサート WR0425 OT
3 Y3040T 1 UNION ユニオン KQR04-06 OT
4 . 1 EJECTOR エジェクタ VDBE07P6-06SA OT
5 Y3049E 1 UNION, ELBOW ユニオン エルボ KJL04-M5 OT
6 . 1 MANIFOLD マニホールド SS5YJ3-31-2-M3 OT
7 A4067A 4 ELBOW エルボ M-3ALU-4 OT
8 K5337H 4 CONTROLLER, SPEED コントローラ スピード AS1201F-M5-04 OT
9 . 1 CYLINDER, RODLESS シリンダー ロッドレス CY1R10H-250-Y59A OT
10 . 1 CYLINDER, AIR シリンダー エアー MGQM12-20-Y59AS OT
11 A40682 1 ELBOW エルボ M-5HL-6 OT
12 . 1 PAD, VACUUM パット バキューム VPE8R OT
13 S1058A 1 SILENCER サイレンサ AN120-M5 OT
14 . 2 VALVE, SOL バルブ SOL SYJ3130-5G OT .
QP-341E-MM PARTS LIST
45 - 6
45.2.エアー配管図(グルー捨て打ちユニット)(オプション)(DBHG)
45.2. Pneumatic circuit diagram(Glue check unit)(Option)(DBHG)