QP-341E-MM-07 - 第42页
Wear sunglasses or an equivalent eye protector when looking at the light. COUTION c a m e r a N o r m a l c a m e r a r e s o l u t i o n H i g h O N O F F O N O F F 1 2 3 4 5 6 7 8 8 7 6 5 4 3 2 1 x 5 L O C T I T E 2 6 …

タテx173.205
Ref.31-1
Ref.31-1
Ref.31-1
Ref.33-7
Wear sunglasses or an equivalent eye protector when looking at the light.
COUTION
camera
Normal
camera
resolution
High
ONOFF
ONOFF
1 2 3 4 5 6 7 887654321
31
30
32
1
1
6
2
3
4
7
9
19
20
24
28
38
34
36
31
31
29
40
41
43
42
44
55
54
56
50
50
50
50
50
50
50
50
33
39
11
33
35
34
5
17
18
20
23
49
22
21
10
8
9
10
25
27
26
A
B
B
45
46
45
45
30
32
15
16
14
13
16
15
51
12
37
35
36
52
53
31
31
29
30
32
x5
31
30
32
44
42
45
37
43
36
40
41
38
40
39
45
40
41
46
8 - 1
8.Parts check camera(Line sensor type)(Side2)(DBGC)
8.部品認識カメラ(ラインセンサタイプ)(Side2)(DBGC)
8.Parts check camera(Line sensor type)(Side2)(DBGC)
8.部品認識カメラ(ラインセンサタイプ)(Side2)(DBGC)
QP-341E -MM PARTS LIST

Wear sunglasses or an equivalent eye protector when looking at the light.
COUTION
camera
Normal
camera
resolution
High
ONOFF
ONOFF
1 2 3 4 5 6 7 887654321
x5
LOCTITE262
LOCTITE262
ThreeBond1373B
ThreeBond1390E
ThreeBond1373B
ThreeBond1390E
1.96N・m
3.9N・m
12.7N・m
12.8N・m
3.9N・m
3.9N・m
8 - 2
8.Parts check camera(Line sensor type)(Side2)(DBGC)
8.部品認識カメラ(ラインセンサタイプ)(Side2)(DBGC)
8.Parts check camera(Line sensor type)(Side2)(DBGC)
8.部品認識カメラ(ラインセンサタイプ)(Side2)(DBGC)
QP-341E -MM PARTS LIST

8.部品認識カメラ(ラインセンサタイプ)(Side2)(DBGC)
8.Parts check camera(Line sensor type)(Side2)(DBGC)
番号 図番 & コード番号 個数 品名 規格 備考 材質
No. Drg.No. & Code No. QTY Description Rating Remarks Materials
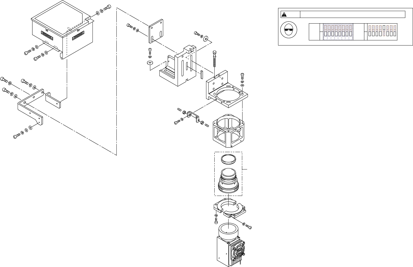
1 DBGC1010 1 BKT BKT FE
2 H5292A 4
BOLT, HEX SOCKET
ボルト 六角穴 M4X20 FE
3 W1022A 4
WASHER, LOCK
ワッシャ スプリング 4M/M FE
4 W1043A 4 WASHER, FLAT ワッシャ 平 4W-4 FE
5 DBGC1020 1 HOUSING ハウジング FE
6 BHGC0011 1 BKT BKT FE
7 H5326A 4
BOLT, HEX SOCKET
ボルト 六角穴 M6X25L FE
8 H5327A 4
BOLT, HEX SOCKET
ボルト 六角穴 M6X30L FE
9 W1024A 8
WASHER, LOCK
ワッシャ スプリング 6M/M FE
10 EM42301 8 WASHER, FLAT ワッシャ 平 FE
11 BHGC0080 1 SCREW, ADJUSTING ネジ 調整 FE
12 BHGC2070 1 BKT BKT FE
13 H5288A 2
BOLT, HEX SOCKET
ボルト 六角穴 M4X10L FE
14 W1022A 2
WASHER, LOCK
ワッシャ スプリング 4M/M FE
15 N4025Z 2
SCREW, HEX SOCKET SET
ネジ 六角穴止め M3X20L FE
16 N1076A 1 NUT, HEX ナット 六角 M3 P=0.5 FE
17 QCA1550 1 RING, TIGHTENING リング 締付け FE
18 H5290A 4 BOLT, HEX SOCKET ボルト 六角穴 M4X15 FE
19 H5295A 2
BOLT, HEX SOCKET
ボルト 六角穴 M4X35L FE
20 W1022A 6
WASHER, LOCK
ワッシャ スプリング 4M/M FE
21 JRG0391 1 KEY キー FE
22 K11284 1 CAMERA, IMAGE SENSOR カメラ イメージセンサ SP-14-02K4O-50 OT
23 R40203 1 LENS レンズ TVL-03-100 OT
24 DBGC1550 1 BKT BKT FE
25 H5323A 2
BOLT, HEX SOCKET
ボルト 六角穴 M6X18L FE
26 W1024A 2
WASHER, LOCK
ワッシャ スプリング 6M/M FE
27 W1045A 2 WASHER, FLAT ワッシャ 平 4W-6 FE
28 FB0001B 1 HOLDER, LIGHT ホルダ ライト OT
29 H5299A 1
BOLT, HEX SOCKET
ボルト 六角穴 M5X12L FE
30 H5300A 1
BOLT, HEX SOCKET
ボルト 六角穴 M5X15L FE
31 W1023A 2
WASHER, LOCK
ワッシャ スプリング 5M/M FE
32 W1044A 1 WASHER, FLAT ワッシャ 平 4W-5 FE
33 DBGC1641 1 NAMEPLATE, CAUTION 銘板 注意 PL
34 DBGC1650 1 NAMEPLATE, CAUTION 銘板 注意 PL
35 DBGC1660 1 NAMEPLATE, CAUTION 銘板 注意 PL
36 DBGC1682 1 BKT BKT FE
37 DBGC1692 1 BKT BKT FE
38 H5175A 1
BOLT, HEX
ボルト 六角 M5X10L FE
39 H5176A 1
BOLT, HEX
ボルト 六角 M5X12L FE
40 W1023A 3
WASHER, LOCK
ワッシャ スプリング 5M/M FE
41 W1088T 2 WASHER, FLAT ワッシャ 平 WSSB15-5-1 FE
QP-341E-MM PARTS LIST
8 - 3
8.部品認識カメラ(ラインセンサタイプ)(Side2)(DBGC)
8.Parts check camera(Line sensor type)(Side2)(DBGC)