QP-341E-MM-07 - 第94页
タ テ x 1 7 3 . 2 0 5 R e f . 3 1 - 1 R e f . 3 1 - 1 R e f . 3 1 - 1 R e f . 3 3 - 7 R e f . 1 9 - 4 x 3 A i r s u p p l y エアー供給源 セット圧4 . 5 k g / c m S e t p r e s s u r e 4 . 5 k g / c m P F U , M T U , M F U - a i r s u…

18.2.カバー(DBAK)
18.2.Cover(DBAK)
番号 図番 & コード番号 個数 品名 規格 備考 材質
No. Drg.No. & Code No. QTY Description Rating Remarks Materials
42 W1042A 4 WASHER, FLAT ワッシャ 平 4W-3 FE
43 T50125 2 HANDLE 取手 THA-31NO.4-3404A OT
44 H5300A 4 BOLT, HEX SOCKET ボルト 六角穴 M5X15L FE
45 W1023A 4
WASHER, LOCK
ワッシャ スプリング 5M/M FE
46 DBAK0590 1 COVER カバー FE
47 K5209A 2 SCREW, TRUSS 小ネジ トラス M4X8L FE .
QP-341E-MM PARTS LIST
18 - 7
18.2.カバー(DBAK)
18.2.Cover(DBAK)

タテx173.205
Ref.31-1
Ref.31-1
Ref.31-1
Ref.33-7
Ref.19-4
x3
Air supply
エアー供給源
セット圧4.5kg/cm
Set pressure 4.5kg/cm
PFU,MTU,MFU-air supply
PFU,MTU,MFUエアー供給
ヘッド
ヘッド(標準)
(パーツ吸着確認)
MFU(STU-1 and STU-2 air supply)(Option)
MFU(STU-1 and STU-2 エアー供給口)(オプション)
Placing head
(Parts pick up check)
Placing head(Standard)
M5
11SOL2B11SOL2C
11SOL2C
H3
11SOL2A
Placing head
装着ヘッド関係
Nozzle C Nozzle B Nozzle A
Z-axis drop
Z軸落下防止
prebention
B2B2
80
B2
φ10
B2
81
80
φ10
B2
USB-1065-20-W
Y-axis flexble track
Y軸ケーブルベア
X軸ケーブルベア
X-axis flexble track
Vacuum back-up pins(Option)
Calibration(Option)
バキュームバックアップ(オプション)
Nozzle chaneger
Conveyor, XY table
コンベア、テーブル関係
ノズルチェンジシャッタ開閉
ノズルチェンジャ
Nozzle change shutter
open/close
close
閉
open
開
close
閉
open
開
基板クランプ
Board clamp
down
下
up
上
基板ストッパ
Board stopper
down
下
up
上
Lower
下降
Raise
上昇
A
63
63
φ6
63
63
φ6
63
63
φ6
63
63
φ6
44
94
B2
16
φ8
B2
P12
φ6
P12
19SOL1
16
φ8
B2
P11
φ6
P11
B2
M6
M5 M5 M5 M5M5M5
6464
62
T1SOL5
φ8
φ8
45
46
46
B2
46
9
φ6
φ16x20
φ6
M1
M2
M3
M4 M4
M3
φ6φ6
15
9
M5
M5
φ10x35
φ4
φ4
13
8
φ4φ4
P3
P4
P1
P2
P3
P4
8
56 56
M5
M5
P9
P8
P8
φ32x40
φ6
φ6
φ6
φ6
φ6
14
11
10
12
9
10
P7
P9
9 9
φ6φ6
P5
P6
P6
P6
P10
φ6
P8
P8
P7
φ6
φ6
φ6
P8
P7
P10
P9
P8
P7
9
φ6
5858
61
58
57
A
P
59
59
59
59
60
60
1/8
1/8
59 59
BA
T1SOL1 T1SOL2
BA
T1SOL3 T1SOL4
A B
21SOL221SOL1
φ10
φ10
B2
B2
B2
B2 B2
B2
φ10 φ10
55 93
1/2
1/2
5Kg/cm
4
1/4
5450
B1
φ16
51
B2
52
φ8
1/4
5
B2
A7
φ8
6
1/4
1/2
48
1/2
3/8
47
3/8
2
1
31
3
49
B2
B2
B2
B2
φ6
φ6
φ4
18
H4
17
φ6
H4
65
H2
11SOL1B
H1
11SOL1A
19
20
φ6
H*
68
67
11SOL1*
11SOL2*
66
69
19
φ6
H*
11SOL1*
11SOL2*
67
66
1/4
B2
φ10
30
82
42
42
42
40
41
39
38
37
43
88
89
90
88
87
キャリブレーション (オプション)
2
2
2
19 - 1
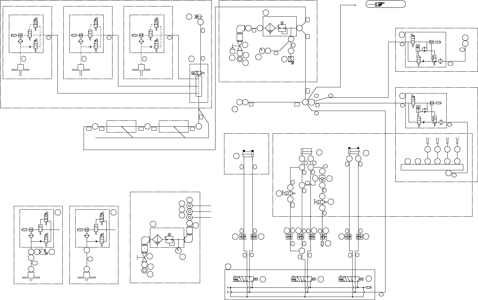
19.1.エアー配管図(DBWB)
19.1.Pneumatic circuit diagram(DBWB)
19.1.エアー配管図(DBWB)
19.1.Pneumatic circuit diagram(DBWB)
QP-341E -MM PARTS LIST

19.1.エアー配管図(DBWB)
19.1.Pneumatic circuit diagram(DBWB)
番号 図番 & コード番号 個数 品名 規格 備考 材質
No. Drg.No. & Code No. QTY Description Rating Remarks Materials
1 K1086T 1
COUPLER
カプラ 30PM OT
2 H1059T 1 VALVE, BALL バルブ ボール RP-LL 3/8ロックハンハドルツキ OT
3 K2027R 1
KEY
キー C1000-50 OT
4 H3032F 1 FILTER REGULATOR フィルタレギュレータ AW4000-04BC-R OT
5 A1031A 1
PRESSURE GAUGE
圧力計 G46-10-02 OT
6 S3157Z 1
SW, PRESSURE
SW プレッシャ IS3010-02L5 OT
8 K5340H 2 CONTROLLER, SPEED コントローラ スピード AS2000F-04(シロ) OT
9 K5340G 6 CONTROLLER, SPEED コントローラ スピード AS2000F-06(シロ) OT
10 H1063G 2
VALVE, MECHANICAL
バルブ メカニカル VM121-01-01 OT
11 H1050H 1
VALVE, CHECK
バルブ チェック C250-01-16W OT
12 S1053B 1 SILENCER サイレンサ KM-J6 OT
13 S2126L 1
CYLINDER, AIR
シリンダ エアー CXSM10-K6869-35 OT
14 S2125T 1
CYLINDER, AIR
シリンダ エアー CQ2D32-40DCM OT
15 S20870 1 CYLINDER, AIR シリンダ エアー TBDA16X20-ZE102B2-43W OT
16 A4001B 2 EJECTOR エジェクタ VDBL10R6-08SA-D-1.0 OT
17 DBPH0412 1 VALVE UNIT バルブ ユニット OT
18 S2202T 1 CYLINDER, AIR シリンダ エアー CDA16X3-469W OT
19 A4001H 3 EJECTOR エジェクタ VGH12E-FM56L-20SK OT
20 S4033H 3 SENSOR, PRESSURE センサ 圧力 PSE511-M5 OT
26 K5348D 2 CONTROLLER, SPEED コントローラ スピード AS3001F-06 OT
27 S2205A 1 CYLINDER, AIR シリンダ エアー MDUC40-150DM-A73HLS OT
30 H10517 1 VALVE, CHECK バルブ チェック IN-334-97 OT
31 S5023H 1 SOCKET ソケット 30SH OT
37 H3149A 1 PLUG, COUPLER プラグ カプラ 20PM OT
38 H1059H 1 VALVE, BALL バルブ ボール RP-LL 1/4B OT
39 H3029M 1 FILTER REGULATOR フィルタレギュレータ AW2000-02 OT
40 A1028A 1
PRESSURE GAUGE
圧力計 G15-10-01 OT
41 S50255 1 SOCKET ソケット MST18-04 OT
42 K11611 3 COUPLER カプラ QMC20 OT
43 S5023A 1
SOCKET
ソケット 20SH OT
44 DBOB0020 1 BASE, JIG ベース 治具 FE
45 H1129T 1 VALVE, SOL バルブ SOL VV5Q11-03-X802 OT
46 H1332A 3 VALVE バルブ VQ1201-5 OT
47 N2136A 1 NIPPLE ニップル GF-RNi-1/2X3/8 OT
48 A4085F 1 ELBOW, MALE AND FEMALE エルボ オスメス GF-SL-1/2 OT
49 Y30665 1 UNION ユニオン KQ2E16-04 OT
50 Y3086T 1 UNION, HALF ユニオン ハーフ KQ2H16-04S OT
51 Y3082H 1 UNION, ELBOW ユニオン エルボ KQ2Z08-02S OT
52 Y30662 1 UNION ユニオン KQ2E08-02 OT
53 Y3079T 1 UNION, ELBOW ユニオン エルボ KQ2L08-02S OT
54 Y3074T 1 UNION ユニオン KQ2T10-04S OT
QP-341E-MM PARTS LIST
19 - 2
19.1.エアー配管図(DBWB)
19.1.Pneumatic circuit diagram(DBWB)