文档中心
/
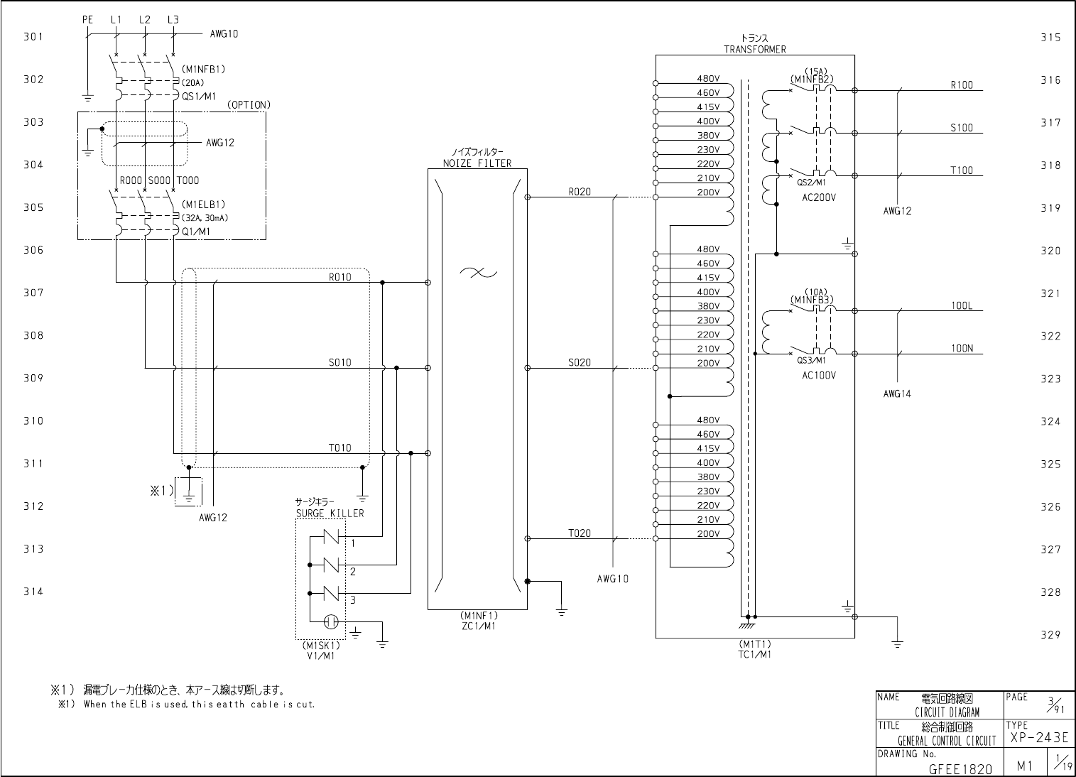
XP243线路图
XP243线路图 - 第7页
在线预览 XP243线路图 PDF 文档。
目录
100%
显示:宽度
宽度
1 / 167
回到旧版
旧版
?
该页面需要启用 JavaScript 才能进行交互式预览。