Tape feeder module 24mm X FS07_074121 - 第7页
Tape feeder module 24mm X FS07 Page 7 / 13 16.09.2021

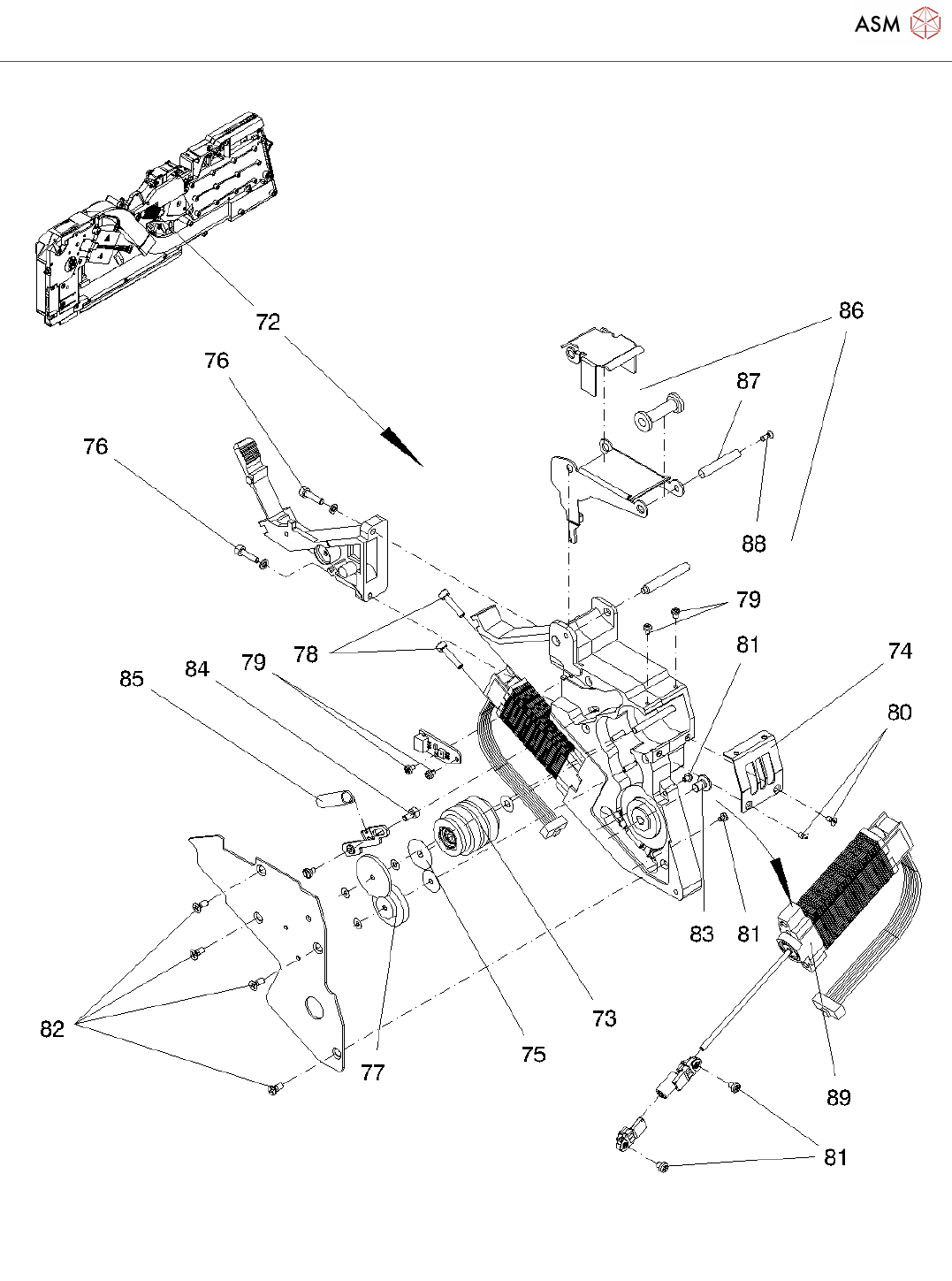
Tape feeder module 24mm X FS07
Page 6 / 13 16.09.2021

Tape feeder module 24mm X FS07
Page 7 / 13 16.09.2021

Tape feeder module 24mm X FS07
Page 8 / 13 16.09.2021