SER04989020_YVL88II Service_J - 第21页
2 - 11 SER04989020 点検・保守 第 2 章 3 3 . 3 保守推奨品リスト 40442007-00 KG7-M7151-00X KG7-M7152-00X KM0-M655A-10X KM0-M655A-20X KM0-M655A-00X KM0-M655E-00X KM0-M655F-10X KH4-M655F-10X KH5-M655A-A0X KH2-M655E-00X 90K50-4W03…

2 -
10
SER04989020
点検・保守
第
2
章
3
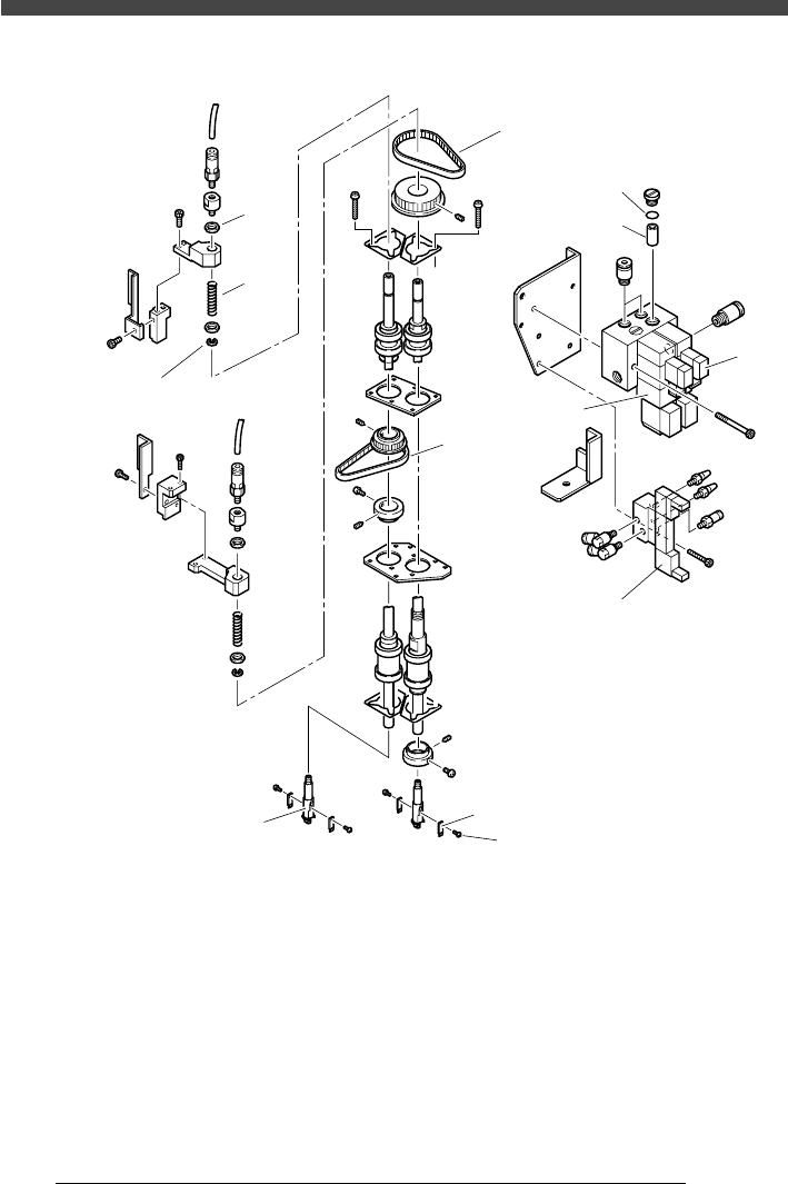
■ ノズル周辺の消耗部品
10442002-01
15
17
20
19
18
14
13
12
16
11
21
9
10

2 -
11
SER04989020
点検・保守
第
2
章
3
3.3 保守推奨品リスト
40442007-00
KG7-M7151-00X
KG7-M7152-00X
KM0-M655A-10X
KM0-M655A-20X
KM0-M655A-00X
KM0-M655E-00X
KM0-M655F-10X
KH4-M655F-10X
KH5-M655A-A0X
KH2-M655E-00X
90K50-4W034C
90K50-4W034D
90K50-4W034A
90K50-4W034B
90K50-871C4X
90K50-8A1C4Y
90K50-4W032W
SENSOR1
SENSOR2
SENSOR1-1
SENSOR1-1
SENSOR1-1
SENSOR1-2
SENSOR1-3
SENSOR1-3
SENSOR1-1
SENSOR1-2
MOTOR ASSY
MOTOR ASSY
MOTOR ASSY
MOTOR ASSY
AC SERVO MOTOR
AC SERVO MOTOR
AC SERVO MOTOR
2
2
3
1
2
2
3
2
6
1
1
1
1
1
1
1
1
Z軸用下降用センサー
Z軸用上降用センサー
R1軸原点センサー
R2軸原点センサー
X, Y軸2次リミットセンサー
X, Y軸原点センサー
基板検出センサー
入口, 出口センサー
ノズルステーションセンサー
W軸原点センサー
R1軸モーター, P5 60W
R2軸モーター, P5 60W
Z1軸モーター, P5 60W
Z2軸モーター, P5 60W
X軸モーター
Y軸モーター
Z軸モーター
部品番号 部品名称 数量 備 考

第3章 調整
はじめに 3-3
1. マシン構成モード ..................................................................................................................................................................................... 3-5
2. マシンデータ編集モード ................................................................................................................................................................... 3-6
3. マシン調整モード ..................................................................................................................................................................................... 3-7
4. 手動モード....................................................................................................................................................................................................... 3-8
1. ヘッド部 3-10
1.1 ヘッドの真空発生系の確認................................................................................................................................................... 3-12
1.1.1 真空発生動作の確認 3-12
1.1.2 真空センサーの機能の確認 3-15
1.2 機械座標 .................................................................................................................................................................................................. 3-16
1.2.1 FINE角度 3-17
1.2.2 ロケートピン基準 3-17
1.2.3 基板外形基準 3-18
1.2.4 待機位置 3-19
1.2.5 廃棄位置 3-20
1.2.6 基板面/ 固定トレイ 3-22
1.2.7 チェンジタイマー/ ソクド 3-24
1.2.8 リトライ回数の上限 3-24
1.2.9 廃棄ステーション位置 3-25
1.2.10 移動可能高さ 3-27
1.3 吸装着レベル ...................................................................................................................................................................................... 3-28
1.3.1 吸着レベル 3-29
1.3.2 装着レベル 3-31
1.4 R軸絶対精度補正 ............................................................................................................................................................................ 3-33
1.5 ノズル偏心補正 ................................................................................................................................................................................ 3-33
1.6 ヘッドオフセット ..........................................................................................................................................................................3-34
2. コンベア部 3-35
2.1 コンベアユニット ..........................................................................................................................................................................3-35
2.1.1 ロケートピン 3-37
2.1.2 メインストッパー 3-40
2.1.3 プッシュアップ 3-43
2.1.4 プッシュイン 3-46
2.2 コンベア搬送部 ................................................................................................................................................................................ 3-48
2.2.1 コンベアベルトの張力 3-48
2.2.2 コンベア速度 3-50
2.2.3 基板センサー 3-53
3. 画像認識装置 3-57
3.1 移動カメラ ............................................................................................................................................................................................ 3-59
3.1.1 移動カメラ照明 3-59
3.1.2 移動カメラスケール 3-63
3.2 シングル認識カメラ .................................................................................................................................................................... 3-69
3.2.1 視野・ピントの調整 3-69
3.2.2 反射照明の調整 3-74
3.2.3 透過照明(バックライト)の調整 3-79
3.2.4 シングル認識カメラスケール 3-85