Head PCB - Overview cn - 第8页
电路板 CP12:CP6 的描述 基础适配器 DLM 8 贴片头 PCB 概述 分析 7 段显示 H11 [03081413-03] 7 段显示 H12 [03081413-03] 7 段显示 H13 [03081413-03] DIP 开关 S1 [03081413-03] H22 GN 开 Z D “Z 轴底部 ” 挡光板已激活 H23 GN 开 Z-U “Z 轴顶部 ” 挡光板已激活 H24 GN 开 DZS INT “ 回转 D…

电路板 CP12:CP6 的描述
基础适配器 DLM
贴片头 PCB 概述 分析 7
2
2 电路板 CP12:CP6 的描述
电路板 CP12:CP6 的描述
2.1
2.1 基础适配器 DLM
基础适配器 DLM
03081413-03
LED [03081413-03]
LED 颜色 状态 信号名称 描述
H1 RD 开 POWERFAIL_LOCAL_N „LOC“-PowerFail 板:
开,当 1.5VDC、3.3VDC、5VDC 与
15VDC 在容许误差范围之外时
H2 RD 开 V_DISP_XC167 XC167 错误
H3 RD 开 V_DISP_HCU1 HCU1 错误
H4 RD 开 FPGA_TEST_5 24VDC 电源故障:
当电压 < 23VDC
H5 RD 开 FPGA_TEST_1 15VDC 电源故障
H6 RD 开 FPGA_TEST_6 1.5VDC 电源故障
H7 RD 开 FPGA_TEST_2 3.3VDC 电源故障
H8 RD 开 FPGA_TEST_4 5VDC 电源故障
H9 RD 开 FPGA_TEST_3 未使用
H10 RD 开 V_DISP_HCU2 HCU2 错误
H14 GN 开 V_DISP_XC167 XC167 确定
H15 GN 开 F_DISP_HCU1 HCU1 确定
H16 GN 开 V_DISP_HCU2 HCU2 确定
H17 RD 开 +V-LS 步进电机上的过流显示或关闭挡光板
H18 RD 开 DZS 错误 过流,“ 回转 ” 步进电机
H19 RD 开 ZHS 错误 过流,“ 拾取 / 贴片电路 ” 步进电机
H20 RD - BAS 错误 未使用:
过流,“ 贴片 / 拾取贴片机 ” 步进电机
H21 GN - - 未使用

电路板 CP12:CP6 的描述
基础适配器 DLM
8 贴片头 PCB 概述 分析
7 段显示 H11 [03081413-03]
7 段显示 H12 [03081413-03]
7 段显示 H13 [03081413-03]
DIP 开关 S1 [03081413-03]
H22 GN 开 Z D “Z 轴底部 ” 挡光板已激活
H23 GN 开 Z-U “Z 轴顶部 ” 挡光板已激活
H24 GN 开 DZS INT “ 回转 DP 驱动 ” 步进电机
H25 GN 开 ZHS INT “ 拾取 / 贴片电路 ” 步进电机,挡光板已激活
H26 GN 开 BAS_INT “ 抛料 ” 阀门驱动的步进电机
显示 状态 描述
小数点 闪烁 HCU2 确定
显示 状态 描述
小数点 闪烁 X167 确定
显示 状态 描述
小数点 闪烁 HCU1 确定
开关 状态 信号名称 描述
S1.1 关闭 HCU_CM_FPGA_IO_2 "S0" (悬臂编码),未使用
S1.2 关闭 HCU_CM_FPGA_IO_3 "S1" (悬臂编码),未使用
S1.3 关闭 HCU1_RESET_N "R_HCU1",开:重置 HCU1
S1.4 关闭 HCU2_RESET_N "R_HCU2",开:重置 HCU2
S1.5 关闭 RSINS "R_X167",开:重置 TQ 模块
S1.6 关闭 HCU_COM_BOOT_N "B_HCUX",开:设置 HCU 为引导模式
S1.7 关闭 BOOTSTR "B_XC167",开:设置 TQ 模块为引导模式
S1.8 - - “ 空闲 ”,未使用
LED 颜色 状态 信号名称 描述

电路板 CP12:CP6 的描述
SP_12 数字式中部分配器 [00330648-05]
贴片头 PCB 概述 分析 9
2.2
2.2 SP_12 数字式中部分配器 [00330648-05]
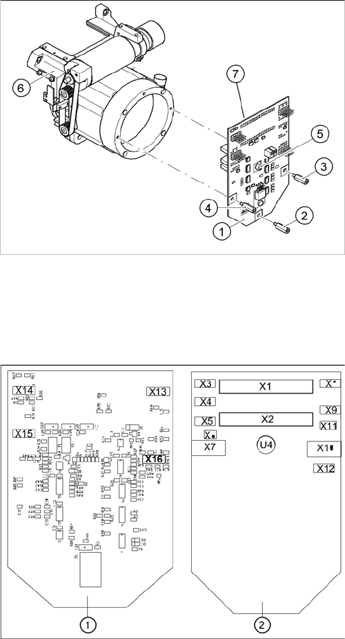
SP_12 数字式中部分配器 [00330648-05]
中部分配器 (1) 通过四颗垫块螺栓 (项目 2、3、4 与 5)固定于前半部分 (6)。中部分配器的盖通过按钮
固定。
从中部分配器上的插头 X1 与 X2 引出的两根 40 针的扁平带状电缆连接贴片头板上的插槽 X14 / X13。
以下电源电压与信号通过中部分配器排线至单个的贴片头模块或贴片头板:
中部分配器
1. 中部分配器
2. 垫块螺栓 M3x10
3. 垫块螺栓 M3x10
4. 垫块螺栓 M3x10
5. 垫块螺栓 M3x10
6. C&P 的前半部分
7. 接头 X1 与 X2 (位于后方)
插槽的位置
1. 中部分配器的前部
2. 中部分配器的后部
U4 = 压力传感器