P-0219-001 - 第11页
Key No . P AR T No. P AR T NAME Q’ty REMARKS NOTE MODEL CV-5062FL 0208-001 HL-3 21 3 630 060 6973 SENSOR,PHOTO 2 -BPH641,-BPH642 742HLF1 1H-013 22 7 630 075 231 1 BRACKET 1 742HLF1 1B-027 22 8 630 075 2328 BRACKET 1 742H…

MODEL CV-5062FL
0208-001
延長コンベアFL Extended Conveyor FL
Fig. HL-3
基板検出センサ、基板ストッパ
P.C.B. Sensor,P.C.B. Stopper
277
278
276
213
272
273
271
277
276
228
274
272
271
229
272
271
229
277
279
227
277
278
276
267
268
266
232
236
234
234
277
276
278
213
276
274
272
271
273
279
Fig.HL-3
CV-5062FL
See Fig.HL-1
Key No.20
See Fig.HL-1
Key No.16
247 235 237 246

Key No. PART No. PART NAME Q’ty REMARKS
NOTE
MODEL CV-5062FL
0208-001
HL-3
213 630 060 6973 SENSOR,PHOTO 2 -BPH641,-BPH642 742HLF11H-013
227 630 075 2311 BRACKET 1 742HLF11B-027
228 630 075 2328 BRACKET 1 742HLF11B-028
229 630 075 2335 BLOCK 2 742HLF11B-029
232 630 086 6728 BRACKET 1 742HLF11B-032
234 630 075 1055 CYLINDER 1 -YSV601 742HLF11H-034
235 630 075 1772 VALVE 1 -YSV601 742HLF11H-035
236 630 003 5124 AIR LINE EQPT 2 742HLF11H-036
237 630 071 9192 AIR LINE EQPT 2 742HLF11H-037
266 411 141 4107 WASHER V 5X10X1 2 FW5
267 411 141 6705 WASHER SPR 5 2 SW5
268 630 000 7749 BOLT,HEX-SCT 2 M5X10
271 411 141 4008 WASHER V 4X9X0.8 8 FW4
272 411 141 2905 WASHER SPR 4 8 SW4
273 630 000 7619 BOLT,HEX-SCT 4 M4X8
274 630 000 7657 BOLT,HEX-SCT 4 M4X16
276 411 119 1909 WASHER V 3X7X0.5 10 FW3 F
277 411 086 4408 WASHER SPR 3 10 SW3 F
278 411 113 0700 SCR PAN 3X16 6 M3X16 PAN
279 411 054 6809 NUT HEX 3 4 M3 F

MODEL CV-5062FL
0208-001
延長コンベアFL Extended Conveyor FL
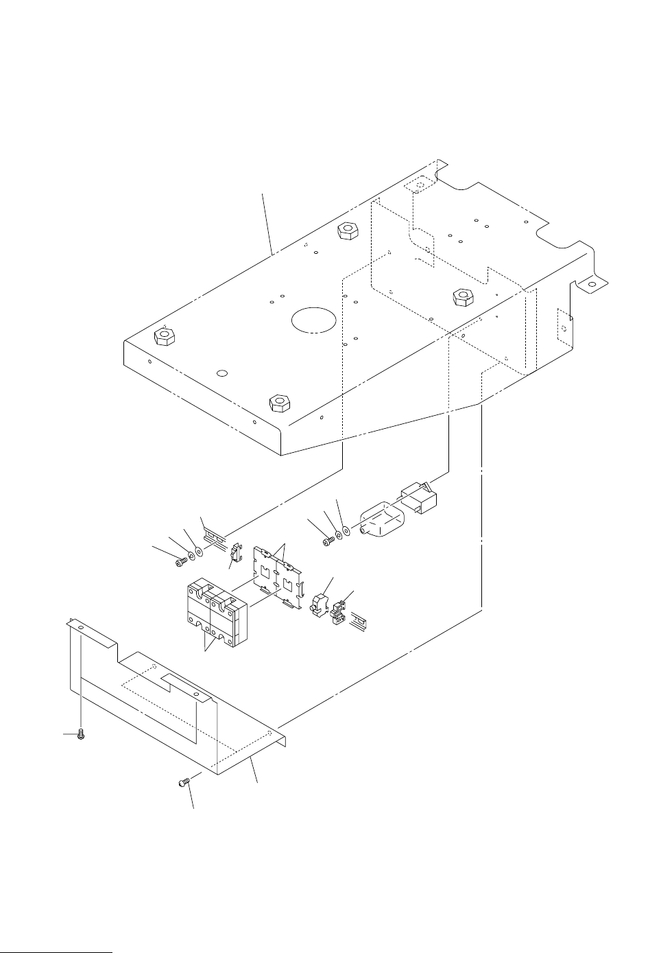
Fig. HL-4 電装部品 Electrical Parts
331
332
333
326
357
356
352
354
353
.
355
351
319
319
317
327
328
Fig.HL-4
CV-5062FL
See Fig.HL-1
Key No.16