P-0219-001 - 第29页
Key No . P AR T No. P AR T NAME Q’ty REMARKS NOTE MODEL CV-5062RL 0208-001 HL-4 31 7 630 075 2243 COVER 1 742HLR1 1B-017 3 19 4 1 1 1 40 8 007 SCR TRS 5X6 4 M5X6 TRS 3 2 6 411 0 88 1 70 2 WASHER V 5X10X1 2 FW5 F 3 27 4 1…

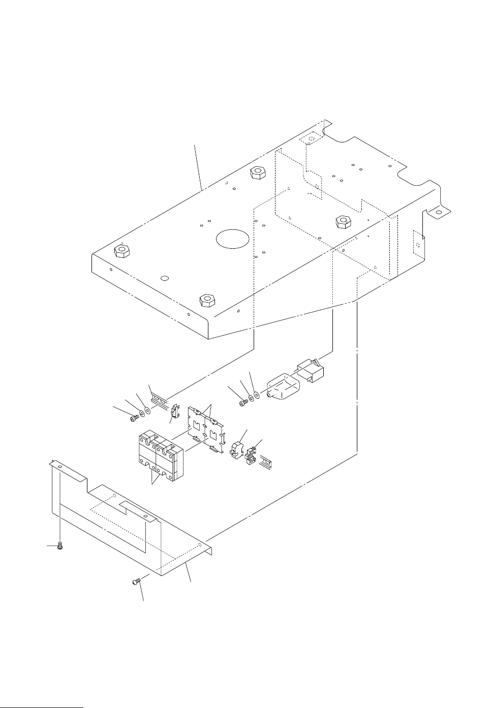
MODEL CV-5062RL
0208-001
延長コンベアRL Extended Conveyor RL
Fig. HL-4 電装部品 Electrical Parts
331
332
333
326
357
356
352
354
353
.
355
351
319
319
317
327
328
Fig.HL-4
CV-5062RL
See Fig.HL-1
Key No.16

Key No. PART No. PART NAME Q’ty REMARKS
NOTE
MODEL CV-5062RL
0208-001
HL-4
317 630 075 2243 COVER 1 742HLR11B-017
319 411 140 8007 SCR TRS 5X6 4 M5X6 TRS
326 411 088 1702 WASHER V 5X10X1 2 FW5 F
327 411 008 2109 WASHER SPR 5 2 SW5 F
328 411 113 2803 SCR PAN 5X8 2 M5X8 PAN
331 411 119 2104 WASHER V 4X9X0.8 1 FW4 F
332 411 008 1706 WASHER SPR 4 1 SW4 F
333 411 043 5004 SCR PAN 4X8 1 M4X8 PAN
351 630 049 1210 RELAY 2 -KSSR601,-KSSR602
742HLR11D-051
352 630 049 1661 BRACKET,WIRING 2 742HLR11D-052
353 630 049 1173 FUSE HOLDER 1 742HLR11D-053
354 423 025 1904 FUSE 250V 1.6A 1 -F601 742HLR11D-054
355 630 049 3672 BRACKET,WIRING 1 742HLR11D-055
356 630 000 1051 BRACKET,WIRING 1 742HLR11D-056

MODEL CV-5062RR
0208-001
延長コンベアRR Extended Conveyor RR
Fig. HR-1 コンベア Conveyor
51
63
62
14
56
57
58
26
16
52
53
Fig.HR-1
CV-5062RR
14
6
14
31
9
10
22
20
22
22
21
8
2
2
9
9
10
10
1
89
64
18
62
14
62
65
15
77
78
62
65
68
67
66
80
9
10
A
8
A
9
B
B
65
64
62
61
14
23
23
7
38
19
22
42
24
83
82
79
33
62
65
5
62
14
77
66
67
70
2
2
9
80
90
72
67
66
83
82
83
82
83
82
83
82
72
67
66
72
67
73
66
67
72
77
79
66
67
72
73
67
72