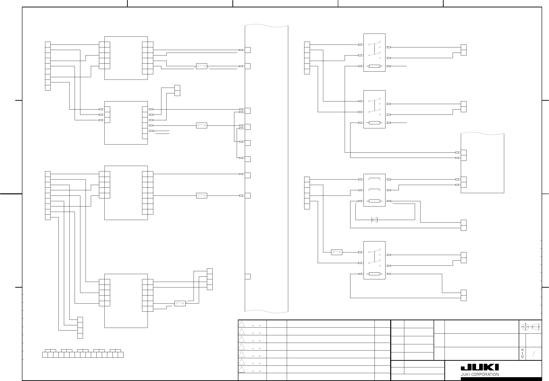
KE-3010_电路图.pdf - 第12页
̡ - ' 8 4 2 5 7 9 + 4 + 0 ) & + # ) 4 # / : . 㧖 㧖 . 1 # & . + 0 ' * # % 2 $ 5 7 8 9 2 …

′
*
*
*
*
*
*
*
*
K
E
-
3
0
2
0
V
R
P
S
U
W
I
R
I
N
G
D
I
A
G
R
A
M
3
3
*
#
*
4
0
1
3
3
9
5
3
P
O
W
E
R
P
C
B
4
0
1
0
9
8
8
1
T
B
4
+
2
4
V
A
(
3
-
4
B
)
+
2
4
V
A
(
3
-
4
B
)
P
O
W
E
R
P
C
B
4
0
1
0
9
8
8
1
t
o
o
v
e
r
a
l
l
r
e
p
l
a
c
e
m
e
n
t
t
a
b
l
e
(
F
)
t
o
X
Y
-
R
E
L
A
Y
B
O
A
R
D
(
3
-
5
B
)
8
A
8
B
1
0
0
V
A
0
V
A
F
G
8
C
1
1
A
T
B
1
1
1
B
1
1
C
1
4
A
1
4
B
1
4
C
C
N
1
A
C
(
L
)
1
N
C
2
3
4
5
A
C
(
N
)
N
C
F
G
1
2
3
4
5
1
2
3
4
5
6
P
S
1
+
6
V
7
5
W
(
1
2
.
5
A
)
C
N
2
-
V
-
V
-
V
+
V
+
V
+
V
8
7
+
6
V
G
N
D
+
6
V
P
3
3
1
P
3
0
3
P
3
0
4
P
3
0
7
2
+
2
4
V
A
R
E
T
1
+
2
4
V
A
9
A
9
B
1
0
0
V
A
0
V
A
F
G
9
C
1
2
A
T
B
1
1
2
B
1
2
C
1
5
A
1
5
B
1
5
C
P
3
0
2
P
3
0
6
P
3
3
2
P
3
1
0
4
+
2
4
V
B
R
E
T
3
+
2
4
V
B
1
2
3
4
5
6
P
3
0
9
5
+
2
4
V
C
6
+
2
4
V
C
R
E
T
9
N
C
(
2
-
5
C
)
3
A
3
B
1
0
0
V
B
0
V
B
3
C
6
A
T
B
1
6
B
6
C
K
X
0
0
0
0
0
0
3
7
0
L
G
A
7
5
A
-
6
-
X
J
U
K
2
A
2
B
1
0
0
V
B
0
V
B
2
C
5
A
T
B
1
5
B
5
C
1
2
C
N
0
6
5
1
0
0
V
B
3
F
0
V
B
3
F
1
2
C
N
0
6
6
1
0
0
V
B
3
F
0
V
B
3
F
(
3
-
3
D
)
1
2
O
K
-
F
(
N
)
O
K
-
R
(
N
)
T
B
5
1
2
1
0
0
V
B
2
0
V
B
2
T
B
2
1
4
C
A
R
R
Y
S
V
O
N
+
2
4
V
C
N
0
6
4
(
2
-
5
C
)
H
B
0
0
1
1
0
0
0
0
0
,
H
B
0
0
1
1
0
0
0
1
0
G
7
L
-
2
A
-
B
U
B
J
(
D
C
2
4
V
)
R
L
4
4
2
6
8
0
1
D
4
P
3
1
6
t
o
o
v
e
r
a
l
l
r
e
p
l
a
c
e
m
e
n
t
t
a
b
l
e
(
R
)
H
A
0
0
5
2
4
0
0
0
E
W
2
8
X
Q
1
A
-
1
2
H
A
0
0
5
4
2
0
0
0
A
N
R
W
1
0
-
5
A
P
S
2
+
2
4
V
3
0
0
W
(
1
4
A
)
T
B
1
F
G
A
C
(
L
)
A
C
(
N
)
T
B
2
-
V
-
V
-
V
+
V
+
V
+
V
H
X
0
0
5
4
3
0
0
0
A
L
D
A
3
0
0
W
-
2
4
P
3
0
5
P
3
1
7
H
A
0
0
5
4
2
0
0
0
C
N
R
W
1
0
-
1
0
A
P
3
1
5
C
P
1
3
(
3
A
)
H
A
0
0
5
2
4
0
0
0
0
W
2
8
X
Q
1
A
-
3
H
B
0
0
1
5
4
0
0
0
0
,
H
B
0
0
1
5
4
0
0
1
0
G
2
R
-
2
-
S
D
(
D
C
2
4
V
)
,
P
2
R
F
-
0
8
7
5
4
2
8
3
1
6
+
-
R
L
7
1
2
+
2
4
V
S
A
F
E
_
S
V
O
N
1
2
C
N
0
6
2
1
0
0
V
B
3
F
0
V
B
3
F
C
N
0
6
1
t
o
X
Y
-
R
E
L
A
Y
B
O
A
R
D
P
3
2
5
P
3
2
7
P
3
2
6
P
3
2
8
P
3
2
9
t
o
R
O
T
A
R
Y
F
L
U
X
E
R
M
O
T
O
R
+
2
4
V
A
(
2
-
3
B
)
H
B
0
0
1
5
4
0
0
0
0
,
H
B
0
0
1
5
4
0
0
1
0
G
2
R
-
2
-
S
D
(
D
C
2
4
V
)
,
P
2
R
F
-
0
8
R
L
2
7
5
4
2
8
3
1
6
+
-
P
3
1
8
P
3
2
1
P
3
2
0
H
B
0
0
1
5
4
0
0
0
0
,
H
B
0
0
1
5
4
0
0
1
0
G
2
R
-
2
-
S
D
(
D
C
2
4
V
)
,
P
2
R
F
-
0
8
R
L
3
7
5
4
2
8
3
1
6
+
-
+
2
4
V
A
(
2
-
3
B
)
P
3
2
1
P
3
2
2
P
3
2
3
P
3
2
4
P
3
1
9
1
2
G
N
D
+
2
4
V
A
R
E
T
A
1
A
2
B
1
B
2
P
3
3
0
C
O
P
L
A
-
P
S
H
A
0
0
5
4
2
0
0
0
A
N
R
W
1
0
-
5
A
1
2
C
N
6
0
+
1
2
V
R
E
T
3
4
+
1
2
V
R
E
T
+
1
2
V
+
1
2
V
t
o
S
V
C
S
P
C
B
P
3
3
4
P
3
3
3
C
P
7
(
1
0
A
)
C
P
8
(
1
2
A
)
C
P
9
(
5
A
)
C
P
1
0
(
5
A
)
C
N
1
A
C
(
L
)
1
N
C
2
3
4
5
A
C
(
N
)
N
C
F
G
1
2
3
4
5
1
2
3
4
5
6
P
S
3
+
2
4
V
1
0
0
W
(
4
.
3
A
)
C
N
2
-
V
-
V
-
V
+
V
+
V
+
V
1
2
3
4
5
6
H
X
0
0
6
9
0
0
0
0
0
L
G
A
1
0
0
A
-
2
4
-
J
1
Y
+
V
-
V
7
8
7
8
C
N
1
A
C
(
L
)
1
N
C
2
3
4
5
A
C
(
N
)
N
C
F
G
1
2
3
4
5
1
2
3
4
5
6
P
S
4
+
1
2
V
1
0
0
W
(
8
.
5
A
)
C
N
2
-
V
-
V
-
V
+
V
+
V
1
2
3
4
5
6
H
X
0
0
7
0
2
0
0
0
0
L
G
A
7
5
A
-
1
2
-
J
1
Y
+
V
P
3
1
4
P
3
1
3
1
2
3
4
5
6
7
8
9
1
0
1
1
1
2
1
3
1
4
1
5
T
B
1
1
0
0
V
B
0
V
B
1
0
0
V
A
0
V
A
F
G
N
O
T
尺
度
型
式
品
番
品
名
承
認
検
図
設
計
製
図
作
成
保
管
類
似
担
当
記
号
日
付
変
更
番
号
変
更
記
事
D
C
B
A
5
4
3
2
1
C
B
A
D
T
S
K
1
0
-
A
3
-
V
0
1
E
D
A
M/C Rev. E or later

̡
-
'
8
4
2
5
7
9
+
4
+
0
)
&
+
#
)
4
#
/
:
.
㧖
㧖
.
1
#
&
.
+
0
'
*
#
%
2
$
5
7
8
9
2
%
2
#
2
#
$
%
#
$
%
#
$
%
$
%
#
$
%
#
$
%
$
%
#
$
#
#
%
*
$
%
*
$
)
,
#
$
&
%
8
4
.
#
#
&
%
0
:
%
0
;
.
%
0
;
4
#
#
$
$
$
*
$
%
*
$
)
,
#
$
&
%
8
4
.
#
#
&
#
#
#
$
$
$
#
#
#
$
$
$
#
6
$
2
2
2
2
2
2
2
2
2
%
0
8
:
;
5
8
1
0
*
-
*
-
#
#
9
)
*
-
$
*
-
#
#
9
)
*
-
$
*
-
#
#
9
)
*
-
*
-
#
9
)
2
#
#
$
$
*
-
*
-
#
9
)
%
0
6
$
7
8
9
8
8
#
6
$
0
1
6
ዤ
ᐲ
ဳ
ᑼ
ຠ
⇟
ຠ
ฬ
ᛚ
ᬌ
࿑
⸳
⸘
࿑
ᚑ
▤
㘃
ૃ
ᜂ
ᒰ
⸥
ภ
ᣣ
ઃ
ᄌ
ᦝ
⇟
ภ
ᄌ
ᦝ
⸥
4
0
㧰
㧯
㧮
㧭
2
%
$
0
1
.
1
%
#
6
+
1
0
㧡
㧠
㧟
㧞
㧝
㧯
㧮
㧭
㧰
6
5
-
#
8
'
&
#

㧖
㧖
<
ǰ
2
1
9
'
4
2
%
$
%
2
#
(
#
0
2
1
9
'
4
2
%
$
4
%
.
1
#
&
.
+
0
'
*
#
%
2
$
/
%
2
#
6
$
2
6
$
6
$
7
8
9
#
#
$
$
*
-
*
-
#
9
)
7
8
9
#
$
2
6
$
8
8
6
$
8
4
'
6
8
4
'
6
.
1
#
&
.
+
0
'
*
#
#
%
2
$
5
%
2
#
2
*
$
%
*
$
)
,
#
$
&
%
8
4
.
#
#
&
2
6
$
8
8
2
2
2
6
$
8
4
'
6
8
4
'
6
6
$
8
$
8
$
#
%
0
8
8
8
8
#
8
$
8
%
8
4
'
6
8
4
6
0
8
4
'
6
8
#
4
'
6
8
$
4
'
6
8
%
4
'
6
%
0
2
9
2
%
0
%
V
Q
:
;
4
'
.
#
;
$
1
#
4
&
<
6
5
8
1
0
%
0
#
#
.
0
(
)
$
$
%
0
#
8
#
#
#
$
%
$
%
$
%
6
$
#
#
#
$
%
$
%
$
%
6
$
%
2
#
2
2
2
2
2
2
6
$
8
$
8
$
8
#
8
#
(
)
%
#
#
#
$
%
$
%
$
%
6
$
2
2
*
#
$
9
:
3
#
*
#
'
9
:
3
#
6
$
7
8
9
#
*
-
$
*
-
#
8
8
6
$
%
0
V
Q
#
6
:
2
1
9
'
4
%
0
2
V
Q
:
;
4
'
.
#
;
$
1
#
4
&
2
2
*
$
%
*
$
)
,
#
$
&
%
8
#
#
&
4
.
%
0
#
2
7
/
2
*
-
#
*
-
#
9
)
.
0
̡
-
'
8
4
2
5
7
9
+
4
+
0
)
&
+
#
)
4
#
/
:
.
2
8
8
#
%
A
2
7
/
2
A
1
0
0
1
6
ዤ
ᐲ
ဳ
ᑼ
ຠ
⇟
ຠ
ฬ
ᛚ
ᬌ
࿑
⸳
⸘
࿑
ᚑ
▤
㘃
ૃ
ᜂ
ᒰ
⸥
ภ
ᣣ
ઃ
ᄌ
ᦝ
⇟
ภ
ᄌ
ᦝ
⸥
4
0
㧰
㧯
㧮
㧭
2
%
$
0
1
.
1
%
#
6
+
1
0
㧡
㧠
㧟
㧞
㧝
㧯
㧮
㧭
㧰
6
5
-
#
8
'
&
#