KE-3010_电路图.pdf - 第20页
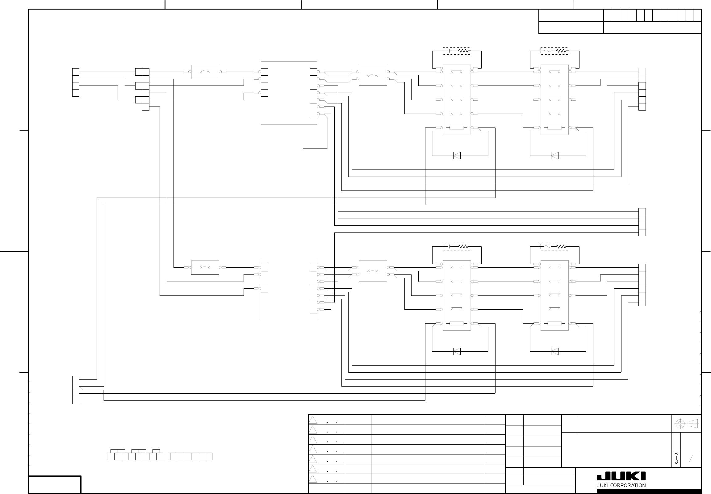
′ * * * * * * * * K E - 3 0 2 0 V R P S U ( E N ) W I R I N G D I A G R A M 1 3 * # * 4 0 1 3 3 9 5 6 2 0 0 U I N 2 0 0 V I N 2 0 0 W I N P 4 0 1 A 1 1 B 1 C 2 A 2 B 2 C 3 A 3 B 3 C 4 B 4 C 5 A 5 B 5 C 6 A 6 B 6 C 7 B 7 …

㧖
㧖
#
#
.
0
(
)
$
$
%
0
$
#
#
#
$
%
$
%
$
%
6
$
2
%
0
V
Q
(
'
'
&
'
4
2
%
$
(
A
'
$
=
0
?
8
4
A
'
$
=
0
?
8
6
$
#
%
.
2
5
8
9
#
%
0
0
%
(
)
6
$
8
8
8
8
*
:
7
#
9
5
4
%
*
$
%
*
$
)
,
#
$
&
%
8
4
.
#
#
&
2
2
.
1
#
&
.
+
0
'
*
#
$
%
2
$
5
%
2
#
.
1
#
&
.
+
0
'
*
#
%
%
2
$
5
%
2
#
4
*
$
%
*
$
)
,
#
$
&
%
8
4
.
#
#
&
2
2
%
0
8
8
V
Q
'
.
'
%
$
#
0
-
+
(
(
4
1
0
6
8
8
4
'
6
8
4
'
6
8
4
'
6
%
0
8
8
V
Q
'
.
'
%
$
#
0
-
+
(
4
'
#
4
8
8
4
'
6
8
4
'
6
8
4
'
6
4
%
*
$
%
*
$
)
,
#
$
&
%
8
4
.
#
#
&
2
4
*
$
%
*
$
)
,
#
$
&
%
8
4
.
#
#
&
2
2
6
$
#
%
.
2
5
8
9
#
%
0
0
%
(
)
6
$
8
8
8
8
*
:
7
#
9
5
.
1
#
&
.
+
0
'
*
#
$
%
2
$
5
%
2
#
.
1
#
&
.
+
0
'
*
#
%
%
2
$
5
%
2
#
2
6
$
7
8
9
2
2
2
2
2
2
2
2
/
1
0
+
8
8
8
4
'
6
8
4
'
6
2
2
2
2
2
2
2
2
2
2
#
8
8
6
$
#
#
#
$
$
$
#
#
#
$
$
$
*
-
$
*
-
8
#
4
'
6
$
̡
-
'
8
4
2
5
7
9
+
4
+
0
)
&
+
#
)
4
#
/
:
.
'
0
0
1
6
ዤ
ᐲ
ဳ
ᑼ
ຠ
⇟
ຠ
ฬ
ᛚ
ᬌ
࿑
⸳
⸘
࿑
ᚑ
▤
㘃
ૃ
ᜂ
ᒰ
⸥
ภ
ᣣ
ઃ
ᄌ
ᦝ
⇟
ภ
ᄌ
ᦝ
⸥
4
0
㧰
㧯
㧮
㧭
2
%
$
0
1
.
1
%
#
6
+
1
0
㧡
㧠
㧟
㧞
㧝
㧯
㧮
㧭
㧰
6
5
-
#
8
'
&
#

′
*
*
*
*
*
*
*
*
K
E
-
3
0
2
0
V
R
P
S
U
(
E
N
)
W
I
R
I
N
G
D
I
A
G
R
A
M
1
3
*
#
*
4
0
1
3
3
9
5
6
2
0
0
U
I
N
2
0
0
V
I
N
2
0
0
W
I
N
P
4
0
1
A
1
1
B
1
C
2
A
2
B
2
C
3
A
3
B
3
C
4
B
4
C
5
A
5
B
5
C
6
A
6
B
6
C
7
B
7
C
8
A
8
B
4
A
7
A
8
C
C
N
1
1
(
X
)
C
N
1
2
(
Y
L
)
C
N
1
3
(
Y
R
)
A
2
A
3
B
1
B
2
B
3
A
1
A
2
A
3
B
1
B
2
B
3
A
1
A
2
A
3
B
1
B
2
B
3
1
A
T
B
2
P
4
0
3
P
4
0
4
P
4
0
5
H
K
0
6
9
8
1
0
0
6
B
H
K
0
6
9
8
3
0
0
0
A
(
A
W
G
1
4
&
1
6
)
H
K
0
6
9
8
1
0
0
6
B
H
K
0
6
9
8
3
0
0
0
A
(
A
W
G
1
4
&
1
6
)
H
K
0
6
9
8
1
0
0
6
B
H
K
0
6
9
8
3
0
0
0
A
(
A
W
G
1
4
&
1
6
)
C
N
0
2
E
N
(
1
2
A
)
L
O
A
D
L
I
N
E
H
A
0
0
6
4
6
0
0
0
B
C
P
3
3
V
/
1
0
D
N
2
0
0
U
2
0
0
V
2
0
0
W
P
1
0
1
C
P
1
2
(
1
0
A
)
P
4
0
2
A
1
A
2
B
1
B
2
H
K
0
6
9
8
1
0
0
4
0
H
K
0
6
9
8
3
0
0
0
0
(
A
W
G
1
0
)
C
N
0
1
(
1
2
A
)
9
B
9
C
1
0
A
1
0
B
9
A
1
0
C
1
1
B
1
1
C
1
1
A
A
1
A
2
A
3
B
1
B
2
B
3
H
K
0
6
9
8
1
0
0
6
0
H
K
0
6
9
8
3
0
0
0
0
(
A
W
G
1
0
)
2
0
0
U
O
U
T
2
0
0
V
O
U
T
2
0
0
W
O
U
T
1
2
3
4
5
T
B
2
2
0
0
U
2
0
0
V
2
0
0
W
6
7
8
9
1
0
1
1
2
0
0
U
2
0
0
V
2
0
0
W
N
O
T
尺
度
型
式
品
番
品
名
承
認
検
図
設
計
製
図
作
成
保
管
類
似
担
当
記
号
日
付
変
更
番
号
変
更
記
事
D
C
B
A
5
4
3
2
1
C
B
A
D
T
S
K
1
0
-
A
3
-
V
0
1
E
D
A
M/C Rev. E or later

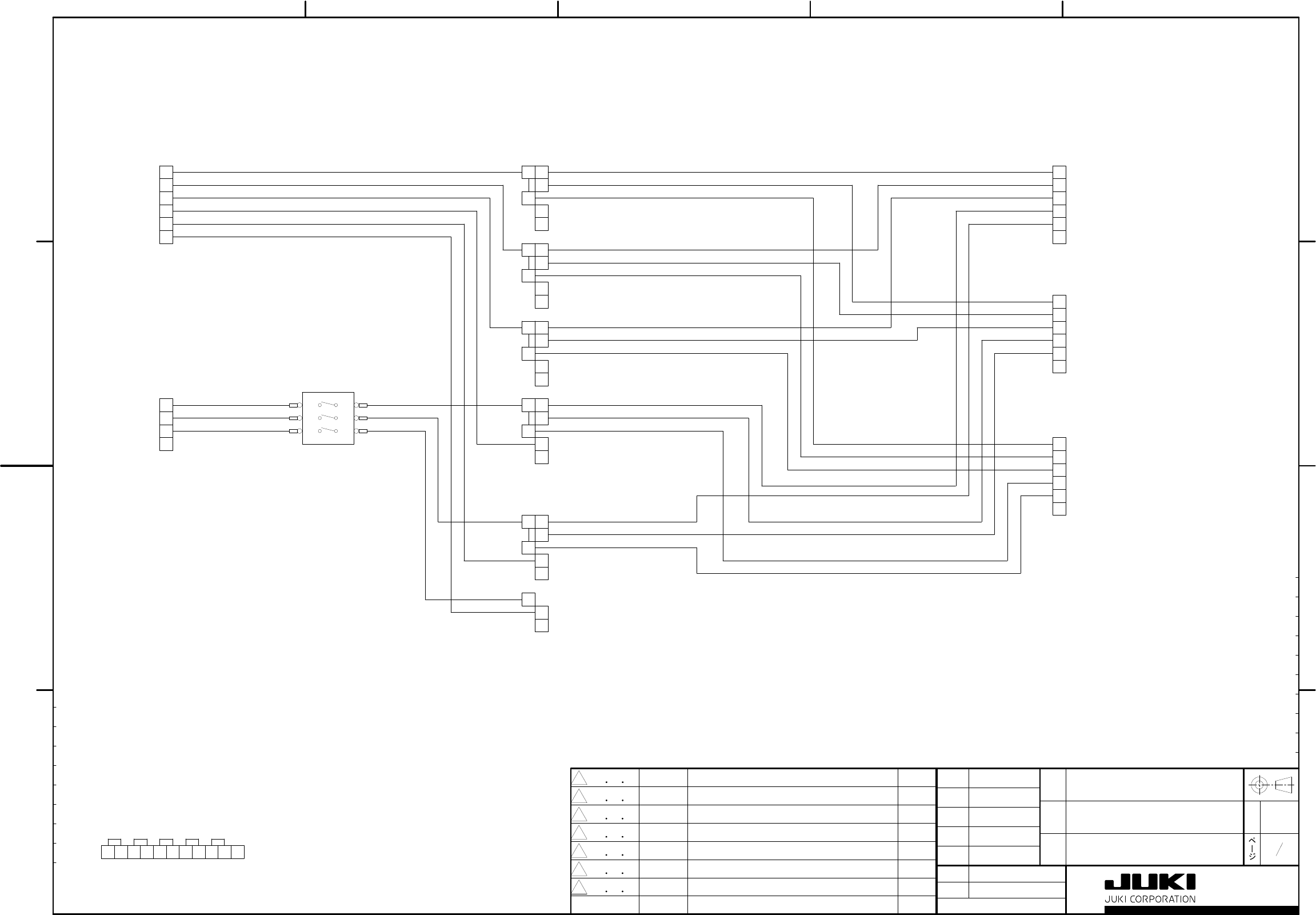
′
*
*
*
*
*
*
*
*
K
E
-
3
0
2
0
V
R
P
S
U
(
E
N
)
W
I
R
I
N
G
D
I
A
G
R
A
M
2
3
*
#
*
4
0
1
3
3
9
5
6
Z
/
θ
P
O
W
E
R
P
C
B
4
0
1
0
9
8
8
3
P
O
W
E
R
P
C
B
4
0
1
0
9
8
8
1
L
O
A
D
L
I
N
E
H
A
0
0
6
4
6
0
0
0
A
C
P
3
3
V
/
7
.
5
D
N
C
P
1
(
7
.
5
A
)
T
B
1
P
2
0
2
T
B
2
T
B
3
U
3
4
V
3
4
W
3
4
A
1
A
2
B
2
B
3
H
K
0
5
9
8
1
0
0
6
0
H
K
0
5
9
7
3
0
0
0
0
(
A
W
G
1
6
)
3
4
U
3
4
V
3
4
W
A
3
B
1
P
2
0
1
1
2
T
B
4
+
4
8
V
+
4
8
V
3
4
T
B
4
+
4
8
V
R
E
T
+
4
8
V
R
E
T
L
O
A
D
L
I
N
E
H
A
0
0
5
5
9
0
0
0
0
C
P
5
1
B
M
/
2
0
D
C
C
P
6
(
2
0
A
)
P
2
0
3
T
B
3
+
4
8
V
4
+
4
8
V
3
P
4
0
6
P
2
0
7
T
B
3
+
4
8
V
R
E
T
2
+
4
8
V
R
E
T
1
T
B
1
1
0
0
V
B
1
1
0
V
B
1
2
(
3
-
3
A
)
1
2
C
N
0
3
9
3
4
5
6
7
8
9
1
0
1
1
1
2
C
N
0
3
A
1
A
2
1
0
0
L
1
0
0
N
F
G
B
1
B
2
C
N
0
4
1
A
4
A
1
3
A
1
B
1
C
4
B
4
C
1
3
B
1
3
C
T
B
1
7
A
1
0
A
7
B
7
C
1
0
B
1
0
C
T
B
1
(
6
.
8
A
)
H
K
0
6
9
8
1
0
0
4
B
H
K
0
6
9
8
3
0
0
0
0
(
1
4
A
)
+
4
8
V
+
2
6
V
+
6
V
+
2
4
V
A
+
2
4
V
B
+
2
4
V
C
+
4
8
V
R
E
T
+
2
6
V
R
T
N
+
6
V
R
E
T
+
2
4
V
A
R
E
T
+
2
4
V
B
R
E
T
+
2
4
V
C
R
E
T
1
A
2
A
3
A
1
B
1
C
2
B
2
C
3
B
3
C
T
B
3
P
2
0
8
H
A
0
0
5
2
4
0
0
0
B
W
2
8
X
Q
1
A
-
8
H
A
0
0
5
2
4
0
0
0
E
W
2
8
X
Q
1
A
-
1
2
C
P
4
(
8
A
)
C
P
5
(
1
2
A
)
C
P
2
(
1
5
A
)
C
P
3
(
1
5
A
)
H
A
0
0
5
2
4
0
0
0
D
W
2
8
X
Q
1
A
-
1
5
P
2
0
9
P
2
1
1
P
2
1
4
P
2
1
8
P
2
1
2
P
2
1
3
P
2
1
5
P
2
1
6
P
2
1
7
P
2
1
0
2
C
N
0
6
3
t
o
A
T
X
-
P
O
W
E
R
1
P
2
2
0
C
N
1
4
(
P
U
M
P
)
1
2
H
K
0
3
4
6
2
0
0
2
0
H
K
0
3
4
6
3
0
0
0
0
(
A
W
G
1
8
)
C
N
6
8
2
1
+
2
4
V
V
A
C
_
P
U
M
P
_
O
N
1
0
0
L
1
0
0
N
P
2
2
1
t
o
X
Y
-
R
E
L
A
Y
B
O
A
R
D
P
2
2
2
P
2
2
3
H
B
0
0
1
2
8
0
0
0
C
H
B
0
0
0
5
8
0
0
1
0
G
7
J
-
4
A
-
B
(
D
C
2
4
V
)
3
4
4
4
2
4
1
4
A
2
3
3
2
3
1
3
A
1
4
3
D
8
R
L
8
1
2
3
4
5
6
7
8
9
1
0
1
1
1
2
1
3
1
4
1
5
T
B
1
1
0
0
V
B
0
V
B
1
0
0
V
A
0
V
A
F
G
1
2
3
1
0
0
V
T
B
3
N
O
T
尺
度
型
式
品
番
品
名
承
認
検
図
設
計
製
図
作
成
保
管
類
似
担
当
記
号
日
付
変
更
番
号
変
更
記
事
D
C
B
A
5
4
3
2
1
C
B
A
D
T
S
K
1
0
-
A
3
-
V
0
1
E
D
A
M/C Rev. E or later