KE-3010_电路图.pdf - 第21页
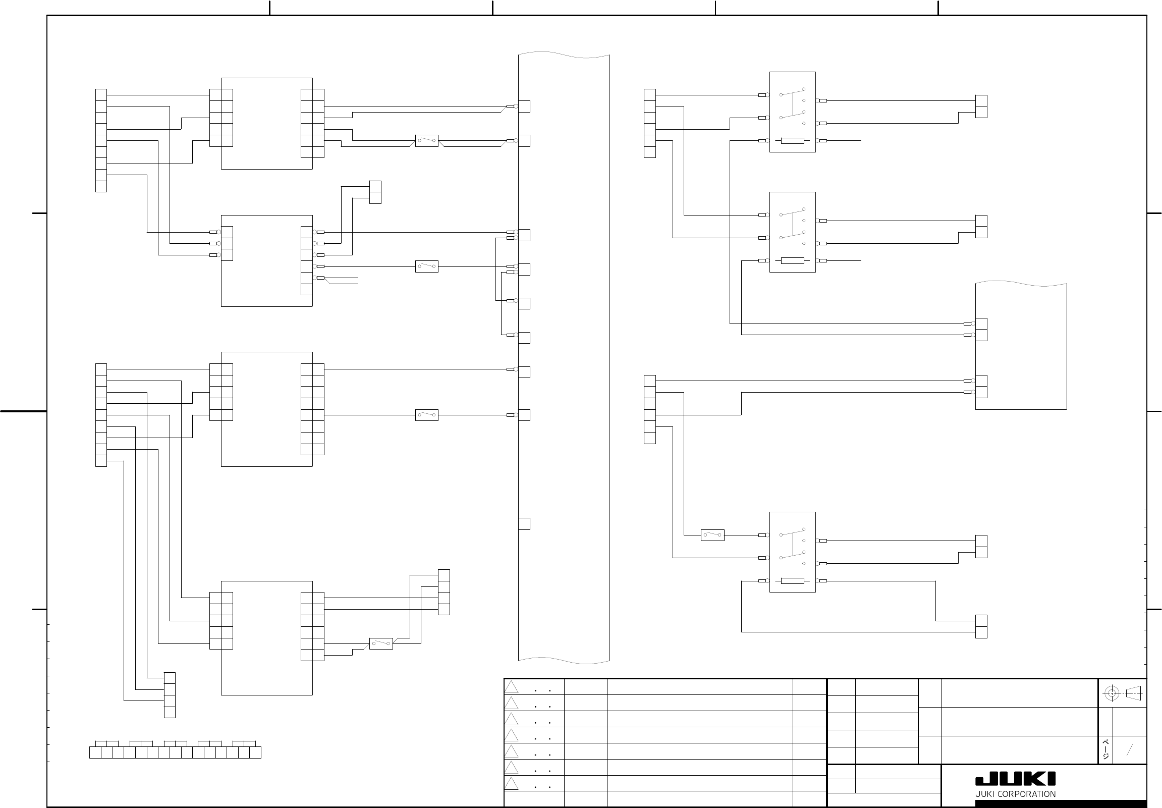
′ * * * * * * * * K E - 3 0 2 0 V R P S U ( E N ) W I R I N G D I A G R A M 2 3 * # * 4 0 1 3 3 9 5 6 Z / θ P O W E R P C B 4 0 1 0 9 8 8 3 P O W E R P C B 4 0 1 0 9 8 8 1 L O A D L I N E H A 0 0 6 4 6 0 0 0 A C P 3 3 V …

′
*
*
*
*
*
*
*
*
K
E
-
3
0
2
0
V
R
P
S
U
(
E
N
)
W
I
R
I
N
G
D
I
A
G
R
A
M
1
3
*
#
*
4
0
1
3
3
9
5
6
2
0
0
U
I
N
2
0
0
V
I
N
2
0
0
W
I
N
P
4
0
1
A
1
1
B
1
C
2
A
2
B
2
C
3
A
3
B
3
C
4
B
4
C
5
A
5
B
5
C
6
A
6
B
6
C
7
B
7
C
8
A
8
B
4
A
7
A
8
C
C
N
1
1
(
X
)
C
N
1
2
(
Y
L
)
C
N
1
3
(
Y
R
)
A
2
A
3
B
1
B
2
B
3
A
1
A
2
A
3
B
1
B
2
B
3
A
1
A
2
A
3
B
1
B
2
B
3
1
A
T
B
2
P
4
0
3
P
4
0
4
P
4
0
5
H
K
0
6
9
8
1
0
0
6
B
H
K
0
6
9
8
3
0
0
0
A
(
A
W
G
1
4
&
1
6
)
H
K
0
6
9
8
1
0
0
6
B
H
K
0
6
9
8
3
0
0
0
A
(
A
W
G
1
4
&
1
6
)
H
K
0
6
9
8
1
0
0
6
B
H
K
0
6
9
8
3
0
0
0
A
(
A
W
G
1
4
&
1
6
)
C
N
0
2
E
N
(
1
2
A
)
L
O
A
D
L
I
N
E
H
A
0
0
6
4
6
0
0
0
B
C
P
3
3
V
/
1
0
D
N
2
0
0
U
2
0
0
V
2
0
0
W
P
1
0
1
C
P
1
2
(
1
0
A
)
P
4
0
2
A
1
A
2
B
1
B
2
H
K
0
6
9
8
1
0
0
4
0
H
K
0
6
9
8
3
0
0
0
0
(
A
W
G
1
0
)
C
N
0
1
(
1
2
A
)
9
B
9
C
1
0
A
1
0
B
9
A
1
0
C
1
1
B
1
1
C
1
1
A
A
1
A
2
A
3
B
1
B
2
B
3
H
K
0
6
9
8
1
0
0
6
0
H
K
0
6
9
8
3
0
0
0
0
(
A
W
G
1
0
)
2
0
0
U
O
U
T
2
0
0
V
O
U
T
2
0
0
W
O
U
T
1
2
3
4
5
T
B
2
2
0
0
U
2
0
0
V
2
0
0
W
6
7
8
9
1
0
1
1
2
0
0
U
2
0
0
V
2
0
0
W
N
O
T
尺
度
型
式
品
番
品
名
承
認
検
図
設
計
製
図
作
成
保
管
類
似
担
当
記
号
日
付
変
更
番
号
変
更
記
事
D
C
B
A
5
4
3
2
1
C
B
A
D
T
S
K
1
0
-
A
3
-
V
0
1
E
D
A
M/C Rev. E or later

′
*
*
*
*
*
*
*
*
K
E
-
3
0
2
0
V
R
P
S
U
(
E
N
)
W
I
R
I
N
G
D
I
A
G
R
A
M
2
3
*
#
*
4
0
1
3
3
9
5
6
Z
/
θ
P
O
W
E
R
P
C
B
4
0
1
0
9
8
8
3
P
O
W
E
R
P
C
B
4
0
1
0
9
8
8
1
L
O
A
D
L
I
N
E
H
A
0
0
6
4
6
0
0
0
A
C
P
3
3
V
/
7
.
5
D
N
C
P
1
(
7
.
5
A
)
T
B
1
P
2
0
2
T
B
2
T
B
3
U
3
4
V
3
4
W
3
4
A
1
A
2
B
2
B
3
H
K
0
5
9
8
1
0
0
6
0
H
K
0
5
9
7
3
0
0
0
0
(
A
W
G
1
6
)
3
4
U
3
4
V
3
4
W
A
3
B
1
P
2
0
1
1
2
T
B
4
+
4
8
V
+
4
8
V
3
4
T
B
4
+
4
8
V
R
E
T
+
4
8
V
R
E
T
L
O
A
D
L
I
N
E
H
A
0
0
5
5
9
0
0
0
0
C
P
5
1
B
M
/
2
0
D
C
C
P
6
(
2
0
A
)
P
2
0
3
T
B
3
+
4
8
V
4
+
4
8
V
3
P
4
0
6
P
2
0
7
T
B
3
+
4
8
V
R
E
T
2
+
4
8
V
R
E
T
1
T
B
1
1
0
0
V
B
1
1
0
V
B
1
2
(
3
-
3
A
)
1
2
C
N
0
3
9
3
4
5
6
7
8
9
1
0
1
1
1
2
C
N
0
3
A
1
A
2
1
0
0
L
1
0
0
N
F
G
B
1
B
2
C
N
0
4
1
A
4
A
1
3
A
1
B
1
C
4
B
4
C
1
3
B
1
3
C
T
B
1
7
A
1
0
A
7
B
7
C
1
0
B
1
0
C
T
B
1
(
6
.
8
A
)
H
K
0
6
9
8
1
0
0
4
B
H
K
0
6
9
8
3
0
0
0
0
(
1
4
A
)
+
4
8
V
+
2
6
V
+
6
V
+
2
4
V
A
+
2
4
V
B
+
2
4
V
C
+
4
8
V
R
E
T
+
2
6
V
R
T
N
+
6
V
R
E
T
+
2
4
V
A
R
E
T
+
2
4
V
B
R
E
T
+
2
4
V
C
R
E
T
1
A
2
A
3
A
1
B
1
C
2
B
2
C
3
B
3
C
T
B
3
P
2
0
8
H
A
0
0
5
2
4
0
0
0
B
W
2
8
X
Q
1
A
-
8
H
A
0
0
5
2
4
0
0
0
E
W
2
8
X
Q
1
A
-
1
2
C
P
4
(
8
A
)
C
P
5
(
1
2
A
)
C
P
2
(
1
5
A
)
C
P
3
(
1
5
A
)
H
A
0
0
5
2
4
0
0
0
D
W
2
8
X
Q
1
A
-
1
5
P
2
0
9
P
2
1
1
P
2
1
4
P
2
1
8
P
2
1
2
P
2
1
3
P
2
1
5
P
2
1
6
P
2
1
7
P
2
1
0
2
C
N
0
6
3
t
o
A
T
X
-
P
O
W
E
R
1
P
2
2
0
C
N
1
4
(
P
U
M
P
)
1
2
H
K
0
3
4
6
2
0
0
2
0
H
K
0
3
4
6
3
0
0
0
0
(
A
W
G
1
8
)
C
N
6
8
2
1
+
2
4
V
V
A
C
_
P
U
M
P
_
O
N
1
0
0
L
1
0
0
N
P
2
2
1
t
o
X
Y
-
R
E
L
A
Y
B
O
A
R
D
P
2
2
2
P
2
2
3
H
B
0
0
1
2
8
0
0
0
C
H
B
0
0
0
5
8
0
0
1
0
G
7
J
-
4
A
-
B
(
D
C
2
4
V
)
3
4
4
4
2
4
1
4
A
2
3
3
2
3
1
3
A
1
4
3
D
8
R
L
8
1
2
3
4
5
6
7
8
9
1
0
1
1
1
2
1
3
1
4
1
5
T
B
1
1
0
0
V
B
0
V
B
1
0
0
V
A
0
V
A
F
G
1
2
3
1
0
0
V
T
B
3
N
O
T
尺
度
型
式
品
番
品
名
承
認
検
図
設
計
製
図
作
成
保
管
類
似
担
当
記
号
日
付
変
更
番
号
変
更
記
事
D
C
B
A
5
4
3
2
1
C
B
A
D
T
S
K
1
0
-
A
3
-
V
0
1
E
D
A
M/C Rev. E or later

′
*
*
*
*
*
*
*
*
K
E
-
3
0
2
0
V
R
3
3
*
#
*
4
0
1
3
3
9
5
6
P
O
W
E
R
P
C
B
4
0
1
0
9
8
8
1
T
B
4
+
2
4
V
A
(
3
-
4
B
)
+
2
4
V
A
(
3
-
4
B
)
(
3
-
5
B
)
8
A
8
B
1
0
0
V
A
0
V
A
F
G
8
C
1
1
A
T
B
1
1
1
B
1
1
C
1
4
A
1
4
B
1
4
C
C
N
1
A
C
(
L
)
1
N
C
2
3
4
5
A
C
(
N
)
N
C
F
G
1
2
3
4
5
1
2
3
4
5
6
P
S
1
+
6
V
7
5
W
(
1
2
.
5
A
)
C
N
2
-
V
-
V
-
V
+
V
+
V
+
V
8
7
+
6
V
G
N
D
+
6
V
P
3
3
1
P
3
0
3
P
3
0
4
P
3
0
7
2
+
2
4
V
A
R
E
T
1
+
2
4
V
A
9
A
9
B
1
0
0
V
A
0
V
A
F
G
9
C
1
2
A
T
B
1
1
2
B
1
2
C
1
5
A
1
5
B
1
5
C
P
3
0
2
P
3
0
6
P
3
3
2
P
3
1
0
4
+
2
4
V
B
R
E
T
3
+
2
4
V
B
1
2
3
4
5
6
P
3
0
9
9
N
C
(
2
-
5
C
)
K
X
0
0
0
0
0
0
3
7
0
L
G
A
7
5
A
-
6
-
X
J
U
K
H
A
0
0
5
2
4
0
0
0
E
W
2
8
X
Q
1
A
-
1
2
H
A
0
0
5
4
2
0
0
0
A
N
R
W
1
0
-
5
A
P
S
2
+
2
4
V
3
0
0
W
(
1
4
A
)
T
B
1
F
G
A
C
(
L
)
A
C
(
N
)
T
B
2
-
V
-
V
-
V
+
V
+
V
+
V
H
X
0
0
5
4
3
0
0
0
A
L
D
A
3
0
0
W
-
2
4
P
3
0
5
H
A
0
0
5
4
2
0
0
0
C
N
R
W
1
0
-
1
0
A
A
1
A
2
B
1
B
2
P
3
3
0
C
O
P
L
A
-
P
S
P
S
U
(
E
N
)
W
I
R
I
N
G
D
I
A
G
R
A
M
P
3
3
3
C
P
7
(
1
0
A
)
C
P
8
(
1
2
A
)
C
P
9
(
5
A
)
P
O
W
E
R
P
C
B
4
0
1
0
9
8
8
1
+
2
4
V
A
(
2
-
3
B
)
t
o
o
v
e
r
a
l
l
r
e
p
l
a
c
e
m
e
n
t
t
a
b
l
e
(
F
)
3
A
3
B
1
0
0
V
B
0
V
B
3
C
6
A
T
B
1
6
B
6
C
H
B
0
0
1
5
4
0
0
0
0
,
H
B
0
0
1
5
4
0
0
1
0
G
2
R
-
2
-
S
D
(
D
C
2
4
V
)
,
P
2
R
F
-
0
8
R
L
2
7
5
4
2
8
3
1
6
+
-
2
A
2
B
1
0
0
V
B
0
V
B
2
C
5
A
T
B
1
5
B
5
C
P
3
1
8
P
3
2
1
1
2
C
N
0
6
5
1
0
0
V
B
3
F
0
V
B
3
F
P
3
2
0
H
B
0
0
1
5
4
0
0
0
0
,
H
B
0
0
1
5
4
0
0
1
0
G
2
R
-
2
-
S
D
(
D
C
2
4
V
)
,
P
2
R
F
-
0
8
R
L
3
7
5
4
2
8
3
1
6
+
-
+
2
4
V
A
(
2
-
3
B
)
P
3
2
1
1
2
C
N
0
6
6
1
0
0
V
B
3
F
0
V
B
3
F
P
3
2
2
(
3
-
3
D
)
1
2
O
K
-
F
(
N
)
O
K
-
R
(
N
)
T
B
5
1
2
1
0
0
V
B
2
0
V
B
2
T
B
2
P
3
2
3
P
3
2
4
t
o
o
v
e
r
a
l
l
r
e
p
l
a
c
e
m
e
n
t
t
a
b
l
e
(
R
)
P
3
1
9
C
P
1
3
(
3
A
)
H
A
0
0
5
2
4
0
0
0
0
W
2
8
X
Q
1
A
-
3
H
B
0
0
1
5
4
0
0
0
0
,
H
B
0
0
1
5
4
0
0
1
0
G
2
R
-
2
-
S
D
(
D
C
2
4
V
)
,
P
2
R
F
-
0
8
7
5
4
2
8
3
1
6
+
-
R
L
7
1
2
+
2
4
V
S
A
F
E
_
S
V
O
N
1
2
C
N
0
6
2
1
0
0
V
B
3
F
0
V
B
3
F
C
N
0
6
1
t
o
X
Y
-
R
E
L
A
Y
B
O
A
R
D
P
3
2
5
P
3
2
7
P
3
2
6
P
3
2
8
P
3
2
9
P
4
0
7
t
o
R
O
T
A
R
Y
F
L
U
X
E
R
M
O
T
O
R
1
2
G
N
D
+
2
4
V
A
R
E
T
P
3
1
3
C
N
1
A
C
(
L
)
1
N
C
2
3
4
5
A
C
(
N
)
N
C
F
G
1
2
3
4
5
1
2
3
4
5
6
P
S
3
+
2
4
V
1
0
0
W
(
4
.
3
A
)
C
N
2
-
V
-
V
-
V
+
V
+
V
+
V
1
2
3
4
5
6
H
X
0
0
6
9
0
0
0
0
0
L
G
A
1
0
0
A
-
2
4
-
J
1
Y
+
V
-
V
7
8
7
8
5
+
2
4
V
C
6
+
2
4
V
C
R
E
T
P
3
1
5
H
A
0
0
5
4
2
0
0
0
A
N
R
W
1
0
-
5
A
1
2
C
N
6
0
+
1
2
V
R
E
T
3
4
+
1
2
V
R
E
T
+
1
2
V
+
1
2
V
t
o
S
V
C
S
P
C
B
P
3
3
4
C
P
1
0
(
5
A
)
C
N
1
A
C
(
L
)
1
N
C
2
3
4
5
A
C
(
N
)
N
C
F
G
1
2
3
4
5
1
2
3
4
5
6
P
S
4
+
1
2
V
1
0
0
W
(
8
.
5
A
)
C
N
2
-
V
-
V
-
V
+
V
+
V
1
2
3
4
5
6
H
X
0
0
7
0
2
0
0
0
0
L
G
A
7
5
A
-
1
2
-
J
1
Y
+
V
P
3
1
4
+
2
4
V
A
R
E
T
1
2
3
4
5
6
7
8
9
1
0
1
1
1
2
1
3
1
4
1
5
T
B
1
1
0
0
V
B
0
V
B
1
0
0
V
A
0
V
A
F
G
N
O
T
尺
度
型
式
品
番
品
名
承
認
検
図
設
計
製
図
作
成
保
管
類
似
担
当
記
号
日
付
変
更
番
号
変
更
記
事
D
C
B
A
5
4
3
2
1
C
B
A
D
T
S
K
1
0
-
A
3
-
V
0
1
E
D
A
M/C Rev. E or later