00191027-01 - 第463页
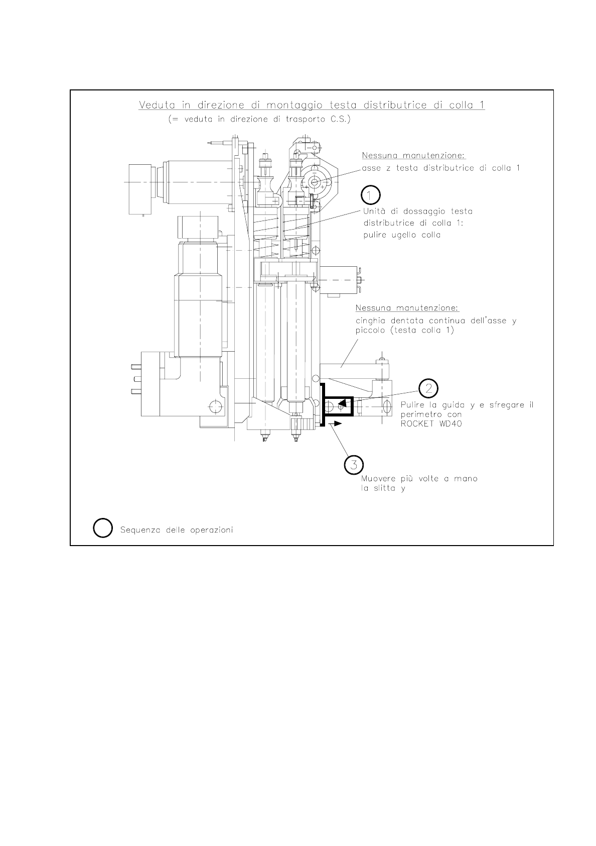
9 Manutenzione Istruzioni per l’uso SIPLACE 80 S/F/G 9.9 Testa distributrice di colla 1, 2 e 3 Edizione 07/97 Versione software dalla SR.010.xx 9 - 104 9.9.3 Smontare le cartucce colla e pulire gli ugelli della colla 9.9…

Istruzioni per l’uso SIPLACE 80 S/F/G 9 Manutenzione
Edizione 07/97 Versione software dalla SR.010.xx 9.9 Testa distributrice di colla 1, 2 e 3
9 - 103
Fig. 9.9.3 Operazioni di manutenzione nella testa distributrice di colla 1

9 Manutenzione Istruzioni per l’uso SIPLACE 80 S/F/G
9.9 Testa distributrice di colla 1, 2 e 3 Edizione 07/97 Versione software dalla SR.010.xx
9 - 104
9.9.3 Smontare le cartucce colla e pulire gli ugelli della colla
9.9.3.1 Smontare le cartucce colla ed estrarre l’ugello della colla
Fig. 9.9.4 Smontare le cartucce colla da 10 ml ed estrarre l’ugello della colla
- Didascalia della Fig. 9.9.4 Sequenza delle operazioni della Fig. 9.9.4
INDICAZIONE
I distanziatori delle teste colla 1 e 2 sono identici.
1 Ugello colla conico
2 Distanziatore
3 Anello a molla
4 Ugello colla cilindrico
5 Distanziatore
6 Ugello colla con distanziatore
A Allentare la vite godronata
B Tenere premuto alla cartuccia
C Afferrare qui l’unità di dosaggio e tirare verso l’alto
D Fare ruotare leggermente la cartuccia ed estrarla tirandola
verso l’alto
E Estrarre il distanziatore facendolo ruotare verso il basso
F Svitare l’ugello colla

Istruzioni per l’uso SIPLACE 80 S/F/G 9 Manutenzione
Edizione 07/97 Versione software dalla SR.010.xx 9.9 Testa distributrice di colla 1, 2 e 3
9 - 105
INDICAZIONE
L'assegnazione e la posizione dei distanziatori rispetto alle teste di distribuzione colla deve essere ripristinata
durante il montaggio, ovvero il distanziatore della testa 3 deve essere rimontato nella testa colla 3 e si deve
fare attenzione alla posizione del distanziatore. I distanziatori delle teste colla 1 e 2 sono identici.
INDICAZIONE
Durante l’installazione occorre ricordare che dopo il fissaggio della nuova cartuccia per colla l’unità di dosag-
gio dovrà essere spostata in basso e che l’elasticità non dovrà farla scattare in basso.
9.9.3.2 Pulizia degli ugelli della colla
INDICAZIONE
Eseguite la pulizia degli ugelli della colla prima delle altre operazioni di manutenzione delle teste distributrici
di colla, in modo che la colla non si secchi negli ugelli.
ATTENZIONE
O
Per la seguente operazione avrete bisogno di un solvente o di resina sintetica diluita = infiammabile!
Quindi il pericolo di incidenti è maggiore! Non maneggiate fuoco in nessun caso. Assicurate quindi in
modo consono l'area di lavoro attorno al bagno di ultrasuono ed all'asciugatura degli ugelli.
Lavorate solamente con uno scarico sufficientemente forte!
Intervalli di manutenzione:
Alluminio - Ugelli Dopo 1 settimana di esercizio o dopo 24 ore di inattività
Alluminio PTFE - Ugelli Dopo 2 settimane di esercizio o dopo 48 ore di inattività
Ugelli PTFE conici in alluminio Dopo 2 settimane di esercizio o dopo 48 ore di inattività
Ricambi:
Alluminio - Ugelli:
Questi ugelli vengono sostituiti da ugelli in alluminio PTFE.
Alluminio PTFE - Ugelli
Misura 0,30 mm Articolo N. 00317870-01
Misura 0,44 mm Articolo N. 00317871-01
Misura 0,60 mm Articolo N. 00317872-01
Distanziatore per ugelli PTFE in alluminio
Misura 0,10 mm Articolo N. 00305554-06
Misura 0,15 mm Articolo N. 00305555-06
Misura 0,2 mm Articolo N. 00305556-06
Misura 0,25 mm Articolo N. 00305557-06
Misura 0,3 mm Articolo N. 00305558-06