ASM0606_A10011-ASM-T56-CN-SIPLACE-TX-V2_DMS_05 2020 - 第39页
40 技术参数 使用输入 / 输出延长导 轨间隔尺寸 所有尺寸均以毫 米为单位。

39
技术参数
设备底脚间隙
所有尺寸均以毫米为单位。

40
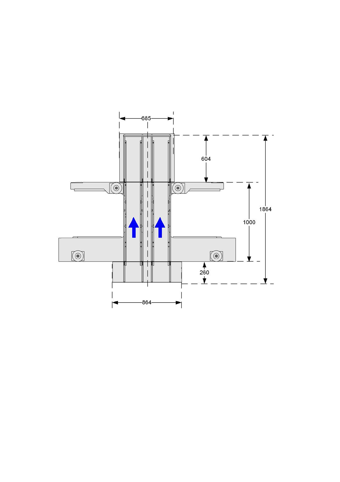
技术参数
使用输入/输出延长导轨间隔尺寸
所有尺寸均以毫米为单位。

41
技术参数
传输和交付配置
传输尺寸和重量
长度
2670 mm
宽度
2100 mm
高度
1850 mm
重量
发往欧洲内部
发往海外
TX
2350 kg
2600 kg
说明
在欧洲范围内,机器是装在
坚固的木制货盘上交货的。
如果运送到海外,机器则包
装在木制柳条箱中传输。
交货配置
传输方式
具有以下规格配置的叉车可以用来传输带包装箱的机器:
叉长
最小 1800 mm
提升力
最小 3000 kg
• 双 导 轨 的 轨 道 宽 度 为
210 mm。
• 未安装显示器。
• 未安装报警指示灯。
DANGER
危险
倾斜运输箱或货盘的风险!
请注意运输包装箱上标明的叉车和啮合点的规格,如果倾斜包装箱会有危险!
运输前,请参阅 SIPLACE TX 用户指南第四章,并遵守所有安全提示。