FX-3-Rev11(-J) - 第159页
- 154 - REF.NO NOTE PART NO D E S C R I P T I O N 品 名 Qty 1 400-65163 FRAME FAN LF CABLE ASM フレームファン LF ケーブル組 1 2 400-47810 Y BEAR A C ABLES ASM Y ベア A ケーブル組 1 3 400-65167 FRAME FAN RELAY CABLE ASM フレームファン中継ケーブル組 1 4 400…

- 153 -
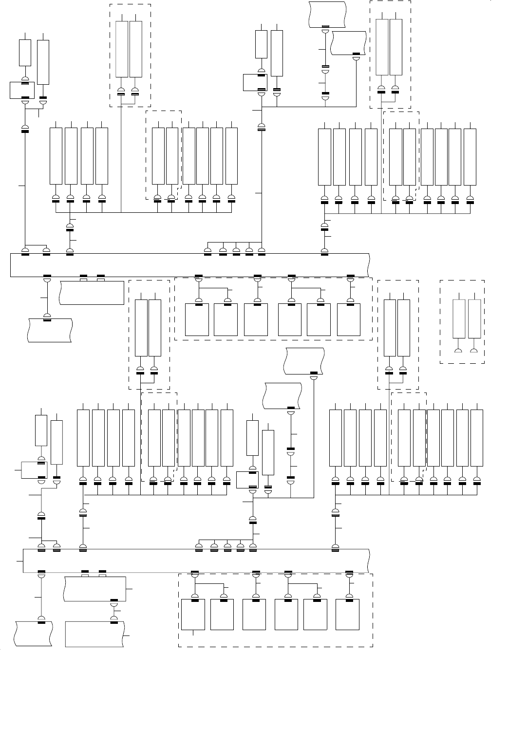
77.SYSTEM DIAGRAM (FRAME FAN)
SYSTEM DIAGRAM(FRAME FAN)
910
3
16
14
19
35
1
4
2
5678
11 12 13
15
17
18
42
40
41
36 37 38 3930 31 32 33 34
2625 27 28 2920 21 22 23 24
4948 50 51 52
43 44 45 46 47
9-1A
POWER UNIT
(L)
CN031
10-3A
PWRL031
F_FAN_LF
F_FA N0
F_FAN-1
F_FAN-2
F_FAN-3
F_FAN-4
F_FAN-5
F_FAN2
S1
S2
S3
S4
S5
S6
S7
S8
YFRAMEENDFAN(E)
Y FRAME EN D FAN (B)
X F RAME END FAN (A)
X FRAME EN D FAN (B)
X FRAME CENTER FAN
Y FRAME EN D FAN (C)
Y FRAME END FA N (D)
X FRAME END FA N (A)
X FRAME END FA N (B)
X FRAME CENTER FAN
F_FAN-1
F_FAN-2
F_FAN-3
F_FAN-4
F_FAN-5
F_FAN1
S1
S2
S3
S4
S5
S6
S7
S8
9-2A
POWER UNIT
(R)
CN032
10-4C
PWRR032 F_FAN_RR
F_FAN0
Y F RAME END FAN (C)
Y FRA ME EN D FAN (D)
X FRAME END FAN ( A)
X FRAME END FAN ( B)
X FRAME CENTER FAN
F_FAN -1
F_FAN-2
F_FAN-3
F_FA N-4
F_FA N-5
F_FA N1
S1
S2
S3
S4
S5
S6
S7
S8
Y FRA ME EN D FAN (A)
Y FRA ME EN D FAN (B)
XFRAMEENDFAN(A)
X FRA ME EN D FAN (B)
X FRA ME CE NTER FAN
F_FAN-1
F_FAN-2
F_FAN-3
F_FAN-4
F_FAN-5
F_FAN2
S1
S2
S3
S4
S5
S6
S7
S8
10-1A
POWER UNIT
(L)
CN032
11-1A
PWRL032 F_FAN_LR
F_FAN0
F_FAN 2
S1
S2
S3
S4
S5
S6
S7
S8
F_FAN-1
F_FA N-2
F_FAN-3
F_FAN-4
F_FAN-5
Y FRAME END FAN (A)
Y FRAME END FAN ( B)
X FRAME END FAN (A)
X FRAME END FAN (B)
X FRAME CENTER FAN
Y FRAME END FAN (C)
Y FRAME END FAN (D)
X FRAME END FAN (A)
X FRAME END FAN (B)
X FRAME CENTER FAN
F_FAN1
S1
S2
S3
S4
S5
S6
S7
S8
F_FAN-1
F_FAN-2
F_FAN-3
F_FAN-4
F_FAN-5
10-1 C
POWER UNIT
(R)
CN031
11-3A
PWRR 031
F_FAN_RF
F_FAN0
Y FRAME END FAN (E)
Y FRAME END FAN (B)
X FRAME END FAN (A)
X FRAME END FAN (B)
X FRAME CENTER FAN
F_FAN-1
F_FAN-2
F_FAN-3
F_FAN-4
F_FAN-5
F_FAN2
S2
S3
S4
S5
S6
S7
S8
S1
Y FRAME EN D FAN (C)
Y FR AME END FAN (D)
X FRAME EN D FAN (A)
X FRAME END FAN (B)
X FRAME CENTER FAN
F_FAN-1
F_FAN-2
F_FAN-3
F_FAN-4
F_FAN-5
F_FAN1
S1
S2
S3
S4
S5
S6
S7
S8
53 54
55
56
53
54
55
56

- 154 -
REF.NO NOTE PART NO D E S C R I P T I O N
品 名
Qty
1 400-65163 FRAME FAN LF CABLE ASM
フレームファン LF ケーブル組
1
2 400-47810 Y BEAR A CABLES ASM
Y ベア A ケーブル組
1
3 400-65167 FRAME FAN RELAY CABLE ASM
フレームファン中継ケーブル組
1
4 400-82676 Y FRAME END FAN CABLE E ASM
Y フレームエンドファンケーブル E 組
1
5 400-82670 Y FRAME END FAN CABLE B ASM
Y フレームエンドファンケーブル B 組
1
6 400-82673 X FRAME END FAN CABLE 1 ASM
X フレームエンドファンケーブル1組
1
7 400-82674 X FRAME END FAN CABLE 2 ASM
X フレームエンドファンケーブル2組
1
8 400-82675 X FRAME CENTER FAN CABLE ASM
X フレームセンターファンケーブル組
1
9 400-82671 Y FRAME END FAN CABLE C ASM
Y フレームエンドファンケーブル C 組
1
10 400-82672 Y FRAME END FAN CABLE D ASM
Y フレームエンドファンケーブル D 組
1
11 400-82673 X FRAME END FAN CABLE 1 ASM
X フレームエンドファンケーブル1組
1
12 400-82674 X FRAME END FAN CABLE 2 ASM
X フレームエンドファンケーブル2組
1
13 400-82675 X FRAME CENTER FAN CABLE ASM
X フレームセンターファンケーブル組
1
14 400-65166 FRAME FAN RR CABLE ASM
フレームファン RR ケーブル組
1
15 400-47810 Y BEAR A CABLES ASM
Y ベア A ケーブル組
1
16 400-65167 FRAME FAN RELAY CABLE ASM
フレームファン中継ケーブル組
1
17 400-65164 FRAME FAN LR CABLE ASM
フレームファン LR ケーブル組
1
18 400-47811 Y BEAR B CABLES ASM
Y ベア B ケーブル組
1
19 400-65167 FRAME FAN RELAY CABLE ASM
フレームファン中継ケーブル組
1
20 400-82669 Y FRAME END FAN CABLE A ASM
Y フレームエンドファンケーブル A 組
1
21 400-82670 Y FRAME END FAN CABLE B ASM
Y フレームエンドファンケーブル B 組
1
22 400-82673 X FRAME END FAN CABLE 1 ASM
X フレームエンドファンケーブル1組
1
23 400-82674 X FRAME END FAN CABLE 2 ASM
X フレームエンドファンケーブル2組
1
24 400-82675 X FRAME CENTER FAN CABLE ASM
X フレームセンターファンケーブル組
1
25 400-82671 Y FRAME END FAN CABLE C ASM
Y フレームエンドファンケーブル C 組
1
26 400-82672 Y FRAME END FAN CABLE D ASM
Y フレームエンドファンケーブル D 組
1
27 400-82673 X FRAME END FAN CABLE 1 ASM
X フレームエンドファンケーブル1組
1
28 400-82674 X FRAME END FAN CABLE 2 ASM
X フレームエンドファンケーブル2組
1
29 400-82675 X FRAME CENTER FAN CABLE ASM
X フレームセンターファンケーブル組
1
30 400-82669 Y FRAME END FAN CABLE A ASM
Y フレームエンドファンケーブル A 組
1
31 400-82670 Y FRAME END FAN CABLE B ASM
Y フレームエンドファンケーブル B 組
1
32 400-82673 X FRAME END FAN CABLE 1 ASM
X フレームエンドファンケーブル1組
1
33 400-82674 X FRAME END FAN CABLE 2 ASM
X フレームエンドファンケーブル2組
1
34 400-82675 X FRAME CENTER FAN CABLE ASM
X フレームセンターファンケーブル組
1
35 400-82671 Y FRAME END FAN CABLE C ASM
Y フレームエンドファンケーブル C 組
1
36 400-82672 Y FRAME END FAN CABLE D ASM
Y フレームエンドファンケーブル D 組
1
37 400-82673 X FRAME END FAN CABLE 1 ASM
X フレームエンドファンケーブル1組
1
38 400-82674 X FRAME END FAN CABLE 2 ASM
X フレームエンドファンケーブル2組
1
39 400-82675 X FRAME CENTER FAN CABLE ASM
X フレームセンターファンケーブル組
1
40 400-65165 FRAME FAN RF CABLE ASM
フレームファン RF ケーブル組
1
41 400-47811 Y BEAR B CABLES ASM
Y ベア B ケーブル組
1
42 400-65167 FRAME FAN RELAY CABLE ASM
フレームファン中継ケーブル組
1
43 400-82676 Y FRAME END FAN CABLE E ASM
Y フレームエンドファンケーブル E 組
1
44 400-82670 Y FRAME END FAN CABLE B ASM
Y フレームエンドファンケーブル B 組
1
45 400-82673 X FRAME END FAN CABLE 1 ASM
X フレームエンドファンケーブル1組
1
46 400-82674 X FRAME END FAN CABLE 2 ASM
X フレームエンドファンケーブル2組
1
47 400-82675 X FRAME CENTER FAN CABLE ASM
X フレームセンターファンケーブル組
1
48 400-82671 Y FRAME END FAN CABLE C ASM
Y フレームエンドファンケーブル C 組
1
49 400-82672 Y FRAME END FAN CABLE D ASM
Y フレームエンドファンケーブル D 組
1
50 400-82673 X FRAME END FAN CABLE 1 ASM
X フレームエンドファンケーブル1組
1
51 400-82674 X FRAME END FAN CABLE 2 ASM
X フレームエンドファンケーブル2組
1
52 400-82675 X FRAME CENTER FAN CABLE ASM
X フレームセンターファンケーブル組
1

- 155 -
78.SYSTEM DIAGRAM (FEEDER STATION)
SYSTEM DIAGRAM(FEEDER STATION)
1
89
2
4
5
8
9
6
7
10
11 12 13 14 15 16 17 18 19 20
21
22
23
24
25
26
31
27
28
29
30
33 34 35 36 37 38 39 40 41 42
43 44 4645
47
48 50
49 51
52
53
55 56 57 58
8281
8887
59 60 61 62 63 64
65
83
66
68 70 7169 72 73 74 75 76 77
78
79
80
84 85
86
32
91
67
54
93
94
3
FROAT-F
(RCV)
FROAT-R
(RCV)
ATC-CL
ATC-OP
BANK-
UPL
BANK-
UPR
ATC S .V
FROAT-F(E)
FROAT -R(E)
SOT-CHK
ATC S .V
FROAT-R
(RCV)
BANK-
UPR
BANK-
UPL
FROAT-F
(RCV)
SOT-CHK
FROAT -R(E)
FROAT-F(E)
ATC-CL
ATC-OP
FROAT -R
(RCV)
FROAT-F
(RCV)
ATC-CL
ATC-OP
ATC S.V
SOT- CHK
FROAT-R(E)
FROAT-F(E)
FROAT-F
(RCV)
FROAT-R
(RCV)
ATC-OP
ATC-CL
FROAT-F(E)
FROAT -R(E)
SOT-CHK
ATC S.V
CN023
FEEDER
PCB
(R)
FEEDER
PCB
(L)
90 92
BANK-
UPR
BANK-
UPL
BANK-
UPL
BANK-
UPR
CAL F
FDRL19
FDRL19
CN491
CAL F(R)
CN669
E-FROAT(RCV)
E-FR OAT(E)
CN492
CN491
CN669
XYEMGR
XYEMGR
POWER
UNIT
(R)
PWRL67
E-FROAT(E)
E-FR OAT(RCV)
CAL F(L)
CAL F
FDRL19
FDRL19
CN491
CN669
FDRL21
FDRL 21
FDRL 21
FDRL21
E-FROAT(RC V)
E-FROAT(E)
E-FROAT(RC V)
E-FROAT(E)
CAL R
CAL R(L)
CN491
CN669
CN492
FDL-1
PWRL023
CN20
CN20
CN5
CN5
CN1
CN19
CN19
J1
J2
J1
J2
FDR-1
PWRL0 23
CN20
CN15
CN20
CN5
CN5
CN28
CN28
CN27
CN27
CN30
CN30
CN16
CN17
CN21
CN21
CN18
12-1C
12-1C
CN067
CN7
13-1B
CN2
CN1
11-3C
11-3A
CN2
CN1
11-1A
11-5C
10-4C
CN541 FDR5
CN551
CN561
FDR16
CN541
FDR17
CN1
CN1
CN1
CN1
CN1
CN551
CN561
FLR18
CN1
12-1A
CN067
11-5C
CN7
9-2C
11-1A
PWRL67
XY7
XYEMGL
XYEMGL
CN2
CN1
CN2
CN1
CN20
CN20
CN5
CN5
CN19
CN19
CN1
P1
P2
CN2
J2
CN2
8-1B
CN1
CN023
10-3A
11-3C
CN1
11-3A
J1
CN541
FDL15
CN15
CN551
CN561
FDL16
CN16
CN17
FDL17CN541
CN551
CN20
CN20
CN5
CN5
CN28
CN28
CN27
CN27
CN30
CN30
FLD18
CN561
CN1
CN1
CN1
CN1
CN1
CN1
CN21
CN21
12-1A
CN18
BANK-UPL
BANK-UPR
POWER UNIT(L)
ETHER-SLAVE
PCB(FEEDER_L)
ETHER-SLAVE
PCB(F EEDER_ R)
LED PCB LF 1
LED PCB LF 2
LED PCB LF 3
LED P CB LR 1
LED P CB LR 2
LED P CB LR 3
FPI O PTION
CAL P CB
CAL S.V. (LF)
CAL VACUUM SENSOR (LF)
ATC OPEN SENSOR(LF)
ATC CLOSE SENSOR(LF)
FEED ER FLOAT SE NSOR(LF-F)
(RECEIVING)
FEED ER FLOAT SE NSOR(LF-R)
(RECEIVING)
in rhe case of "FIXED E LEC BA NK",
refer to 11-3D
BANK UP SENSOR (LF-L)
BANK UP SENSOR (LF-R)
ATC S.V (LF)
FEEDER FLOAT SE NSOR(LF-F)
(EMI SSION)
FEEDER FLOAT SE NSOR(LF-R)
(EMI SSION)
SOT CHECK S.V.
CAL PCB
CALS.V.(LR)
CAL V ACUUM S ENSOR (LR)
ATC OPEN SENSOR(LR)
ATC CLOSE SENSOR(LR)
FEEDER FLOAT SENSOR(LR-F)
(RECEIVING)
FEEDER FLOAT SENSOR(LR-R)
(RECEIVING)
in rhe case of "FIXED ELEC BANK",
refer to 11-3D
BANK UP SENSOR (LR-L)
BANK UP SENSOR (LR-R)
ATC S.V (LR)
FEEDER FLOAT SENSOR(LR-F)
(EMISSION)
FEEDER FLOAT SENSOR(LR-R)
(EMIS SION)
SOT CHECK S.V.
FIXEDELECBANK
BUP SENS SHORT ASM
BUP SENS SHORT ASM
MECH/ ELEC TROLY OPTION
ETF FORA SENSOR(LR)
(EMI SSION)
ETF FOAT SENSOR(LR)
(REC EIVING)
LED P CB RR 3
LED PCB RR 2
POWER UNIT(L)
LED PCB RR 1
XY RELAY PCB
LED PCB RF 1
FPI OPTION
LED PCB RF 2
LED PCB RF 3
MECH/ELEC TROLY OPTION
ETF FOAT SENSOR(LF)
(REC EIVING)
ETF FORA SENSOR(LF)
(EMISSION)
ETHER-SLAVE
PCB(FEEDER_R)
POWER UNIT(R)
ATC OPEN SENSOR(RF)
ATC CLOSE SENSOR(RF)
FEEDER FLOAT SE NSOR(R F-F)
(RECEIVING)
FEEDER FLOAT SE NSOR(R F-R)
(RECEIVING)
in rhe case of "FIXED ELEC BANK",
refer t o 11-3 D
BANK UP SENSOR (RF-L)
BANK UP SENSOR (RF-R)
ATC S.V (RF)
FEEDER FLOAT SE NSOR(R F-F)
(EMISSION)
FEED ER FLOAT S ENSOR(RF-R)
(EMISSION)
SOT CHECK S.V.
CAL R
CAL R(R)
CAL PCB
CAL S .V. (LR)
CAL VACUUM SENSOR (LR)
ATC OPEN SENSOR( RR)
ATC CLOSE SENSOR(RR)
FEEDER FLOAT SEN SOR(RR -F)
(RECEIVING)
FEEDER FLOAT SENSOR(RR-R)
(REC EIVING)
inrhecaseof"FIXEDELECBANK",
refer to 11-3D
BANK UP SENSOR (RR-L)
BANK UP SENSOR (RR-R)
ATC S.V (RF)
FEEDER FLOAT SEN SOR(RR- F)
(EMISSION)
FEEDER FLOAT SENSOR(RR-R)
(EMISSION)
SOT CHECK S.V.
MECH/ELEC TROLY OPTION
ETF FORA SENSOR( RR)
(EMISSION)
ETFFOATSENSOR(RR)
(RECEIVING)
XY7
XY RELAY PCB
ETF F OAT SENSOR(RF)
(RECEIVING)
ETF FORA SENSOR(RF)
(EMISSION)
MECH /ELEC TROLY OPTION
CAL S .V. (RF)
CAL VACUUM SENSOR (RF)
CAL PCB