FX-3-Rev11(-J) - 第163页
- 158 - REF.NO NOTE PART NO D E S C R I P T I O N 品 名 Qty 1 400-47481 FEEDER IF RELAY(F) CABLE ASM フィーダ IF 中継ケーブル(F)組 1 2 400-48179 FEEDER PCB(LF) IF CABLE AS M フィーダ基板(LF)IF ケーブル組 1 3 400-48189 MECH BANK RELAY WIRE ASM メ…

- 157 -
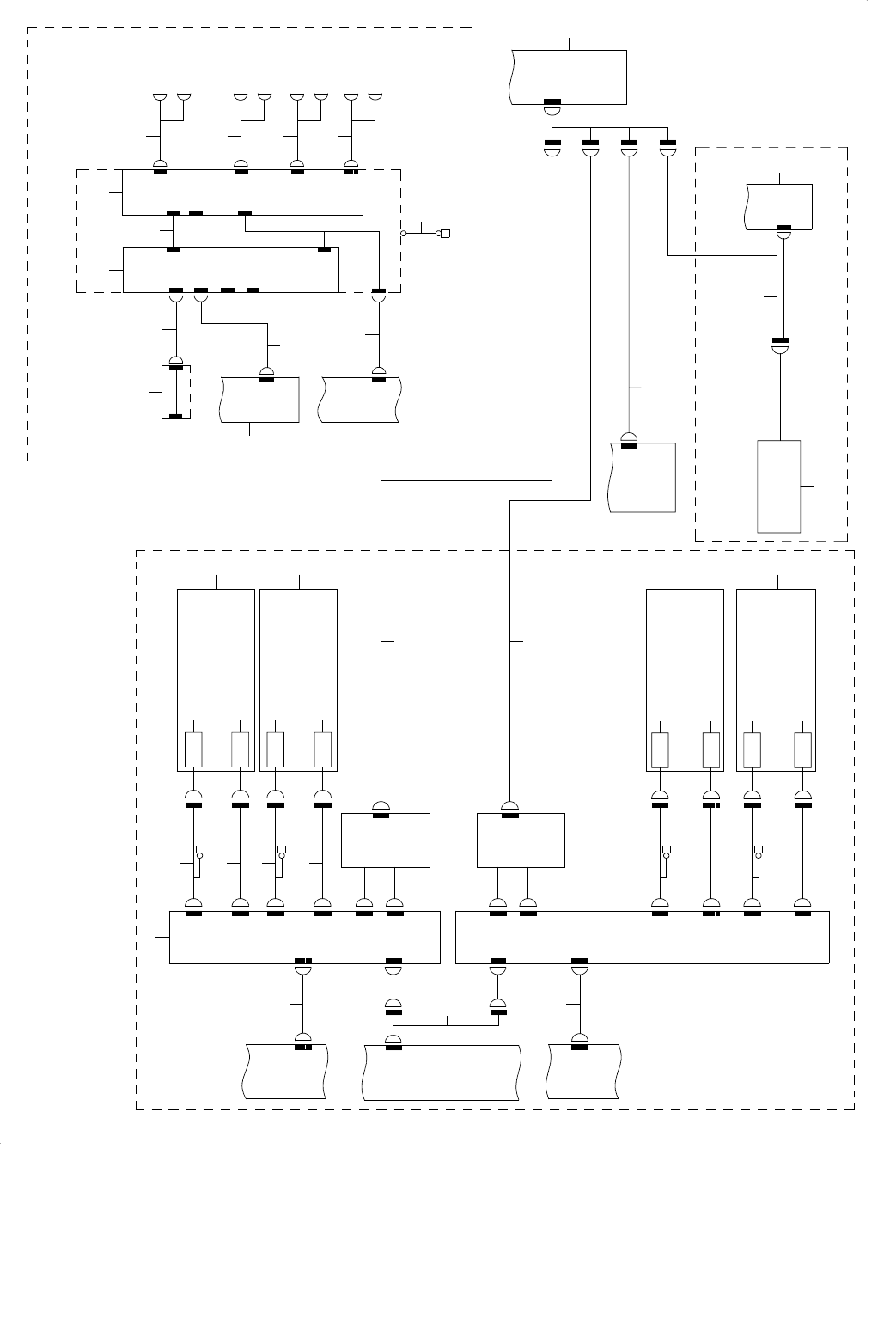
79.SYSTEM DIAGRAM (MECH TOROLY I/F)
SYSTEM DIAGRAM(MECH TOROLY I / F)
in the case of
"FIXED BANK",
referto12-5A
in the case of
"FIXED BANK",
refer to 1 2-5A
COVER (RF)
MECH BANK PCB
BK31
BK40
FEEDER BANK PCB
1
3
2
4
5
6
7
89
10
11
12
13
14
1615
17
1
24
18
23
25
26 27
28
29
30
31
37
32
38
33
36
34 35
39
40 41
42
45
43
46
44
22
20 21
19
50
54
55
57 58
59
62
51 52
53
49
60
61
56
47
48
M
BANK
BK36
CN36
CN31
11-1D
FEEDER PCB (L)
CN3
12-3A
CN3
CN3
FEEDER PCB (L)
FDL03 CN350
CN370
CN350
14-1A
ELEC
TOROLY
I/F
COVER (LF)
M
BANK
MECH BANK PCB
BK31
BK40
CN31
CN40
CN36
BK36
11-3C
POWER UNIT(L)
CN024
CN065
12-3B
PWRL065
PWRL024
CN205 CN205
CN206CN206
CN352 CN352
FG-TAP
(LF)
in the case of
"FIXED BANK",
refer to 12-5A
CVS OPTION/RF ID
13-5B
CN383
RFID
ANTENNA
RFID
OUT
IN
CONNECTOR BRACKET OPTION
CN507
CN507CN357CN357
BK38
BK37
BK39
BK34
CN34
CN37
CN38
CN39
CN649
CN649
CN10
CN9
CN9
CN10
KNOCK PIN S.V.
12-1A
FEEDER PCB (L)
CN4
14-1A
CN4
CN4
FEEDER PCB (L)
FDL04
CN350
CN350
COVER (LR)
M
BANK
BK31
BK40
14-3A
ELEC
TOROLY
I/F
CN370
POWER UNIT(L)
CN025
CN066
13-1A
12-1B
PWRL025
PWRL066
CN205
CN205
CN206
CN206
CN352
CN352
FG-TAP
(LR)
in the case of
"FIXED BANK",
refer to 12-5A
CN383
13-5B
CVS OPTION/RFID
RFID
ANTENNA
RFID
OUT
IN
CONNECTOR BRACKET OPTION
CN357
CN357
CN507
CN507
CN38
CN37
CN39
CN34
BK34
BK39
BK37
BK38
CN649
CN649
CN10
CN10
CN9
CN9
FEEDER BANK
PCB
MECH BANK PCB
CN36
BK36
CN31
CN40
KNOCK PIN S.V.
FIXED BANK
MECH BANK PCB
CN31
CN40
BK40
BK31
CN350
CN205
CN206
CN352
CN357
KNOCK PIN S.V.
FEEDER BANK
PCB
CN9
CN10
CN9
CN10
BK39
BK34
BK36
MECH BANK PCB
CN31
CN36
CN40
CN34
CN39
CN37
CN38
BK37
BK38
CN649
CN649
CN507CN507
CN357
CN357
IN
OUT
RFID
ANTENNA
RFID
CN383
13-5C
CVS OPTION/RFID
FG-TAP
(RF)
CN352
CN206
CN205
CN205
CN206
CN352
PWRR065
PWRR024
11-4C
POWER UNIT(R)
CN024
CN065
12-3C
CONNECTOR BRACKET OPTION
12-3C
CN3
CN3
CN3
FEEDER PCB (R)
11-3D
FDR03 CN350 CN350
CN370
FEEDER P CB (R)
14-1C
ELEC
TOROLY
I/F
COVER (RF)
BK31
M
BANK
BK40
KNOCK PIN S.V.
FEEDER BANK
PCB
CN9
CN10
CN9
CN10
BK34
BK39
CN649
CN649
BK37
BK38
CN38
CN37
CN39
CN34
CN40
CN507
CN507
CN357
CN357
CONNECTOR BRACKET OPTION
IN
OUT
RFID
ANTENNA
RFID
CN383
13-5C
CVS O PTION/RFID
CN205
CN206
CN352
CN352
CN206
CN205
FG-TAP
(RF)
PWRL065
PWRL024
11-4C
POWER UNIT(R)
CN024
CN065
12-3C
14-1C
ELEC
TOROLY
I/F
CN370
CN350
CN350
FDL03
CN3
CN3
FEEDER P CB (R)
11-3D
FEEDER PCB (R)
CN3
12-3C

- 158 -
REF.NO NOTE PART NO D E S C R I P T I O N
品 名
Qty
1 400-47481 FEEDER IF RELAY(F) CABLE ASM
フィーダ IF 中継ケーブル(F)組
1
2 400-48179 FEEDER PCB(LF) IF CABLE ASM
フィーダ基板(LF)IF ケーブル組
1
3 400-48189 MECH BANK RELAY WIRE ASM
メカバンク中継束線組
1
4 400-48190 MECH BANK IF CABLE ASM
メカバンク IF ケーブル組
1
5 400-79659 RFID JOINT CABLE ASM
RFID ジョイントケーブル組
1
6 400-82807 MECHANICAL BANK PCB SET
メカバンク基板セット
1
7 400-63859 DRIVE_CYLINDER
ドライブシリンダー
1
8 400-48193 CONNECTOR BRACKET IF CABLE ASM
コネクタブラケット IF ケーブル組
1
9 400-48194 CONNECTOR BRACKET PWR CABLE ASM
コネクタブラケットパワーケーブル組
1
10 E8615-715-0A0 FEEDER BANK CIRCUIT BOARD ASM.
フィーダバンク基板組
1
11 400-48194 CONNECTOR BRACKET PWR CABLE ASM
コネクタブラケットパワーケーブル組
1
12 E9395-721-0A0 IC FULL RELAY CABLE 3 ASM.
IC FULL 中継ケーブル 3組
1
13 400-48194 CONNECTOR BRACKET PWR CABLE ASM
コネクタブラケットパワーケーブル組
1
14 E9532-729-0A0 CUTTER POWER SOURCE CABLE ASM.
カッタ電源ケーブル組
1
15 400-47788 BANK RLY CABLE (LF) ASM
バンク中継ケーブル(LF)組
1
16 400-47788 BANK RLY CABLE (LF) ASM
バンク中継ケーブル(LF)組
1
17 400-48183 BANK(F) FG CABLE ASM
バンク(F)FG ケーブル組
1
18 400-48184 FEEDER PCB(RF) IF CABLE ASM
フィーダ基板(RF)IF ケーブル組
1
19 400-63859 DRIVE_CYLINDER
ドライブシリンダー
1
20 400-47790 BANK RLY CABLE (RF) ASM
バンク中継ケーブル(RF)組
1
21 400-47790 BANK RLY CABLE (RF) ASM
バンク中継ケーブル(RF)組
1
22 400-48183 BANK(F) FG CABLE ASM
バンク(F)FG ケーブル組
1
23 400-48189 MECH BANK RELAY WIRE ASM
メカバンク中継束線組
1
24 400-48190 MECH BANK IF CABLE ASM
メカバンク IF ケーブル組
1
25 400-79659 RFID JOINT CABLE ASM
RFID ジョイントケーブル組
1
26 400-48193 CONNECTOR BRACKET IF CABLE ASM
コネクタブラケット IF ケーブル組
1
27 400-48194 CONNECTOR BRACKET PWR CABLE ASM
コネクタブラケットパワーケーブル組
1
28 400-48194 CONNECTOR BRACKET PWR CABLE ASM
コネクタブラケットパワーケーブル組
1
29 E9395-721-0A0 IC FULL RELAY CABLE 3 ASM.
IC FULL 中継ケーブル 3組
1
30 400-48194 CONNECTOR BRACKET PWR CABLE ASM
コネクタブラケットパワーケーブル組
1
31 E9532-729-0A0 CUTTER POWER SOURCE CABLE ASM.
カッタ電源ケーブル組
1
32 400-47482 FEEDER IF RELAY(R) CABLE ASM
フィーダ IF 中継ケーブル(R)組
1
33 400-47479 FEEDER PCB(LR) IF CABLE ASM
フィーダ基板 IF ケーブル(LR)組
1
34 400-47789 BANK RLY CABLE (LR) ASM
バンク中継ケーブル(LR)組
1
35 400-47789 BANK RLY CABLE (LR) ASM
バンク中継ケーブル(LR)組
1
36 400-48183 BANK(F) FG CABLE ASM
バンク(F)FG ケーブル組
1
37 400-48189 MECH BANK RELAY WIRE ASM
メカバンク中継束線組
1
38 400-48190 MECH BANK IF CABLE ASM
メカバンク IF ケーブル組
1
39 400-79659 RFID JOINT CABLE ASM
RFID ジョイントケーブル組
1
40 400-48193 CONNECTOR BRACKET IF CABLE ASM
コネクタブラケット IF ケーブル組
1
41 400-48194 CONNECTOR BRACKET PWR CABLE ASM
コネクタブラケットパワーケーブル組
1
42 400-48194 CONNECTOR BRACKET PWR CABLE ASM
コネクタブラケットパワーケーブル組
1
43 400-48194 CONNECTOR BRACKET PWR CABLE ASM
コネクタブラケットパワーケーブル組
1
44 400-63859 DRIVE_CYLINDER
ドライブシリンダー
1
45 E9395-721-0A0 IC FULL RELAY CABLE 3 ASM.
IC FULL 中継ケーブル 3組
1
46 E9532-729-0A0 CUTTER POWER SOURCE CABLE ASM.
カッタ電源ケーブル組
1
47 400-48158 BANK CABLE ASM
バンクケーブル組
1
48 400-65159 BANK PCB PWR RELAY CABLE ASM
バンク基板電源中継ケーブル組
1
49 400-47482 FEEDER IF RELAY(R) CABLE ASM
フィーダ IF 中継ケーブル(R)組
1
50 400-47480 FEEDER PCB(RR) IF CABLE ASM
フィーダ基板 IF ケーブル(RR)組
1
51 400-47791 BANK RLY CABLE (RR) ASM
バンク中継ケーブル(RR)組
1
52 400-47791 BANK RLY CABLE (RR) ASM
バンク中継ケーブル(RR)組
1
53 400-48183 BANK(F) FG CABLE ASM
バンク(F)FG ケーブル組
1
54 400-48189 MECH BANK RELAY WIRE ASM
メカバンク中継束線組
1
55 400-48190 MECH BANK IF CABLE ASM
メカバンク IF ケーブル組
1
56 400-79659 RFID JOINT CABLE ASM
RFID ジョイントケーブル組
1
57 400-48193 CONNECTOR BRACKET IF CABLE ASM
コネクタブラケット IF ケーブル組
1
58 400-48194 CONNECTOR BRACKET PWR CABLE ASM
コネクタブラケットパワーケーブル組
1
59 400-48194 CONNECTOR BRACKET PWR CABLE ASM
コネクタブラケットパワーケーブル組
1
60 E9395-721-0A0 IC FULL RELAY CABLE 3 ASM.
IC FULL 中継ケーブル 3組
1
61 400-48194 CONNECTOR BRACKET PWR CABLE ASM
コネクタブラケットパワーケーブル組
1
62 E9532-729-0A0 CUTTER POWER SOURCE CABLE ASM.
カッタ電源ケーブル組
1

- 159 -
80.SYSTEM DIAGRAM (CVS/RFID/TRACEABILITY)
SYSTEM DIAGRAM(CVS / RFID / TRACEABILITY)
CVS OPTION
X5
(RF)
FG-TAP
6
1
24
5
3
78910
12 15
11 13 14 16
17 19
18 20
21
22
23
24
2926
25 27 28 30
31
32
35
34
33
38
40
42 43 44 36
37
39
41
47
50
46
48
49
XY-49
9-4D
HOST
SUPER IMPOSE BOARD
45
12-3B
POWER UNIT(L)
PWRL028
14-1B
CN028L
CVSLC1
11-5C
CN12
XY-RELAY
PCB
XYCN12
CVSLIO
CVSLC2
13-3C
CVSRIO CVSR C2
CVSRC1
CN028R
12-3D
POWER UNIT(R)
PWRR028
13-4B
CN5
CN6
CN7
CN8
CN8/CVS
CN7/CVS
CN6/CVS
CN5/CVS
J043/RF
J042/RF
J043/RR
J042/RR
J42
J43
J42
J43
FG-TAP
(RR)
PROBE
SURFACE VERIFICATION UNIT(RF)
SOLENOID VALVE
SURFACE VERIFICATION UNIT(RR)
PROBE
SOLENOID VALVE
CVS PCB (R)
CN3
CN4
CN2
CN1
CN4
CN3CVS
DMM (R)
CN2
CN4
CN3
CN8
CN1
CN7
CN6
CN7/CVS
CN8/CVS
CN3CVS
CN4
DMM (L)
CN6/CVS
CN5
CVS PCB (L)
CN5/CVS J043/LF J43
J42
J43
J42
J042/LR
J043/LR
J042/LF
FG-TAP
(LR)
FG-TAP
(LF)
PROBE
SOLENOID VALVE
SURFACE VERIFICATION UNIT(LF)
SURFACE VERIFICATION UNIT(LR)
PROBE
SOLENOID VALVE
BARCORD REEDER
TRACEABILITY OPTION
BR
CN6
ATX POWER
9-5C
ATX-6
COM A
COM B
COM C
COM D
UART
5-5D
IEEE1394 BOARD
UART
RFID OPTION
FG-TAP
FRONT
12-3D
MECH TOROLY I/F
14-3D
ELEC TOROLY I/F
12-1B
MECH TOROLY I/F
14-1B
ELEC TOROLY I/F
12-1D
MECH TOROLY I/F
14-1D
ELEC TOROLY I/F
RR383
RR382
LF383
LF382
RF383
RF382
RF
CH2
CH1
CH4
LF
RR
LR
CN2
CN1
CN4
DC_INPUT
PROG
ETHERNET
CN3
CH3
12-3B
MECH TOROLY I/F
14-3B
ELEC TOROLY I/F
LR383
LR382
MPC-4C
SWIT CHING HUB
HLC
LAN
X4
X3
X2
X1
DC INPUT
RFID_PWR
PWRR22
14-1C
CN022
POWER U NIT(R)
13-1C
9-4C
CPU BOARD
LAN
LAN
HUB_BOX