NXT partlist.pdf - 第140页
2. VISION SYSTEM / 画像処理 140 PTS-NXT-09JE

2.4. MARK CAMERA LIGHT
2.4. マークカメラライト
UG00411
No. Drg.No. & Code No. QTY Description Rating
Materials
Remarks
番号 図番 & コード番号 個数 品名 規格 材質 備考
1 PH00321 1 COVER カバー PL
2 K51690 4 SCREW, C/R COUNTERSUNK 小ネジ 十穴皿 M02X025 FE
3 XK04020 1 BOARD, PRINTED CIRCUIT 基板 プリント FH1216C0 OT Note.1
4 PH00331 1 COVER カバー PL
5 PJ00060 1 PLATE, ACRYLIC プレート アクリル PL
6 PM82831 1 BKT BKT AL
7 N4019A 2 SCREW, HEX SOCKET SET ネジ 六角穴止め M03X004 クボミサキ FE
8 XM00173 1 MIRROR ミラー OT
9 PM82822 1 HOLDER, LIGHT ホルダ ライト AL
10 H5280C 2 BOLT, HEX SOCKET ボルト 六角穴 M03X022 FE
11 W1010A 2 WASHER, CONICAL ワッシャ 皿 M-3-L FE
12 H5275A 4 BOLT, HEX SOCKET ボルト 六角穴 M03X008 FE
13 W1021A 4 WASHER, LOCK ワッシャ スプリング 3M/M FE
14 H5274A 2 BOLT, HEX SOCKET ボルト 六角穴 M03X006 FE
15 W1010A 2 WASHER, CONICAL ワッシャ 皿 M-3-L FE
16 PM82841 2 ADJUSTER アジャスタ FE
17 H5277A 2 BOLT, HEX SOCKET ボルト 六角穴 M03X012 FE
18 W1010A 2 WASHER, CONICAL ワッシャ 皿 M- 3-L FE
19 PH00351 1 COVER カバー PL
21 XK04010 1 BOARD, PRINTED CIRCUIT 基板 プリント FH1215C0 OT Note.1
22 H5274A 3 BOLT, HEX SOCKET ボルト 六角穴 M03X006 FE
23 W1021A 3 WASHER, LOCK ワッシャ スプリング 3M/M FE
24 PH00360 1 PLATE, ACRYLIC プレート アクリル PL
44 PX01670 1 SEAL, BAR CODE シール バーコード OT
48 PM98810 1 PIN ピン FE
49 PS0305
0
1 SHEET シート OT
Note.1:These items can be purchased separately or as set(AJ05G00 LAMP, LED).
:これらの部品をセットで購入することができます。AJ05G00 ランプ_LEDで注文してください。
2. VISION SYSTEM / 画像処理 139 PTS-NXT-09JE

2. VISION SYSTEM / 画像処理 140 PTS-NXT-09JE

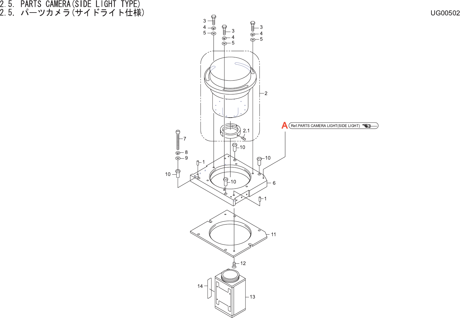
2.5. PARTS CAMERA(SIDE LIGHT TYPE)
2.5. パーツカメラ(サイドライト仕様)
UG00502
No. Drg.No. & Code No. QTY Description Rating
Materials
Remarks
番号 図番 & コード番号 個数 品名 規格 材質 備考
1 H2093E 2 PIN, PARALLEL ピン 平行 ゚4X10 Aシュ ステンレス OT
2 XR00240 1 LENS レンズ OT
2.1 N4027A 1 SCREW, HEX SOCKET SET ネジ 六角穴止め M04X005 クボミサキ FE
3 H5178A 3 BOLT, HEX ボルト 六角 M05X020 FE
4 W1023A 3 WASHER, LOCK ワッシャ スプリング 5M/M FE
5 W1044A 3 WASHER, FLAT ワッシャ 平 4W- 5 FE
6 PM60342 1 BKT BKT FE
7 H5295A 4 BOLT, HEX SOCKET ボルト 六角穴 M04X035 FE
8 W1022A 4 WASHER, LOCK ワッシャ スプリング 4M/M FE
9 W1041A 4 WASHER, FLAT ワッシャ 平 4M/MX0.8X9(1W-4) FE
10 PJ06590 4 BUSHING ブシュ OT
11 PH00370 1 BKT BKT OT
12 K5357T 2 SCREW, HEX SOCKET COUNTERSUNK 小ネジ 六角穴皿 M03X008 FE
13 XK00793 1 CAMERA カメラ OT
14 PX04041 1 SEAL, BAR COD
E
シール バーコード OT
2. VISION SYSTEM / 画像処理 141 PTS-NXT-09JE