NXT partlist.pdf - 第277页
This page intentionally blank. 4. MODULE / モジュール 277 PTS-NXT-09JE

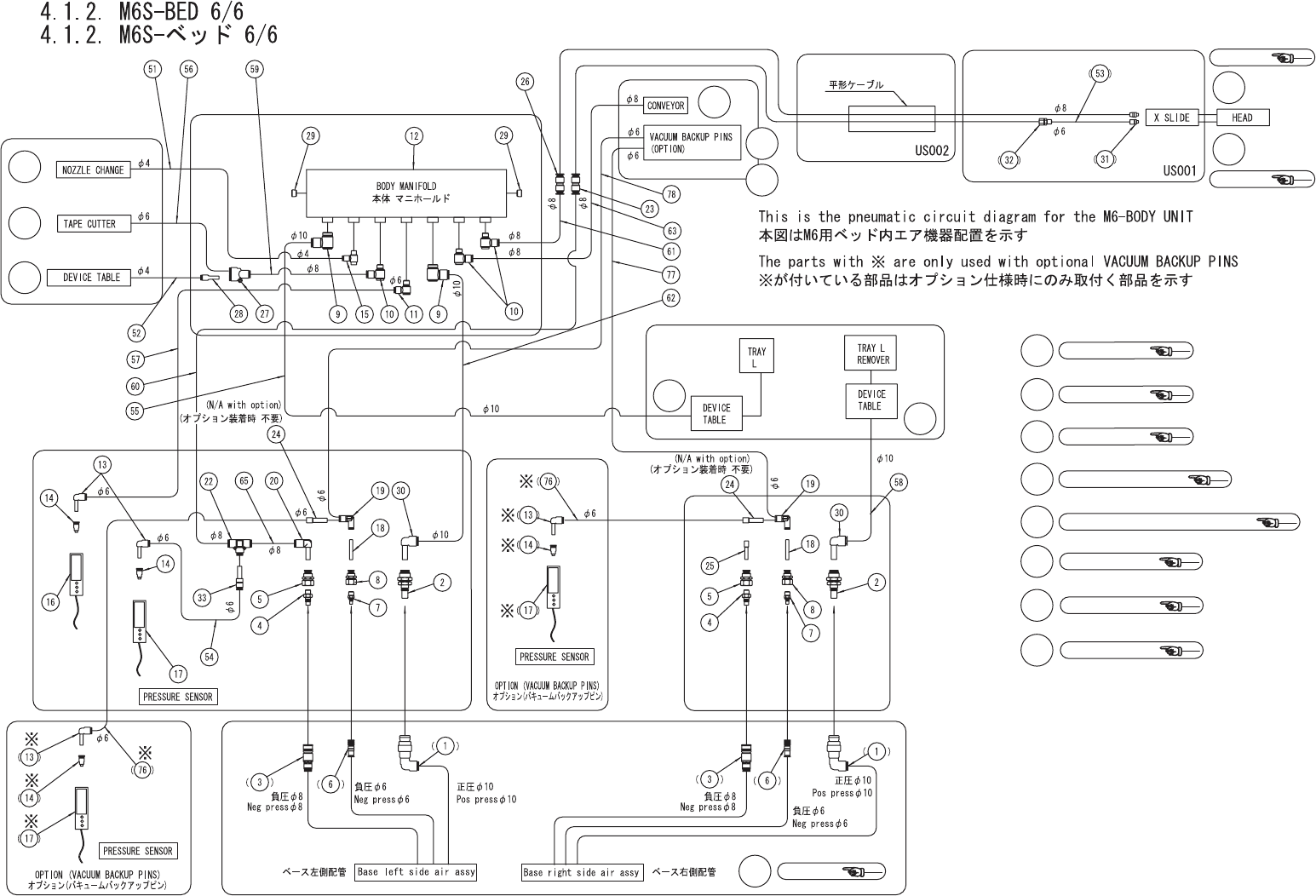
4.1.2. M6S-BED 5/6
4.1.2. M6S-ベッド 5/6
UA01700
No. Drg.No. & Code No. QTY Description Rating
Materials
Remarks
番号 図番 & コード番号 個数 品名 規格 材質 備考
38 W1013A 2 WASHER, CONICAL ワッシャ 皿 M-6-H FE
39 PZ14390 2 SPRING スプリング FE
40 PM00671 2 SHAFT シャフト FE
41 PT00122 1 BKT BKT FE
42 H5298A 2 BOLT, HEX SOCKET ボルト 六角穴 M05X010 FE
43 W1012A 2 WASHER, CONICAL ワッシャ 皿 M-5-L FE
44 PM00703 1 PIN ピン FE
45 PM00692 1 LEVER レバー FE
46 PM00871 1 PLATE プレート FE
47 H5288A 2 BOLT, HEX SOCKET ボルト 六角穴 M04X010 FE
48 W1022A 2 WASHER, LOCK ワッシャ スプリング 4M/M FE
49 PM00711 1 PIN, PIVOT ピン 支点 FE
50 W1012A 1 WASHER, CONICAL ワッシャ 皿 M-5-L FE
51 N1083A 1 NUT, HEX ナット 六角 M 5 P=0.8 3シュ FE
52 PP01580 1 BKT BKT FE
53 H5288A 2 BOLT, HEX SOCKET ボルト 六角穴 M04X010 FE
54 W1022A 2 WASHER, LOCK ワッシャ スプリング 4M/M FE
55 XW00070 1 WIRE ワイヤ OT
56 PM52620 1 PIN ピン FE
56.1 S1021
A
1 CIR-CLI
P
サークリッ
プ
ST-EW- 3 FE
4. MODULE / モジュール 276 PTS-NXT-09JE

This page intentionally blank.
4. MODULE / モジュール 277 PTS-NXT-09JE

A
Ref.HEAD
Ref.HEAD
Ref.BASE
Ref.DEVICE BASE
Ref.DEVICE BASE
a1
a2
i
i
h
h
f
Ref.DEVICE BASE
f
e
Ref.WASTE TAPE PROCESSING UNIT
e
d
d
Ref.NOZZLE CHANGER
g
c1
Ref.CONVEYOR
b
Ref.CONVEYOR
b
c1
c2
c2
Ref.CONVEYOR
FLAT CABLE
UA01700
4. MODULE / モジュール 278 PTS-NXT-09JE