NXT partlist.pdf - 第62页
A Ref.BED Ref.BED a1 a2 UH01517 1. PARTS PLACING / 部品装着 62 PTS-NXT-09JE

1.5.1 H12S HEAD 2/3
1.5.1 H12S ヘッド 2/3
UH01517
No. Drg.No. & Code No. QTY Description Rating
Materials
Remarks
番号 図番 & コード番号 個数 品名 規格 材質 備考
68 K5200S 2 SCREW, C/R TRUSS 小ネジ 十穴トラス M02X004 ユニクロメッキ FE
69 W1020A 2 WASHER, LOCK ワッシャ スプリング 2M/M FE
70 W1039A 2 WASHER, FLAT ワッシャ 平 2M/M FE
75 PM44973 1 ARM アーム FE
76 H5265A 1 BOLT, HEX SOCKET ボルト 六角穴 M02X005 FE
77 PM69431 1 ARM アーム FE
78 PM46181 1 PIN ピン FE
79 PZ04720 1 SPRING, TORSION スプリング ネジリ FE
80 W1039T 1 WASHER, FLAT ワッシャ 平 2.6M/MX0.5X5 FE
81 S1020A 1 CIR-CLIP サークリップ ST-EW- 2 FE
82 PM04564 2 PIN, ROLLER ピン ローラ FE
83 PM04573 2 ROLLER ローラ FE
84 PM04551 2 COLLAR カラー FE
85 W1020H 2 WASHER, LOCK ワッシャ スプリング 2.5M/M FE
86 N1074Z 2 NUT, HEX ナット 六角 M 2.5 ステンレス FE
87 H1021H 1 BATTERY バッテリ ER6VLY OT
88 PX05130 2 NAMEPLATE, CAUTION 銘板 注意 PL
89 PX03300 1 NAMEPLATE, CAUTION 銘板 注意 PL
90 PX04840 1 NAMEPLATE 銘板 PL
91 PX00181 1 NAMEPLAT
E
銘板 PL
1. PARTS PLACING / 部品装着 61 PTS-NXT-09JE

A
Ref.BED
Ref.BED
a1
a2
UH01517
1. PARTS PLACING / 部品装着 62 PTS-NXT-09JE

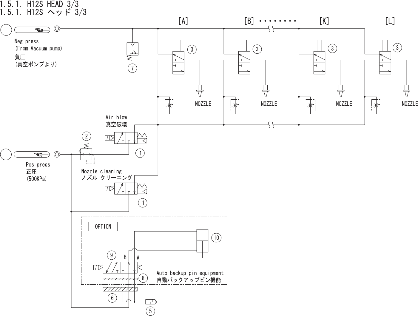
1.5.1 H12S HEAD 3/3
1.5.1 H12S ヘッド 3/3
UH01517
No. Drg.No. & Code No. QTY Description Rating
Materials
Remarks
番号 図番 & コード番号 個数 品名 規格 材質 備考
1 H1124S 2 VALVE, SOL バルブ SOL VQZ115R-5G-CP-X44 OT
2 XB00762 1 VALVE, PRESSURE REDUCING バルブ 減圧 OT
3 XS01802 12 SPOOL スプール OT
5 S1058B 1 SILENCER サイレンサ AN120-M3 OT
6 H3176D 1 PLATE プレート SYJ3000-21-2A OT
7 XS00841 1 SENSOR, PRESSURE センサ 圧力 OT
8 PJ06031 1 PLATE, ACRYLIC プレート アクリル OT
9 H1122D 1 VALVE, SOL バルブ SOL SYJ3140-5M0U OT
10 XS01841 1 CYLINDE
R
シリン
ダ
OT
1. PARTS PLACING / 部品装着 63 PTS-NXT-09JE