NXT partlist - 第835页
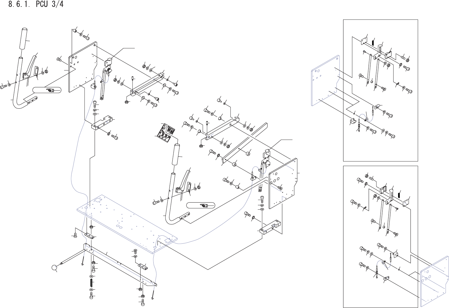
8.6.1. PCU 3/4 UX04200(M3S) UX04300(M6S) No. Drg.No. & Code No. QTY Description Rating Materials Remarks 番号 図番 & コード番号 個数 品名 規格 材質 備考 1 PM02EY0 1 PLATE, ARM プレート アーム AL 2 PM02EX0 1 PLATE, ARM プレート アーム AL 3 H5427…

A
DETAIL T2
DETAIL T1
T1
T2
K
Ref.2/
H
Ref.2/
1
20
21
21
22
24
26
27
28
26
27
28
23
2
14
15
16
14
15
16
25
26
27
28
26
27
28
3
4
3
4
12
13
37
38
36
48
50
51
48
50
51
52
53
54
52
53
54
56
57
59
60
58
59
60
61
62
63
61
62
63
49
49
64
65
66
64
65
66
69
70
71
68
69
70
71
68
55
72
72
45
46
45
46
47
47
80
89
93
91
92
90
89
82
81
82
81
83
73
74
75
74
76
77
78
73
73
74
75
74
76
77
78
73
37
38
36
31
32
33
29
30
29
31
32
33
30
34
35
29
31
32
33
30
29
30
31
32
33
34
35
67
67
39
41
44
43
43
42
41
40
43
43
42
95
94
44
84
85
86
87
88
UX04300(M6S)
UX04200(M3S)
8. ACCESSORIES / アクセサリ 240 PTS-NXT-09JE

8.6.1. PCU 3/4
UX04200(M3S)
UX04300(M6S)
No. Drg.No. & Code No. QTY Description Rating
Materials
Remarks
番号 図番 & コード番号 個数 品名 規格 材質 備考
1 PM02EY0 1 PLATE, ARM プレート アーム AL
2 PM02EX0 1 PLATE, ARM プレート アーム AL
3 H54274 6 BOLT, HEX SOCKET ボルト 六角穴 M06X025(3カ シロ) FE
4 W1013B 6 WASHER, CONICAL ワッシャ 皿 M-6-H(3カ シロ) FE
12 PM02EH1 1 BLOCK ブロック AL
13 PM02EK1 1 BLOCK ブロック AL
14 H54276 4 BOLT, HEX SOCKET ボルト 六角穴 M06X035(3カ シロ) FE
15 W1106F 4 WASHER, LOCK ワッシャ スプリング 6M/M(3カ シロ) FE
16 W1108F 4 WASHER, FLAT ワッシャ 平 4W-6(3カ シロ) FE
20 PB77980 1 PLATE プレート FE
21 PM84322 2 COLLAR カラー FE
22 H54273 2 BOLT, HEX SOCKET ボルト 六角穴 M06X022(3カ シロ) FE
23 W1013B 2 WASHER, CONICAL ワッシャ 皿 M-6-H(3カ シロ) FE
24 PB78011 1 ARM アーム FE
25 PB78021 1 ARM アーム FE
26 PM88100 4 PIN ピン FE
27 H5427D 4 BOLT, HEX SOCKET ボルト 六角穴 M05X016(3カ シロ) FE
28 W1106E 4 WASHER, LOCK ワッシャ スプリング 5M/M(3カ シロ) FE
29 K1113Z 4 CAM FOLLOWER カムフォロア CF06-A OT
30 W10877 4 WASHER ワッシャ WSSB12-6-3 OT
31 N1079K 4 NUT, HEX ナット 六角 M06(3カ シロ) FE
32 W1106F 4 WASHER, LOCK ワッシャ スプリング 6M/M(3カ シロ) FE
33 W1108F 4 WASHER, FLAT ワッシャ 平 4W-6(3カ シロ) FE
34 PM92190 2 PIN ピン FE
35 N1079Z 2 NUT, HEX ナット 六角 M06 3シュ(3カ シロ) FE
36 S30180 2 STOPPER ストッパ AZXHC15-15-M4 OT
37 H5426N 2 BOLT, HEX SOCKET ボルト 六角穴 M04X015(3カ シロ) FE
38 W1106D 2 WASHER, LOCK ワッシャ スプリング 4M/M(3カ シロ) FE
39 AA5EY00 1 LEVER レバー OT
40 AA5EZ00 1 LEVER レバー OT
41 PB68501 2 RETAINER 押え FE
42 H5426M 4 BOLT, HEX SOCKET ボルト 六角穴 M04X012(3カ シロ) FE
43 W1106D 8 WASHER, LOCK ワッシャ スプリング 4M/M(3カ シロ) FE
44 N1079G 4 NUT, HEX ナット 六角 M04(3カ シロ) FE
45 N2117E 2 GRIP 握り C-57(02) OT
46 PM008W1 2 HANDLE ハンドル FE
47 K53632 6 SCREW, HEX SOCKET COUNTERSUNK 小ネジ 六角穴皿 M08X020(3カ シロ) FE
48 PM02EL0 2 GUIDE ガイド FE
8. ACCESSORIES / アクセサリ 241 PTS-NXT-09JE

8.6.1. PCU 3/4
UX04200(M3S)
UX04300(M6S)
No. Drg.No. & Code No. QTY Description Rating
Materials
Remarks
番号 図番 & コード番号 個数 品名 規格 材質 備考
49 PB77850 2 BKT BKT FE
50 H5426N 4 BOLT, HEX SOCKET ボルト 六角穴 M04X015(3カ シロ) FE
51 W1011B 4 WASHER, CONICAL ワッシャ 皿 M-4-L(3カ シロ) FE
52 PB82960 2 PLATE プレート FE
53 H54252 4 BOLT, HEX SOCKET ボルト 六角穴 M03X008(3カ シロ) FE
54 W1106C 4 WASHER, LOCK ワッシャ スプリング 3M/M(3カ シロ) FE
55 PB83000 1 STOPPER ストッパ FE
56 PB82990 1 STOPPER ストッパ FE
57 PB82950 1 BKT BKT FE
58 PB83010 1 BKT BKT FE
59 H5426L 4 BOLT, HEX SOCKET ボルト 六角穴 M04X010(3カ シロ) FE
60 W1106D 4 WASHER, LOCK ワッシャ スプリング 4M/M(3カ シロ) FE
61 PB68431 2 BKT BKT FE
62 H5426L 4 BOLT, HEX SOCKET ボルト 六角穴 M04X010(3カ シロ) FE
63 W1106D 4 WASHER, LOCK ワッシャ スプリング 4M/M(3カ シロ) FE
64 S3021G 2 SPRING スプリング WL5-40 OT
65 N4034F 2 SCREW, HEX SOCKET SET ネジ 六角穴止め M04X015(3カ シロ) FE
66 N1079X 2 NUT, HEX ナット 六角 M04 3シュ(3カ シロ) FE
67 XW00490 2 WIRE ワイヤ OT
68 A5039N 4 RETAINER, WIRING 押え 配線 AL3 OT
69 K5180S 4 SCREW, C/R PAN 小ネジ 十穴鍋 M04X012(3カ シロ) FE
70 W1106D 4 WASHER, LOCK ワッシャ スプリング 4M/M(3カ シロ) FE
71 W1108S 4 WASHER, FLAT ワッシャ 平 M4X0.8X9(1W-4)(3カ シロ) FE
72 PM93241 4 COLLAR カラー FE
73 PB77970 4 LINK リンク FE
74 K5357B 4 SCREW, HEX SOCKET COUNTERSUNK 小ネジ 六角穴皿 M03X004(3カ シロ) FE
75 PM02ES0 2 COLLAR カラー FE
76 PM02ET0 2 PIN ピン FE
77 N1079G 2 NUT, HEX ナット 六角 M04(3カ シロ) FE
78 W1108S 2 WASHER, FLAT ワッシャ 平 M4X0.8X9(1W-4)(3カ シロ) FE
80 PM02FA2 1 LEVER レバー FE
81 H5426S 2 BOLT, HEX SOCKET ボルト 六角穴 M04X018(3カ シロ) FE
82 N1079G 2 NUT, HEX ナット 六角 M04(3カ シロ) FE
83 N21195 1 GRIP 握り PCA8-30 OT
84 S3253G 1 SPRING スプリング WT10-35 OT
85 H5428C 1 BOLT, HEX SOCKET ボルト 六角穴 M06X060(3カ シロ) FE
86 N1079K 1 NUT, HEX ナット 六角 M06(3カ シロ) FE
87 W1108H 1 WASHER, FLAT ワッシャ 平 M06(3カ シロ) FE
8. ACCESSORIES / アクセサリ 242 PTS-NXT-09JE