N7201A005C - 第40页
CM602-L 安装手册 1.2 设置步骤 Pa ge 1-22 1.2.7 确认电源、空气源的连接 配线、连接作业完了后 ,请按照如下顺序确 认连接是否正确。 1. 请确认供给电压 与贴在本机上的供 给电压显示标牌的 电压相一致。 1. 卸下本机右侧盖。 • 侧面盖用螺栓固定 4 处。 2. 打开本机前面的右下盖。 • 此盖用螺栓固定 1 处。 3. 如左图所示, 确认供给电源 (3 处 ) 的电压 与贴在本机上的供给电压显示标牌的电…

CM602-L
安装手册
1.2
设置步骤
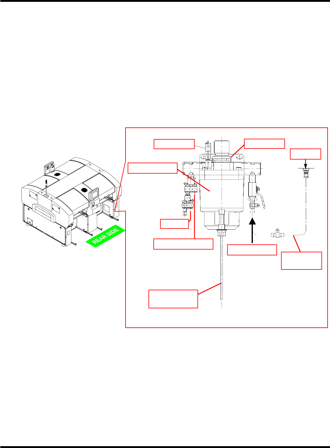
Page 1-21
1.2.6
空气源的连接
1.
在图的
A
部供给压缩空气。
2.
供给使用了空气干燥器的洁净空气。
∗
气压
: 0.49 MPa ~ 0.78 MPa
(
连接软管的供给口尺寸为
3/8)
空气供给之后用调节器把气压调至
0.49 MPa ~ 0.54 MPa
。
∗
空气供给量
: 170 L/min
(
使用散装供料器时,每根散装供料器另需
8 L/min
。
)
EJM8A-C-IMB01-A01-00
EJM4A-AB01
3T3C-PS020
A
调节器
排水口
(
内侧直径
20 mm)
空气软管
(5 m)
到各设备
初级空气供给侧
供给清净空气
初级空气
压力开关
过滤器 (内侧)

CM602-L
安装手册
1.2
设置步骤
Page 1-22
1.2.7
确认电源、空气源的连接
配线、连接作业完了后,请按照如下顺序确认连接是否正确。
1.
请确认供给电压与贴在本机上的供给电压显示标牌的电压相一致。
1.
卸下本机右侧盖。
•
侧面盖用螺栓固定
4
处。
2.
打开本机前面的右下盖。
•
此盖用螺栓固定
1
处。
3.
如左图所示,确认供给电源
(3
处
)
的电压
与贴在本机上的供给电压显示标牌的电压
相一致。
•
关于初级侧的电源电压的条件,请参照
“1.1.4
电源、空气源
A)
电源
第
2
项
”
。
EJM8A-C-IMB01-A01-00
E53C-802E
主电源端子
L3
L1
L2
L1
L3
L2
PE
E53C-803E
主电源端子
E53C-804E
主电源端子
EJM4A-AA
右下盖

CM602-L
安装手册
1.2
设置步骤
Page 1-23
2.
请确认吸嘴座的真空状态。
∗
如果吸嘴座不吸引空气,却喷出空气的话,有可能真空泵电机在逆旋转。需要重新确认初次侧电
源的配线。
真空状态的确认顺序
在此的步骤以高速吸头
(12
吸嘴
)
为例进行说明。
根据吸头的类型不同画面也有所不同,但是每种类型的步骤都相同。
1.
在主菜单上按
[
机器调整
]
。
•
显示机器调整菜单。
2.
按
[
输出确认
]
。
•
显示输出确认画面。
3.
按操作面板的
+
[
真空泵
]
。
•
其显示将从
OFF
变为
ON
,并同时真空泵开始
旋转。
4.
按操作面板的
+
pos1
的
[
真空
]
。
•
其显示将从
OFF
变为
ON
。
5.
将伺服开关处于
OFF (O)
。
6.
打开安全盖。
下一页
EJM8A-C-IMB01-A01-00
2
EJM4A-Ma-0016
3
4