00195166-0402_SM_D4_EN - 第69页
Service W ork Replacing the Deflection Unit [00330938-02] Gantry Service Manual SIPLACE D4 69 4.2.6.4 Inst alling the deflection unit ’X’ See also: J 4.2.6.3 Removing the defle ction unit [ J 67] J 4.2.6.5 Settings [ J…

Service Work
Gantry Replacing the Deflection Unit [00330938-02]
68 Service Manual SIPLACE D4
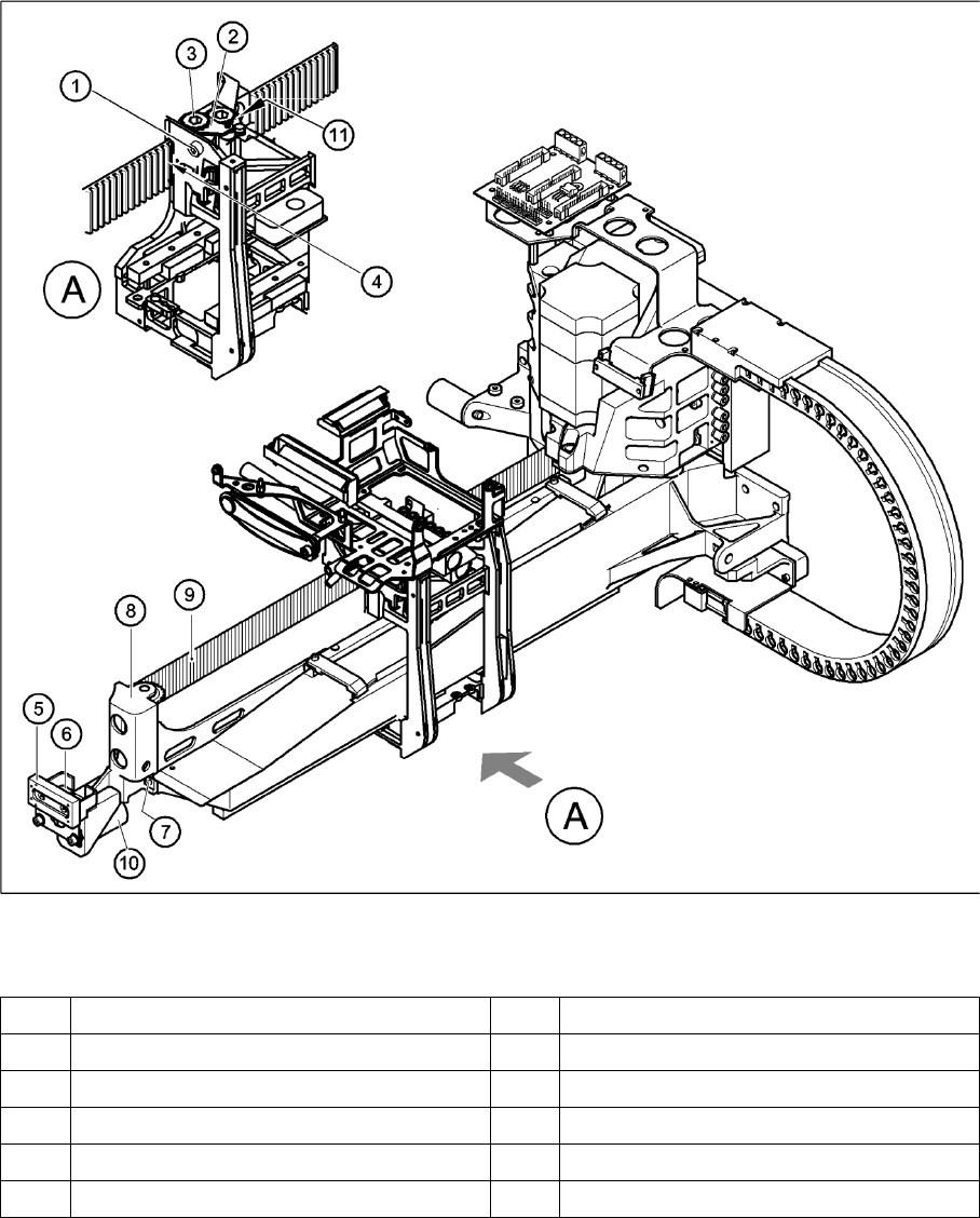
4-15: Replacing the deflection unit
Legend
1 M4 x 35 hexagon socket-head screw 7 2 x M6 x 10 hexagon socket-head screws
2 Tensioning keys 8 Deflection unit - X
3 Synchronizing disk, long 9 Synchroflex toothed belt
4 Opening in tension jack for toothed belt 10 25 x 10.5 x 50 elastomeric spring
5 Y-axis brake, external 11 Locknut
6 2 x M3 x 8 hexagon socket-head screws

Service Work
Replacing the Deflection Unit [00330938-02] Gantry
Service Manual SIPLACE D4
69
4.2.6.4 Installing the deflection unit ’X’
See also:
J
4.2.6.3 Removing the deflection unit [
J
67]
J
4.2.6.5 Settings [
J
70]
4-16: Replacing the deflection unit
X Fit the elastomeric spring (10) on the new
deflection unit (8).
X Fix the deflection unit (8) to the gantry, with the
two M6 x 10 hexagon socket-head screws (7).
X Align the brake "outside" (5) so that it is
parallel with the braking surface and fix it to the
deflection unit (8) with the two M3 x 8 hexagon
socket-head screws.
X Run the toothed belt (9) around the
synchronizing disk of the deflection unit (8).
4-17: Fitting the toothed belt on the tension jack
Legend
1. Head mount
2. Tension jack for the toothed belt
3. Opening for threading the toothed belt
4. Synchronizing disk, long
5. Tensioning keys
6. Spacer bolt with M4 threaded hole
7. M4 x 35 hexagon socket-head screw for
tensioning the toothed belt
8. Locknut
X Insert the toothed belt through the opening (3)
in the tension jack (2) until the toothed belt is
run approx. 270° around the "long
synchronizing disk" (4).
X Place the tensioning key (5) onto the
synchronizing disk (4).
X Use a size 8 Allen key to turn the
synchronizing disk (4) clockwise.
X Turn the hexagon socket-head screw (7) into
the drilling provided for the spacer bolt (6) and
pretension the X toothed belt.

Service Work
Gantry Replacing the X Axis Toothed Belt [00331076-02]
70 Service Manual SIPLACE D4
4.2.6.5 Settings
4.2.7 Replacing the X Axis Toothed Belt [00331076-02]
4.2.7.1 Tools and Equipment
Set of DIN 911 Allen keys
Belt tension measuring device TSM [00326015-01]
"Measuring belt tensions" operating instructions
4.2.7.2 Parts
Toothed belt, Synchroflex 50 ATS5/-1205, E9/-11 [00331076-02]
4-18: Fitting the toothed belt on the tension jack
X Push the head mount (1) towards the X axis
motor unit, as far as the stop on the
elastomeric spring.
X Turn the hexagon socket-head screw (7) to set
the belt tension to 53 Hz +1/-3 Hz.
CAUTION:
Do not overstretch the toothed belt
when adjusting the belt tension.
X Secure the hexagon socket-head screw (7)
with the locknut (8).