00195166-0402_SM_D4_EN - 第71页
Service W ork Replacing the X Axis Toothed Belt [00331076- 02] Gantry Service Manual SIPLACE D4 71 4.2.7.3 Removing the X-axis toothed belt X Switch the machine off and secure it to prevent unauthorize d reactivation as …

Service Work
Gantry Replacing the X Axis Toothed Belt [00331076-02]
70 Service Manual SIPLACE D4
4.2.6.5 Settings
4.2.7 Replacing the X Axis Toothed Belt [00331076-02]
4.2.7.1 Tools and Equipment
Set of DIN 911 Allen keys
Belt tension measuring device TSM [00326015-01]
"Measuring belt tensions" operating instructions
4.2.7.2 Parts
Toothed belt, Synchroflex 50 ATS5/-1205, E9/-11 [00331076-02]
4-18: Fitting the toothed belt on the tension jack
X Push the head mount (1) towards the X axis
motor unit, as far as the stop on the
elastomeric spring.
X Turn the hexagon socket-head screw (7) to set
the belt tension to 53 Hz +1/-3 Hz.
CAUTION:
Do not overstretch the toothed belt
when adjusting the belt tension.
X Secure the hexagon socket-head screw (7)
with the locknut (8).

Service Work
Replacing the X Axis Toothed Belt [00331076-02] Gantry
Service Manual SIPLACE D4
71
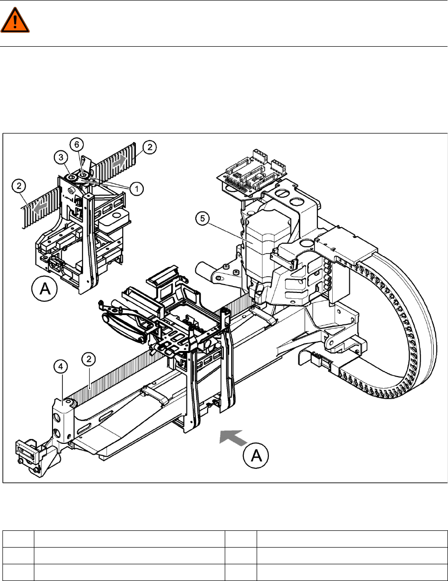
4.2.7.3 Removing the X-axis toothed belt
X Switch the machine off and secure it to prevent unauthorized reactivation as described in section
(4.2.1 Preparations for Service Work
J
62 ) .
X Remove both tensioning keys (1) (see section (4.2.5 Replacing the Tensioning Keys [00329478-01,
00329485-01]
J
64 ) ).
X Pull the toothed belt (2) off the two synchronizing disks.
X Unthread the toothed belt from the deflection unit (4).
X Pull the toothed belt off the synchronizing disk of the X motor unit (5).
4-19: Removing the X-axis toothed belt
Legend
See also:
J
2.1.2 Safety Instructions for Working with Strong Magnetic Fields [
J
14]
DANGER: POWERFUL MAGNETIC FIELD
Always follow the special safety instructions when working in the vicinity of powerful magnetic
fields (see section).
1 Tensioning keys 4 Deflection unit X
2 Toothed belt 5 X-axis motor unit
3 Synchronizing disk, long 6 Synchronizing disk, short

Service Work
Gantry Replacing the X Axis Toothed Belt [00331076-02]
72 Service Manual SIPLACE D4
4.2.7.4 Installing the X-axis toothed belt
X Place the toothed belt around the synchronizing disk of the X-axis motor unit.
X Thread the toothed belt in at the deflection unit.
X Thread both ends of the toothed belt in through the openings on the tension jack (2), until it is run
approx. 270° around the synchronizing disks (3).
X Fit the two tensioning keys (4) (see section (4.2.5 Replacing the Tensioning Keys [00329478-01,
00329485-01]
J
64 ) ).
4-20: Fixing the X-axis toothed belt to the tension jack
Legend
1. Head mount
2. Tension jack
3. Synchronizing disk, long
4. Tensioning keys
5. Hexagon socket-head screw for tensioning the
toothed belt
6. Synchronizing disk, short