00195166-0402_SM_D4_EN - 第73页
Service W ork Replacing the X Axis Toothed Belt [00331076- 02] Gantry Service Manual SIPLACE D4 73 4.2.7.5 Settings See also: J 4.2.7.4 Installing the X-axis toothed be lt [ J 72] 4-21: Fixing the X-axis toothed belt t…

Service Work
Gantry Replacing the X Axis Toothed Belt [00331076-02]
72 Service Manual SIPLACE D4
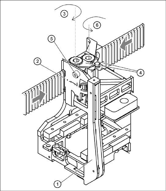
4.2.7.4 Installing the X-axis toothed belt
X Place the toothed belt around the synchronizing disk of the X-axis motor unit.
X Thread the toothed belt in at the deflection unit.
X Thread both ends of the toothed belt in through the openings on the tension jack (2), until it is run
approx. 270° around the synchronizing disks (3).
X Fit the two tensioning keys (4) (see section (4.2.5 Replacing the Tensioning Keys [00329478-01,
00329485-01]
J
64 ) ).
4-20: Fixing the X-axis toothed belt to the tension jack
Legend
1. Head mount
2. Tension jack
3. Synchronizing disk, long
4. Tensioning keys
5. Hexagon socket-head screw for tensioning the
toothed belt
6. Synchronizing disk, short

Service Work
Replacing the X Axis Toothed Belt [00331076-02] Gantry
Service Manual SIPLACE D4
73
4.2.7.5 Settings
See also:
J
4.2.7.4 Installing the X-axis toothed belt [
J
72]
4-21: Fixing the X-axis toothed belt to the tension jack
X Push the head mount (1) towards the X axis
motor unit, as far as the stop on the
elastomeric spring.
X Turn the hexagon socket-head screw (5) to set
the belt tension to 53 Hz 1/3 Hz.
CAUTION:
Do not overstretch the toothed belt
when adjusting the belt tension.
X Secure the hexagon socket-head screw (5)
with the locknut.

Service Work
Gantry Replacing the X Motor Unit [00333167-03]
74 Service Manual SIPLACE D4
4.2.8 Replacing the X Motor Unit [00333167-03]
Tools and Equipment
Set of DIN 911 Allen keys
Cable ties
Belt tension measuring device TSM [00326015-01]
"Measuring belt tensions" operating instructions
Parts
X motor unit [00333167-03]
Removing the X-axis motor unit
4-22: Replacing the X-axis motor unit
Legend
X Switch off the machine and secure it to prevent unauthorized reactivation.
1 Head mount 7 2 x M6x14 hexagon socket-head screws
2 M4 x35 hexagon socket-head screw for
tensioning the X toothed belt
8Locknut
3 Synchroflex X-axis toothed belt 9 Board holder
4 X-axis motor unit 10 Cable clamps
5 X/Y distributor 11 Cable clamp
6 X5 socket for X-axis motor