00195166-0402_SM_D4_EN - 第77页
Service W ork Replacing the X Motor Unit [00333167-03] Gantry Service Manual SIPLACE D4 77 Settings See also: J 4.2.1 Preparation s for Service Work [ J 62] 4-24: Replacing the X-axis motor unit Gantry 2 or 4 X Careful…

Service Work
Gantry Replacing the X Motor Unit [00333167-03]
76 Service Manual SIPLACE D4
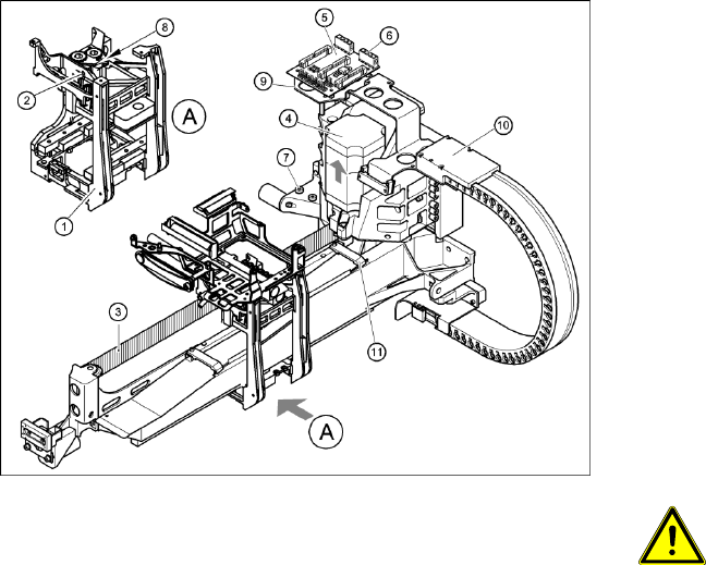
Installing the X-axis motor unit
4-23: Replacing the X-axis motor unit
Gantry 1 or 3
X Carefully insert the X motor unit (4) as far as
the stop,
making sure that you do not damage the
toothed belt. The motor cable points towards
the permanent magnets of the linear drive.
X Fix the X motor unit into place with the two
hexagon socket-head screws (7).
X Fit the cable holders for the trailing cable (10).
X Fit the board holder (9).
X Fit the X/Y distributor (5).
X Connect all plugs to their sockets on the X/Y
distributor (5).
X Fix the flat ribbon cable with the cable clamp
(11).
X Fix all the cables with cable ties.
CAUTION:
Make sure that the cables are firmly
seated. Otherwise, the high
acceleration forces may cause the
cable to slip out of position and shear
through.
X Tension the X toothed belt with the hexagon
socket-head screw (2).
X Use the three M6 x 8 hexagon socket-head
screws to fit the black cover strip to the
crossbeam above the gantry concerned.
X Connect the cable of the fan motor to the
socket.

Service Work
Replacing the X Motor Unit [00333167-03] Gantry
Service Manual SIPLACE D4
77
Settings
See also:
J
4.2.1 Preparations for Service Work [
J
62]
4-24: Replacing the X-axis motor unit
Gantry 2 or 4
X Carefully insert the X motor unit (4) as far as
the stop, making sure that you do not damage
the toothed belt. The motor cable points
towards the permanent magnets of the linear
drive.
X Fix the X motor unit into place with the two
hexagon socket-head screws (7).
X Fit the cable holders for the trailing cable (10).
X Fit the board holder (9).
X Plug the X motor plug into its socket on the X/
Y distributor (5).
X Fix the flat ribbon cable with the cable clamp
(11).
X Fix all the cables with cable ties.
CAUTION:
Make sure that the cables are firmly
seated. Otherwise, the high
acceleration forces may cause the
cable to slip out of position and shear
through.
X Tension the X toothed belt with the hexagon
socket-head screw (2).
X Use the three M6 x 8 hexagon socket-head
screws to fit the black cover strip to the
crossbeam above the gantry concerned.
X Connect the cable of the fan motor to the
socket.
4-25: Replacing the X-axis motor unit
X Push the head mount (1) towards the X-axis
motor unit, as far as the stop on the
elastomeric spring.
X Turn the hexagon socket-head screw (2) to set
the belt tension to 53 Hz + 1/-3 Hz.
CAUTION:
Do not overstretch the toothed belt
when adjusting the belt tension.
X Secure the hexagon socket-head screw (2)
with the locknut (8).

Service Work
Component Handling Changeover Table
78 Service Manual SIPLACE D4
4.3 Component Handling
4.3.1 Changeover Table
4.3.1.1 Safety Instructions
DANGER:
The chapters "Operational Safety“ and "Changeover Tables“ in the operating manual and the
chapter "Operational Safety“ in this service manual take priority.
These SIPLACE machines are powered by 120V / 208V +/- 5% (US version) or 3 x 230V/400V
+/- 5%, 50/60 Hz main voltage supply.
Parts of the system therefore carry dangerously high voltages! In specific modules the voltage
is present inside the machine base even when the main switch is turned off.
Handling the machines improperly or touching parts thereof which conduct high voltage may
result in death or serious physical injury as well as extensive property damage.
X Observe the applicable accident prevention regulations, DIN standards and special safety
codes of your country at all times. DIN EN 60204 must be adhered to during all work inside
the machine base
X The 6,3/$&( service engineer is the only person perm
itted to adjust / change the voltage, in
line with the intern
al 6,3/$&( retrofitting instructions.
DANGER:
Risk of limbs being pinched, crushed or severed by the changeover table (see section (4.3.1.1
Safety Instructions
J
78 ) ).
Do not exert any substantial lateral force to the changeover table after it has been disassembled
(danger that it might tip over), therefore:
- Do not lean against it and do not brace any items against it.
- Place the changeover table on a horizontal surface and secure it to prevent it from rolling away
by itself.
Once the changeover table has been moved out of the machine, NEVER connect the plugs to
the machine base (= improper use = DANGER!)
Moving the changeover table out of the machine leaves the cutter (etc.) accessible:
This increases the risk of injury on the cutter’s movable or stationary blades even while the
machine is switched off.
NEVER reach into the cutter from below or into the empty-tape duct from above, not even to
resolve a problem (e.g., jammed tape) involving the disassembly of the changeover table.
Risk of pinching and shearing also exists
X At incorrect setting/adjustment of the SMEMA height (setting only permitted by 6,3/$&(
service technician -> see 6,3/$&( intern
al retrofitting instructions),
X Whe
n a feeder module falls over or down,
X If the changeover table, which has been moved out of the machine, falls over.
DANGER: PLACEMENT HEAD CRASH
The Y gantry of all SIPLACE machines must be moved out of the
changeover table area before any table change can be performed.
This must be accomplished before actuating the compressed air switch to raise the table.
Otherwise there is a risk that the placement head may crash!!