NPM-D3 parts list - 第281页
Ref No. Remarks R 1 Q'ty 19 エア供給ユニット(交換台車):NPM Air supply unit(feeder cart):NPM イラスト No. Part No. 品 名 品 番 数量 R 2 パーツリスト Kit No. キット品番 Kit Name キット名称 N610069446AA Part Nam e 備 考 セク ション No . PARTS LIST Section No. R 3…

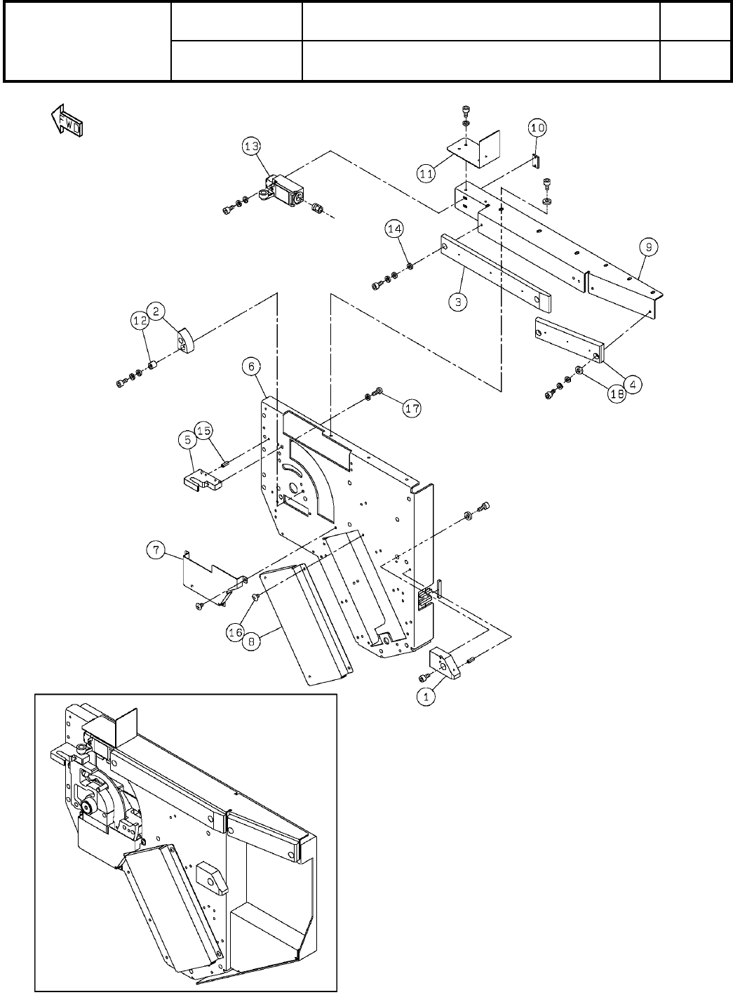
19
エア供給ユニット(交換台車):NPM
Air supply unit(feeder cart):NPM
パーツレイアウト
Kit No.
キット品番
Kit Name
キット名称
N610069446AA
セクションNo.
PARTS LAYOUT
Section No.
--
O85
( KN610069446AA-03 )

Ref
No.
Remarks R
1
Q'ty
19
エア供給ユニット(交換台車):NPM
Air supply unit(feeder cart):NPM
イラスト
No.
Part No.
品 名品 番 数量
R
2
パーツリスト
Kit No.
キット品番
Kit Name
キット名称
N610069446AA
Part Name
備 考
セクションNo.
PARTS LIST
Section No.
R
3
AIR-BLOCK
1
1 N210085538AA
COUPLER
17
2 N510044684AA 103C-M5-KK01
JOINT
1
3 N510066794AA KQ2L06-01NS
PLUG
1
4 N42201 PT1/8
O86
--
( KN610069446AA-03 )

20-A
交換台車駆動部(後側):NPM-D3
Feeder cart drive unit(rear side):NPM-D3
パーツレイアウト
Kit No.
キット品番
Kit Name
キット名称
N610160990AA
セクションNo.
PARTS LAYOUT
Section No.
--
O87
( KN610160990AA-05-1 )