NPM-D3 parts list - 第453页
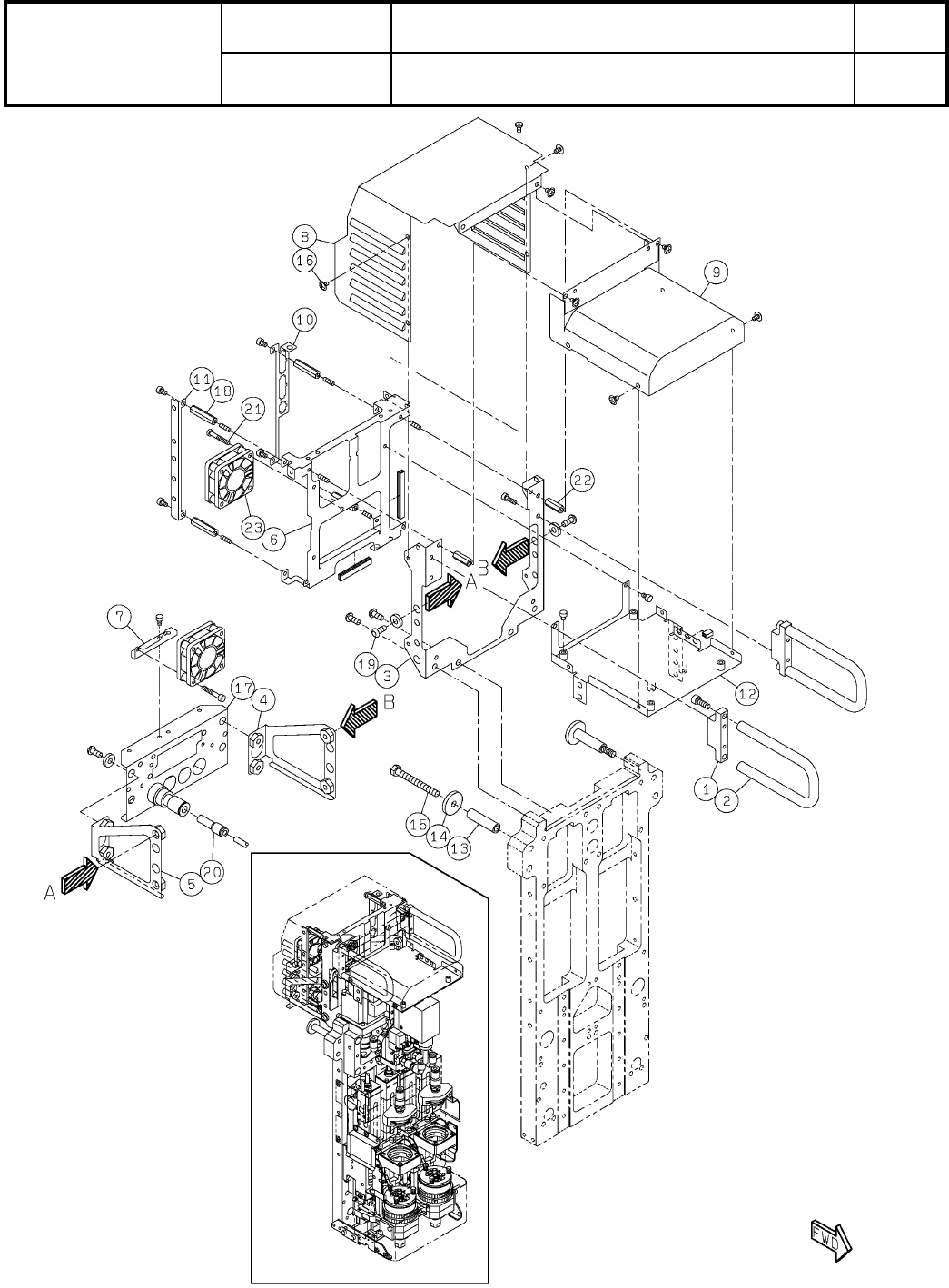
Ref No. Remarks R 1 Q'ty 68- F 塗布ヘッド:NPM DISPENSER HEAD:NPM イラスト No. Part No. 品 名 品 番 数量 R 2 パーツリスト Kit No. キット品番 Kit Name キット名称 N610157748AA Part Nam e 備 考 セク ション No . PARTS LIST Section No. R 3 BLOCK 2 1 N21008217…

68-F
塗布ヘッド:NPM
DISPENSER HEAD:NPM
パーツレイアウト
Kit No.
キット品番
Kit Name
キット名称
N610157748AA
セクションNo.
PARTS LAYOUT
Section No.
--
O257
( KN610157748AA-07-6 )

Ref
No.
Remarks R
1
Q'ty
68-F
塗布ヘッド:NPM
DISPENSER HEAD:NPM
イラスト
No.
Part No.
品 名品 番 数量
R
2
パーツリスト
Kit No.
キット品番
Kit Name
キット名称
N610157748AA
Part Name
備 考
セクションNo.
PARTS LIST
Section No.
R
3
BLOCK
2
1 N210082171AA
HANDLE
2
2 N210082172AA
BRACKET
1
3 N210130916AC
BRACKET
1
4 N210130917AB
BRACKET
1
5 N210130918AB
BRACKET
1
6 N210134618AC
BRACKET
1
7 N210131832AA
COVER
1
8 N210134622AC
COVER
1
9 N210134629AC
BRACKET
1
10 N210130926AA
BRACKET
1
11 N210130927AB
BRACKET
1
12 N610113786AD
SPACER
2
13 N510031805AA CB-530E
WASHER
2
14 MTNK002127AA WASB20-5-3
BOLT
2
15 N510017750AA
Hexagon head bolt Best class M5X45-6g 4T A2J (Trivalent)
SCREW
26
16 N510045431AA
Cross recessed pan head machine screw with RPW M3X5-4.8 A2S
COUPLER
1
17 N510056595AA MA-MS-PC1-06(CS33843-2)
SPACER
4
18 N510019889AA ASF-325E
BOLT
12
19 N510002011AA SRBS-M4X10
JOINT
1
20 N510066671AA KQ2R04-06A
BOLT
2
21 N510067770AA Low Head Cap Screw M3X20-8.8 A2J(Trivalent)
SPACER
2
22 N510015643AA ASF-316E
FAN
2
23 N610083228AB
O258
--
( KN610157748AA-07-6 )

69
塗布ヘッド制御:NPM
DISPENSER HEAD(H):NPM
パーツレイアウト
Kit No.
キット品番
Kit Name
キット名称
N610083275AA
セクションNo.
PARTS LAYOUT
Section No.
--
O259
( KN610083275AA-12 )