文档中心
/
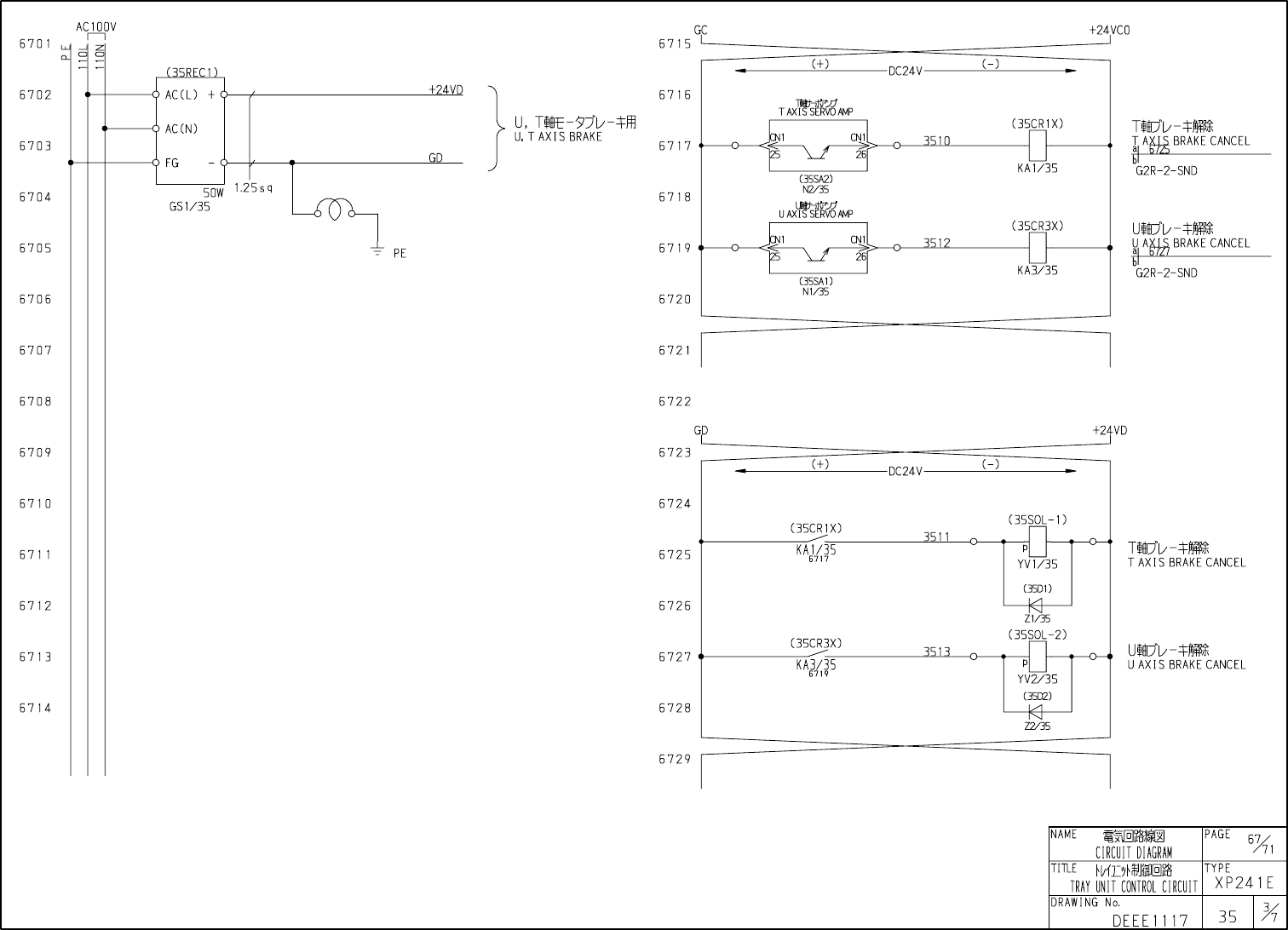
Schmtic_XP241_08
Schmtic_XP241_08 - 第70页
在线预览 Schmtic_XP241_08 PDF 文档。
目录
100%
显示:宽度
宽度
1 / 146
回到旧版
旧版
?
该页面需要启用 JavaScript 才能进行交互式预览。