YSM40R_KMB_mpl - 第63页
KMB-1712 1 2 3 4 5 6 7 8 9 10 11 12 13 14 15 16 17 12 11 14 8 1 Blow Station (Fix) Blow Station

KMB-1712
Rev. :It had a change without the compatibility. Please be careful at the time of the parts ordering.
Rev.: 過去に互換性の無い変更が入った部品。部品発注時は注意してください。
No. Part No. Part Name Q’ty Remarks Rev. Rank Level
1 KGA-M9113-00 GUIDE 1,END 2 /
Í
2 KGA-M9114-00 GUIDE 2,END 2 /
Í
3 KLF-M653M-01 SENSOR ENT ASSY 2 B
Í
4 KLF-M913A-A1 PULLEY,ASSY 8 /
Í
5 KLF-M9150-A0 PULLEY,CONV. ASSY 8 /
Í
6 KLF-M9171-02 FRAME,CONVEYOR 1 /
Í
7 KLF-M9172-02 FRAME,CONVEYOR 1 /
Í
8 KLF-M9173-00 PLATE 1A,GUIDE 4 /
Í
9 KLF-M9174-00 GUIDE 1-1 4 /
Í
10 KLF-M9175-00 STAY,PLY 1 2 /
Í
11 KLF-M9176-00 STAY,PLY 2 2 /
Í
12 KLF-M9177-01 BELT,CV 1 4 E
13 KLF-M9178-00 STAY,SENS.1 1 /
Í
14 KLF-M9179-00 STAY,SENS.2 1 /
Í
15 91312-03008 BOLT HEX,SOCKET HEAD 16
16 91312-04010 BOLT HEX,SOCKET HEAD 12
17 91312-04012 BOLT HEX,SOCKET HEAD 8
18 92902-03200 WASHER,PLAIN 8
19 92902-04200 WASHER,PLAIN 4
20 92902-05200 WASHER,PLAIN 8
21 92902-05600 WASHER,PLAIN 4
22 95302-05600 NUT HEXAGON 4
23 97602-03310
SCREW PAN HEAD W/WASHER
4
24 KMB-M9171-00 FRAME,CONVEYOR 1
25 KMB-M9172-00
FRAME,CONVEYOR 1
26
27
28
29
30
31
32
33
34
35
36
37
38
No. Part No. Part Name Q’ty Remarks Rev. Rank Level
39
40
41
42
43
44
45
46
47
48
49
50
51
52
53
54
55
56
57
58
59
60
61
62
63
64
65
66
67
68
69
70
71
72
73
74
75
76
7
9
Extension
Conveyor

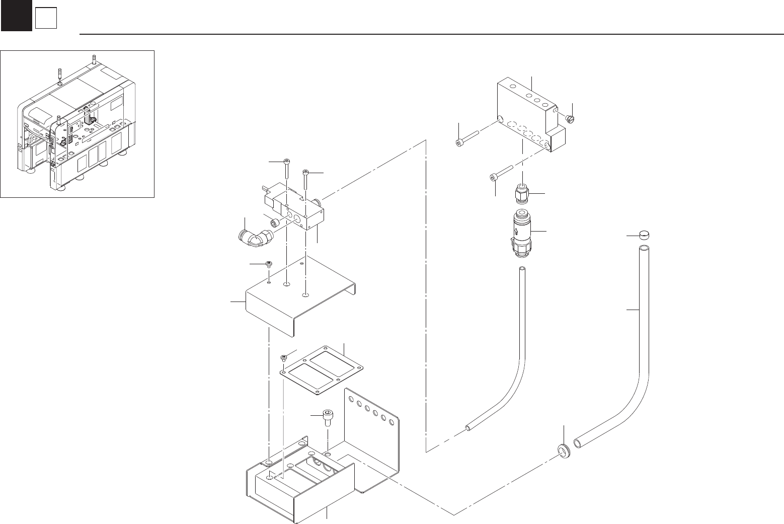
KMB-1712
Rev. :It had a change without the compatibility. Please be careful at the time of the parts ordering.
Rev.: 過去に互換性の無い変更が入った部品。部品発注時は注意してください。
No. Part No. Part Name Q’ty Remarks Rev. Rank Level
1 KMB-M9901-00 BOX,BLOW ST. 1 3D /
Í
2 KMB-M9902-00 BLOCK,BLOW ST. 1 /
Í
3 KMB-M9903-00 COVER,BOX 1 /
4 KMB-M9904-00 TUBE 4 /
Í
5 KMC-M99B8-00 PLATE,BOX 1 /
Í
6 KMC-M99B9-00 COLLAR 4 /
Í
7 KLW-M99B5-00 INLINE FILTER 1 E
8 KLW-M99B6-00 PLUG 1 /
Í
9 KLW-M99V1-A0 BLOW VALVE ASSY. 1 B
Í
10 90990-23J030 GROMMET 4
11 91312-03020 BOLT,HEX.SOCKET HEAD 2
12 91312-04025 BOLT,HEX.SOCKET HEAD 2
13 91312-06010 BOLT,HEX.SOCKET HEAD 2
14 98902-03004 SCREW, BINDING HEAD 8
15 $PL6-01 JOINT 1
16 $ATS6-01 JOINT 1
17 $PF PLUG 1
18
19
20
21
22
23
24
25
26
27
28
29
30
31
32
33
34
35
36
37
38
No. Part No. Part Name Q’ty Remarks Rev. Rank Level
39
40
41
42
43
44
45
46
47
48
49
50
51
52
53
54
55
56
57
58
59
60
61
62
63
64
65
66
67
68
69
70
71
72
73
74
75
76
8
1
Blow Station (Fix)
Blow Station
