P-0146-001.pdf - 第57页
MODEL TPM-100F/R 0102-001 Key No . P AR T No. P AR T NAME Q’ty REMARKS NOTE 55 F A-5 40 1 630 089 2864 UNIT ,I/O 1 N006, SAB10-TM16J43A 748F A-1 10-401 40 2 630 085 3292 UNIT ,I/O 1 N053, SAB10-TB04C1 748F A-1 10-402 40 …

MODEL TPM-100F/R
0102-001
54
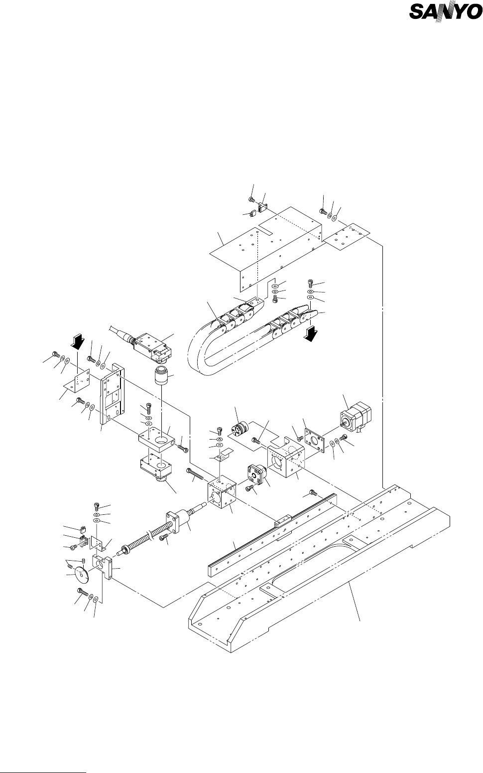
スキージヘッド部 SQUEEGEE HEAD SECTION
Fig. FA-5 ケーブル Cable
420
416
462
463
403
404
402
404
409
408
464
465
466
405
401
407
411
463
413
418
462
461
463
415
419
414
417
462
461
410
461
See Fig.FA-1
Key No.26
See Fig.FA-1
Key No.2
See Fig.FA-1
Key No.8
See Fig.FA-1
Key No.18
See Fig.FB-1
Key No.25
See Fig.FB-1
Key No.14
See Fig.FB-1
Key No.15
See Fig.FB-1
Key No.7
See Fig.FB-1
Key No.9
See Fig.FB-1
Key No.6
See Fig.FA-1
Key No.22
See Fig.FA-3
Key No.205
See Fig.FA-1
Key No.15
See Fig.FA-4
Key No.301
See Fig.FA-4
Key No.301
Fig.FA-5
TPM-100F/R
406
412

MODEL TPM-100F/R
0102-001
Key No. PART No. PART NAME Q’ty REMARKS
NOTE
55
FA-5
401 630 089 2864 UNIT,I/O 1 N006, SAB10-TM16J43A
748FA-110-401
402 630 085 3292 UNIT,I/O 1 N053, SAB10-TB04C1
748FA-110-402
403 630 091 1787 ACCESSORY,WIRING 1 748FA-110-403
404 630 091 1749 BRACKET,WIRING 2 748FA-110-404
405 630 090 8664 BRACKET 1 748FA-110-405
406 630 088 6252 CORD 1 XNC064,06E-XNC1064,106E
748FA-110-406
407 630 088 6269 CORD 1 XNC06F-XNC533 748FA-110-407
408 630 088 6276 CORD 1 XNC531,532-XNC534
748FA-110-408
409 630 088 6283 CORD 1 XNC535- 748FA-110-409
410 630 088 6290 CORD 1 XNC060,061-XNC1060,1061
748FA-110-410
411 630 088 6306 CORD 1 XNC062,063-XNC1062,1063
748FA-110-411
412 630 088 6313 CORD 1 XNCA06,B06-XNC1A06
748FA-110-412
413 630 088 6320 CORD 1 748FA-110-413
414 630 088 6337 CORD 1 XNC311- 748FA-110-414
415 630 088 6344 CORD 1 748FA-110-415
416 630 088 6351 CORD 1 XNC106H-XNC206H 748FA-110-416
417 630 088 6368 CORD 1 XNC310-XNC1310 748FA-110-417
418 630 088 6375 CORD 1 XNC1A06-XNC2A06 748FA-110-418
419 630 088 6382 CORD 1 XNC311-XNC1311 748FA-110-419
420 630 088 7228 CORD 1 XNC06H-XNC106H 748FA-110-420
461 411 113 1400 SCR PAN 4X6 4 748FA-110-461
462 411 008 1706 WASHER SPR 4 4 748FA-110-462
463 411 119 2104 WASHER V 4X9X0.8 4 748FA-110-463
464 630 000 7510 BOLT,HEX-SCT 3 748FA-110-464
465 411 141 2806 WASHER SPR 3 3 748FA-110-465
466 411 141 3902 WASHER V 3X7X0.5 3 748FA-110-466

MODEL TPM-100F/R
0102-001
56
スクリーン認識部 SCREEN RECOGNITION SECTION
Fig. FB-1 スクリーン認識 X 部 Screen Recognition X Section
61
7
68
72
73
78
77
74
74
77
78
11
A
10
9
78
77
78
21
63
64
65
67
72
73
24
71
2
68
4
62
16
1
73
3
68
17
5
69
18
73
72
67
20
8
6
61
66
19
76
77
78
See Fig.FA-1
Key No.22
15
72
68
75
79
22
75
23
70
A
72
73
13
12
14
77
74
8
25
Fig.FB-1
TPM-100F/R