EJM9BE-PL-00A-00 - 第196页
15-A 交 換 台車駆 動部 (後 側 ):NPM Feeder cart drive unit(rear side):NPM パーツレイアウト Ki t N o . キット 品番 Kit N am e キット名称 N6 1007 313 1AA セクションNo. PARTS LAYOUT Section No. - - O85 ( KN610073131AA-05-1 )

Ref
No.
Remarks
R
1
Q'ty
14
交
換
台車支持
部
(前
側
):NPM
Feeder cart support(front side):NPM
イラスト
No.
Part No.
品 名品番 数量
R
2
パーツリスト
Kit N
o
.
キット品
番
Kit Name
キット名称
N610073130AA
Part Name
備 考
セクションNo.
PARTS LIST
Section No.
R
3
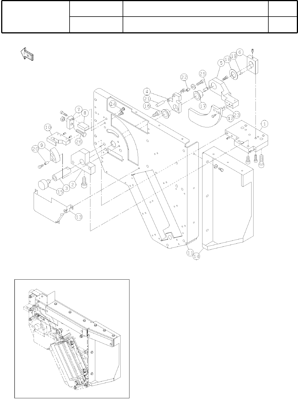
PLATE
1
1 N210109720AA
PLATE
1
2 N210091010AB
GUIDE
1
3 N210091012AB
PLATE
1
4 N210091013AA
CAM-FOLLOWER
1
5 N510032929AA CF12VBUUR
WASHER
3
6 N510037199AA 87FWSSB-D22.0-V5.5-T3.0
PIN
1
7 N510025091AA 87STEHN13
SPACER
2
8 N510020062AA 3382330-50050
O84
--
( KN610073130AA-04 )

15-A
交
換
台車駆
動部
(後
側
):NPM
Feeder cart drive unit(rear side):NPM
パーツレイアウト
Ki
t
N
o
.
キット
品番
Kit Name
キット名称
N610073131AA
セクションNo.
PARTS LAYOUT
Section No.
--
O85
( KN610073131AA-05-1 )

Ref
No.
Remarks
R
1
Q'ty
15-A
交
換
台車駆
動部
(後
側
):NPM
Feeder cart drive unit(rear side):NPM
イラスト
No.
Part No.
品 名品番 数量
R
2
パーツリスト
Kit N
o
.
キット品
番
Kit Name
キット名称
N610073131AA
Part Name
備 考
セクションNo.
PARTS LIST
Section No.
R
3
PLATE
1
1 N210091105AA
BLOCK
1
2 N210091233AA
SHAFT
1
3 N210091107AA
LEVER
1
4 N210103096AC
LEVER
1
5 N210103097AB
PLATE
1
6 N210091110AA
PLATE
1
7 N210103084AB
PLATE
1
8 N210091113AA
GUIDE
1
9 N210093809AB
GUIDE
1
10 N210103087AB
PLATE
1
11 N210105332AD
GUIDE
1
12 N210103100AB
COVER
1
13 N210103101AB
COVER
1
14 N210117400AA
CAM-FOLLOWER
1
15 N510036568AA CF-SFU-12B
BUSH
1
16 N510037242AA LFF-2010
BUSH
1
17 N510013369AA LFF-2015
WASHER
1
18 N510037241AA LFW-2015
PIN
1
19 N510020590AA MMS3-10
SPACER
2
20 N510038787AA 3382330-50120
DOWEL-PIN
1
21 N510038675AA 87MST8-30
SPACER
1
22 N510042412AA 3382330-60080
PIN
1
23 N510020607AA MMS5-10
BOLT
4
24 N510017555AA
SSS 003 Hexagon socket button head screw M6X12-10.9 A2J (Trivalent)
PIN
1
25 N510027277AA MMST8-15
STOPPER
1
26 N610078705AA
O86
--
( KN610073131AA-05-1 )