KE-3010A_KE-3020VA_KE-3020VRA-Rev06 - 第178页
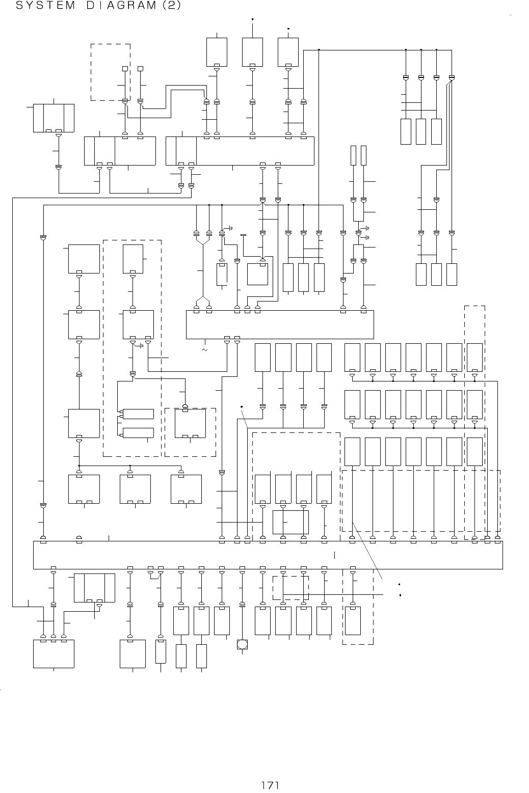
- - 86. SYSTEM DIAG RAM(2) F A N C N 8 C N 1 2 2 3 X + L I M X N E A R X - L I M X N E A R S E N S O R X + L I M I T S E N S O R X - L I M I T S E N S O R H E A D I O 2 2 6 2 6 2 5 2 2 1 8 1 6 1 4 1 2 1 0 4 5 3 6 7 8 6…

- -
REF.NO NOTE PART NO D E S C R I P T I O N Qty
1 401-46386 NFB-LF CABLE ASM 1
2 401-33966 MAIN SW INPUT CABLE ASM 1
3 401-48269 AC INPUT UNIT FG CABLE ASM 1
4 401-29262 AC INPUT SURGE PROTECTOR ASM 1
5 400-92401 AC INPUT NO.26 CABLE ASM 1
6 401-46437 MTC/MTS PWR CONNECTOR ASM 1
7 401-46387 MAIN SW-TF CABLE ASM 1
8 401-46436 MTC/MTS PWR CABLE ASM 1
9 401-35052 TRANSFORMER 1
10 401-33971 TF INPUT CABLE (DELTA) ASM 1
11 401-09925 TF FG CABLE ASM 1
12 401-09926 TF 200V OUTPUT CABLE ASM 1
13 401-09927 TF 34V OUTPUT CABLE ASM 1
14
#01
401-13637 SAFETY U 34V IN CABLE ASM(EN) 1
15
#01
401-13638 SAFETY U 34V OUT CABLE ASM(EN) 1
16 401-09928 TF 100VA OUTPUT CABLE ASM 1
17 401-09929 TF 200VB OUTPUT CABLE ASM 1
18
#06
401-49489 POWER SUPPLY UNIT 10 ASM 1
19
#03
401-49490 POWER SUPPLY UNIT 10(EN) ASM 1
20
#04
401-49556 POWER SUPPLY UNIT 20 ASM 1
21
#05
401-49559 POWER SUPPLY UNIT 20(EN) ASM 1
22 401-09930 X PWR CABLE ASM 1
23 401-29652 X AXIS DRIVER 1
24 401-09933 X DRV FG CABLE ASM 1
25 401-14533 ETF_POWER_ASM 1
26 401-13635 GND COMMON CABLE ASM 1
27 401-29244 VACUUM PUMP ASM 1
28 401-46409 VACUUM PUMP RELAY CABLE ASM 1
29 401-48286 FAN CABLE ASM 1
30 401-33768 DC FAN 1
31 400-44540 16AXIS 2CH SERVO CONTROLLER 1
32 401-09948 POS BOARD1 1CH CABLE ASM 1
33 400-97614 XY-RELAY POS RELAY CABLE ASM 1
34 400-48070 OPTICAL FIBER CABLE 7M 1
35 401-46367 X ENC CABLE ASM 1
36 401-09943 X MOTOR CABLE ASM 1
37
#01
HN-0015500-00 CORE 1
38 401-46388 XY BEAR CABLES ASM 1
39 401-46380 Y BEAR CABLES ASM 1
40 401-29630 XY LINEAR SCALE HEAD 1
41 400-44545 X MOTOR ENCODER CABLE 1
42 400-44546 X MTR POWER CABLE 1
43 401-29653 X AXIS MOTOR 1
44 401-06795 S-XY RELAY PCB ASM 1
45 401-29654 Y AXIS DRIVER 1
46 401-09931 YL POWR CABLE ASM 1
47 400-92416 DRV FG CABLE ASM 1
48 401-29627 OPTICAL FIBER CABLE 1M 1
49 401-46383 YL LINEAR SENS CABLE ASM 1
50 401-46368 YL ENC CABLE ASM 1
51 401-46381 YL ENCODER CABLE ASM 1
52 401-46439 YL MOTOR CABLE ASM 1
53 401-46348 Y AXIS SERVO MOTOR 1
54 401-29628 OPTICAL FIBER CABLE 0.15M 1
55 401-09932 YR PWR CABLE ASM 1
56 401-46384 YR LINEAR SENSER CABLE ASM 1
57 401-46369 YR ENC CABLE SAM 1
58 401-46382 YR ENCODER CABLE ASM 1
59 401-46440 YR MOTOR CABLE ASM 1
60 401-46346 ATX PSU 1
61 401-46431 ATX POWER CABLE ASM 1
62 401-46347 BATTERY 1
63 401-63313 ATX MAIN CABLE ASM 1
64 401-46426 ATX 12V CABLE ASM 1
65 401-31764 ATX CTRL CABLE ASM 1
66 401-63314 CPCI POWER CABLE ASM 1
67 401-05681 MONITOR SWITCH PCB PWR CABLE ASM 1
68 401-29625 CPCI BACK BOARD 6SLOT 1
69 HX-0057700-00 POWER SUPPLY 1
70 400-97430 COPLA INPUT RELAY CABLE ASM 1
71 400-97428 COPLA CPU POWER CABLE ASM 1
72 400-97433 COPLA CPU GND CABLE ASM 1
73 400-97432 COPLA CPU CP CABLE ASM 1
74 400-97423 CPCI BACK BOARD 1
75 401-32154 COPLA MONITOR SWITCHING BOARD 1
76 401-29650 4AXIS INTEGRAL TYPE T AXIS DRIVER 1
77
#04
401-29628 OPTICAL FIBER CABLE 0.15M 1
78
#04
401-49143 SERVO MOTOR 30W 1
79 401-46452 SERVO MOTOR 10W 1
80 401-46396 LZT PWR RELAY CABLE ASM 1
81 401-18621 OPTICAL FIBER CABLE 2M 1
82
#02
401-29628 OPTICAL FIBER CABLE 0.15M 1
83
#02
401-49143 SERVO MOTOR 30W 1
84
#07
401-46437 MTC/MTS PWR CONNECTOR ASM 1

- -
86.SYSTEM DIAGRAM(2)
F A N
C N 8
C N 1 2 2 3X + L I M
X N E A R
X - L I M
X N E A R
S E N S O R
X + L I M I T
S E N S O R
X - L I M I T
S E N S O R
H E A D I O
2
2 62 62 52 21 8
1 61 41 21 0
4
5
3
6
7
8
6
9
1 1 1 3 1 5 1 7 1 9 2 1
2 0
2 82 7
1
6
2 9
3 0 3 0 3 0
3 1
3 2
3 9 4 0
3 7
4 5
3 8
3 3
3 6
3 5
3 4
4 2
4 1
4 3
4 6
6
4 7
5 0 5 1 5 2 5 3
4 8 4 9
5 65 4
5 5 5 7 5 8 5 8
5 9
6 0 6 1
4 4
6 2 6 5
8 4 8 5
8 3
8 2
8 1
8 0
7 2
7 1
7 0
6 8
6 7
6 6
6 9
7 8 7 8 7 9
7 7
7 6
7 5
1 1 0
1 1 0
1 1 0
1 1 1
1 1 2
1 1 3
1 1 3
1 1 4
9 9
1 0 2 1 0 3
1 0 8 1 0 9
1 0 4
1 0 5
1 0 7
1 0 6
1 0 1
1 0 0
8
9 3
9 4
9 5
9 6
9 7
9 8
1 1 5
9 1
9 2
8
8 9
9 0
8
8 6
8 7
8 8
7 47 3
2 3 2 4
E T H E R M A I N P C B
O C C C A M E R A
S L I G H T
C T R L P C B
S - H E A D M A I N
P C B A S M
I P - X 7 P C B
T E M P E R A T U R E
S E N S O R P W B A S M
O C C C L I G H T P C B A S M
O C C A L I G H T P C B A S M
O C C A L I G H T P C B A S M
I E E E 1 3 9 4 a
R E P E A T E R
O N L Y 3 0 2 0 V 3 0 2 0 V R
4 A X I S S E R V O
A M P ( 1 ) 2 / 2
4 A X I S S E R V O
A M P ( 2 ) 2 / 2
4 A X I S S E R V O
A M P ( 3 ) 2 / 2
O N L Y 3 0 2 0 V 3 0 2 0 V R
4 A X I S S E R V O
A M P ( 4 ) 2 / 2
O C C
C A M E R A
O C C C
L I G H T P C B A S M
O C C A
L I G H T P C B A S M
O C C A
L I G H T P C B A S M
O N L Y 3 0 2 0 V 3 0 2 0 V R
I E E E 1 3 9 4
B O A R D
S C M 3 P C B
O N L Y 3 0 2 0 V R
P O W E R U N I T 3 / 5
F E E D E R P C B
1 / 2
8 - P O R T C O M
B O A R D 1 / 3
X Y 0 5
B A S E I / O P C B
1 / 2
X Y - R E L A Y P C B
2 / 3
8 - P O R T C O M
B O A R D 2 / 3
O P E R A T I O N
P C B ( F ) 1 / 2
O P E R A T I O N
P C B ( R ) 1 / 2
L I G H T - A 1 C N 1 0
L I G H T - A 2
E N 3
E N 1
E N 2
C N 8 1 3
E N 2
E N 1
E T H E R
S L A V E
P C B
4 - 2 C
A C 3
4 - 1 D
C N 4 7 8
E N 1
C N 2
C N 3 2
C N 3 3
H M S
H M S
H E A D R
B / M
F I B E R
B / M A M P
C N 1 4
C D S
F I B E R
C D S A M P
C N 2 0
C N 2 3
O C C L
L I G H T - C
C N 1 2
C N 1
C N 9
N Z D W N 1
C N 2 6
Z 1
P R E S S U R E
S E N S O R
C N 1 1
C N 2 7
T 7 S L O W
D O W N
S E N S O R
C N 2 5
C N 4 1
C N 4 0
C N 3 9
C N 3 8
C N 3 7
C N 3 6
C N 3 5
C N 8
C N 7
C N 6
C N 3 1
C N 2 8
C N 1 6
C N 1 3
C N 1 9
C N 1 5
C N 2 4 5
1 - 5 A
C N 4 B C N 5
C N 4 D
C N 4 B
C N 4 D
1 - 5 B
C N 5
C N 4 B
C N 4 D
1 - 5 C
C N 5
C N 2 0 1
L N C 6 0
C N 1
F M L A
C N 4 C C N 5
1 - 5 D
C N 4 D
O C C R
L I G H T - C
L I G H T - A 1
L I G H T - A 2
Z 2
P R E S S U R E
S E N S O R
Z 3
P R E S S U R E
S E N S O R
Z 4
P R E S S U R E
S E N S O R
Z 5
P R E S S U R E
S E N S O R
Z 6
P R E S S U R E
S E N S O R
Z 7
P R E S S U R E
S E N S O R
Z 1 V A C S V
Z 2 V A C S V
Z 3 V A C S V
Z 4 V A C S V
Z 5 V A C S V
Z 6 V A C S V
Z 7 V A C S V
N Z D W N 2
N Z D W N 3
Z 1 B L W S V
Z 2 B L W S V
Z 3 B L W S V
Z 4 B L W S V
Z 5 B L W S V
Z 6 B L W S V
Z 7 B L W S V
C N 0 6 4
C N 3 2
C N 2 0
O N L Y
3 0 2 0 V 3 0 2 0 V R
N O Z Z L E
D O W N
S E N S O R L
N O Z Z L E
D O W N
S E N S O R I C
N O Z Z L E
U P S V A S M
N O Z Z L E
D O W N
S E N S O R R
3 - 3 B
C N 6 2
C N 6 1
C N 1 9
C N 2 6
C N 1 7
C N 0 6 4
I O N I / O
P U M P - I O
C N 6 8
1 - 3 B
1 - 5 B
S I 0 1
C H 1
C O M
J 4
J 8
C H 1C H 2
C N 8 4 8
L N C 6 0
I O N I Z E R
I O N P W R
S A F T Y
U N I T ( E N )
E N 2
E N 1
1 - 3 A
S A F E I O
L E D F
L E D R
R T F U L X
F U L X R L Y
C O P L A L A
P I L O T
L A M P
P I L O T
L A M P
C O P L A
L A S E R K E Y
F U L X P W R
F U L X R L Y 1
F U L X R L Y 2
M O T O R
S W I T C H
C N 9 0 1
X Y 1 0
X Y 0 3
C N 1 6
C N 1 0
M O T O R
S W I T C H
C N 4
4 - 5 A
C N 9
C N 7
C N 3 3
C N 5
X Y E N 2
X Y E N 2
4 - 2 A
E T H E R
S L A V E
P C B
4 - 2 A
C N 2
C N 1
E N 2
E T H E R
S L A V E
P C B
E N 1
E S F
E T H E R
S L A V E
P C B
E N 2
E N 1
3 - 2 A
I / F R
I / F L
M T S I / F
M T C I / F
X Y 0 8
X Y 0 1
X Y 0 2
X Y 0 4
C N 1 2 4 7
C N 1 2 3 9
1 - 4 B
S I 0 2
4 - 4 C
3 - 4 A
3 - 4 B
C N 1 4
C N 1 4
C N 1 2 4 1
C N 1 2 7
Y - L I M I T
S E N S O R
Y + + L I N I T
S E N S O R
Y N E A R
S E N S O R
Y - L I M I T
S E N S O R
Y + + L I N I T
S E N S O R
Y N E A R
S E N S O R
O N L Y 3 0 1 0 A / 2 0 V A / 2 0 V R A

- -
REF.NO NOTE PART NO D E S C R I P T I O N Qty
1 401-30259 S-HEAD MAIN PCB ASM 1
2 401-49647 ETHER MAIN BOARD 1
3 401-47903 ETHER CABLE MAIN-XY ASM 1
4 401-47904 ETHER HEAD CABLE ASM 1
5 401-47907 ETHER LIGHT CABLE ASM 1
6 401-46388 XY BEAR CABLE ASM 1
7 401-08607 S-LIGHT_CTRL PCB ASM 1
8 400-47557 ETHER-SLAVE PCB ASM 1
9 401-46374 OCC CABLE ASM 1
10 400-71300 IPX7 ASM 1
11 401-46355 HIGHT SENSOR RELAY CABLE ASM 1
12 401-46354 HMS CABLE ASM 1
13 400-47981 BAD MARK FIBER AMP ASM 1
14 HD-0013100-30 FIBER UNIT 1
15 400-45484 NOZZLE SENSOR AMP ASM 1
16 HD-0026000-10 SENSOR 1
17 401-46370 HDM-TMP SENSOR CABLE ASM 1
18 401-28883 THERMAL SENSOR PCB ASM 1
19 401-46385 HEAD FAN RELAY CABLE ASM 1
20 401-19461 HEAD FAN MOTOR A ASSY 1
21 400-92466 OCC CAMERA L CABLE ASM 1
22 400-48028 OCC CAMERA 1
23 401-09977 OCC LIGHT CABLE ASM 1
24 401-09978 OCC LIGHT 3010 CABLE ASM 1
25 400-47512 OCC C LIGHT PCB ASM 1
26 400-47508 OCC A LIGHT PCB ASM 1
27 401-09979 OCC OPASS LIGHT CABLE ASM 1
28
#03
401-13698 T7 SLOW DOWN SENSOR ASM 1
29 401-09976 HEAD I/O CABLE ASM 1
30 401-29650 4AXIS INTEGRAL TYPE T AXIS DRIVER 1
31 401-46398 LNC60 I/F CABLE ASM 1
32 400-45547 LNC60 1
33 400-44517 1394 ROBOT CABLE ASM 1
34 400-48078 IEEE1394 REPEATER BOARD 1
35 401-13617 1394 RELAY CABLE ASM 1
36 401-50021 IEEE1394 BOARD 1
37 400-03264 FMLA SENSOR 1
38 E9345-721-0A0 CABLE ASM. 1
39 401-09971 LA SENSOR RELAY CABLE ASM 1
40 401-09972 SCM3 PCB PWR CABLE ASM 1
41 400-92460 SCM3 PCB 1
42 401-46373 FMLA SERIAL CABLE ASM 1
43 401-35433 8-PORT COM BOARD 1
44 401-46395 XY BEAR 1P CABLE ASM 1
45 401-29650 4AXIS INTEGRAL TYPE T AXIS DRIVER 1
46 401-09974 HEAD MAIN PWR CABLE ASM 1
47 401-46401 NOZZLE UP SV RELAY CABLE ASM 1
48
#02
401-46413 NOZZLE DOWN CABLE ASM 1
49
#03
401-13703 NOZZLE DOWN CABLE ASM 1
50 401-29113 NZL-UP SV CABLE ASM 1
51 401-13702 NOZZLE DOWN SENS IC ASM 1
52 400-92495 NOZZLE DOWN SENS L ASM 1
53 401-13701 NOZZLE DOWN SENS R ASM 1
54 400-92467 OCC CAMERA R CABLE ASM 1
55 400-48028 OCC CAMERA 1
56 401-09977 OCC LIGHT CABLE ASM 1
57 400-47512 OCC C LIGHT PCB ASM 1
58 400-47508 OCC A LIGHT PCB ASM 1
59 401-09979 OCC OPASS LIGHT CABLE ASM 1
60
#02
401-35793 VACUUM CABLE ASM(7AXIS) 1
61
#03
401-35790 VACUUM CABLE ASM 1
62
#02
401-49489 POWER SUPPLY UNIT 10 ASM 1
63
#04
401-49490 POWER SUPPLY UNIT 10(EN) ASM 1
64
#03
401-49556 POWER SUPPLY UNIT 20 ASM 1
65
#05
401-49559 POWER SUPPLY UNIT 20(EN) ASM 1
66 401-46433 SERV/PMP CTRL CABLE ASM 1
67 400-97626 IONIZER CABLE ASM 1
68 400-93724 IONIZER 1
69 401-13673 IONIZER PWR CABLE ASM 1
70
#01
401-13640 SAFETY U 901 CABLE ASM(EN) 1
71 401-46389 XY-RELAY I/O CABLE ASM 1
72 401-09960 XY-RELAY PWR CABLE ASM 1
73 400-97616 XY-RELAY I/O REALY CABLE ASM 1
74 401-13690 XY-RELAY PWR RELAY CABLE ASM 1
75 400-99906 PILOT LAMP CABLE F ASM 1
76 400-99907 PILOT LAMP CABLE R ASM 1
77 401-13714 KEY SWITCH CABLE ASM 1
78 400-99903 PILOT LAMP 1
79 400-99902 KEY SWITCH 1
80 401-22784 ROTARY FLUXER I/O CABLE ASM 1
81 401-22783 ROTARY FLUXER PWR CABLE ASM 1
82 401-22786 ROTARY FLUXER CABLE ASM 1
83 401-22787 ROTARY FLUXER MOTOR CABLE ASM 1
84 401-22788 ROTARY FLUXER MOTOR ASM 1
85 401-22789 ROTARY FLUXER SWITCH ASM 1
86 401-47905 ETHER CABLE FEEDER LR-RF ASM 1
87 400-47560 FEEDER PCB ASM 1
88 401-47906 ETHER CABLE BASE FEEDER ASM 1
89 401-47901 ETHER CABLE XY BASE ASM 1
90 400-71680 BASE IO PCB ASM 1
91 401-10049 MTC MTS I/F CABLE ASM 1
92 401-10050 MTC MTS I/F BR CABLE ASM 1
93 401-06795 S-XY RELAY PCB ASM 1
94 401-47900 ETHER CABLE XY BASE RELAY ASM 1
95 401-47902 ETHER CABLE MAIN-XY RELAY ASM 1
96 401-13688 XY MTC MTS CABLE ASM 1
97 401-13691 XY-RELAY HOD 232C RELAY CABLE ASM 1
98 401-46372 XY-RELAY HOD 232C CABLE ASM 1
99 401-35433 8-PORT COM BOARD 1
100 400-97619 XY-RELAY OPERATION RELAY CABLE ASM 1
101 401-10068 OPERATION RLY CABLE F ASM 1
102 401-48273 OPERATION PCB FRONT10 PCB ASM 1
103
#01
401-48277 OPERATION PCB FRONT10 ASM(EN) 1
104 400-97620 XY-RELAY OPERATION RELAY CABLE ASM 1
105 401-10069 OPERATION RLY CABLE R ASM 1
106 401-13689 XY-RELAY SENSOR RELAY CABLE ASM 1
107 401-46403 XY-RELAY SENSOR CABLE ASM 1
108 401-48275 OPERATION PCB REAR10 ASM 1
109
#01
401-48279 OPERATION PCB REAR10 ASM(EN) 1
110 401-29006 Y LMT SENSOR CABLE ASM 1
111 401-46380 Y BEAR CABLES ASM 1
112 401-46404 X PLUS SENSOR RELAY CABLE ASM 1
113 401-29000 X LMT SENSOR CABLE ASM 1
114 401-29002 NEAR SENSOR CABLE ASM 1
115
#06
401-10050 MTC MTS I/F BR CABLE ASM 1