KE-3010A_KE-3020VA_KE-3020VRA-Rev06 - 第39页
- - RE F .N O NO TE P A RT NO D E S C R I P T I O N Q ty 1 #01 4 0 1 -4 727 1 C O NV E Y O R _ C O V E R _ M _ A S M 1 2 #02 4 0 1 -4 727 2 C O NV E Y O R _ C O V E R _ L _ AS M 1 3 #03 4 0 1 -4 702 0 C O NV E Y O R _ …

- -
16.COVER COMPONENTS(6)
1 9 2 0
1 5 1 6
4 3 4 4
1 3
4 7 4 8
5 0
9 8
5 5 5 6
1 3 1 4
1 9 2 0
1 0 1 2
4 6
1 9 2 0
1 9 2 0
1 9 2 0
1 7 1 8
1 5 1 6
1 9 2 0
1 0 1 2
7 9
4 6
1 7 1 8
1 9 2 0
1 9 2 0
7 9
2 5
9 2
9 4
8 9
4 2
2 8
2 8
2 7
2 6
4 1
4 2
4 2
9 8
4 2
8 8
1 9 2 0
1 3 1 4
9 6
9 7
9 9
9 9
1 0 0 1 0 1
1 0 4
9 8
1 0 2 1 0 3
9 8
1 0 5
1 0 5
1 0 6
8 7
9 0
9 1
9 1
9 2
9 2
9 2
9 3
9 2
9 3
9 5
1 1 1
1 1 0
8 6
8 4 8 5
1 1 0
1 1 1
7 3 7 4
6 5
6 5
8 1
8 2
8 2
8 1
6 3 6 4
6 3 6 4
6 9
6 6 6 7
7 7 7 8
6 8
6 8
7 0
7 1
7 1
7 2
5 7 5 8
5 9 6 1
7 5 7 6
4 2
3 0 2 9
4 0
4 0
4 0
3 1
3 4
3 2
4 0
3 2
3 9
3 9
3 8
3 3
4 0
3 7
3 5
3 6
4 6
5 2
4 5
4 6
4 9
4 6
4 6
5 1
4 6
5 2
5 4
5 3
1 9 2 0
2 2
8 3
2 1
2 1
2 3 2 4
2 3 2 4
1 0 7
1 0 8
1 0 9
7 9
8 0
6 2

- -
RE F .N O NO TE PART NO D E S C R I P T I O N Qty
1
#01
401-4727 1 C O NVEY OR _COVER_M_AS M 1
2 #02 401-4727 2 C O NVEY OR _COVER_L_ASM 1
3
#03
401-4702 0 C O NVEY OR _COVER_LW_A SM 1
4
#01
401-4716 4 C O NVEY OR _COVER_M (2 )
5 #02 401-4716 7 C O NVEY OR _COVER_L (2 )
6
#03
401-4718 9 C O NVEY OR _COVER_L_200 (2 )
7 #01 401-4716 5 C O NVEY OR _S IDE _CO VER_M (2 )
8
#02
401-4716 8 C O NVEY OR _S IDE _CO VER_L (2 )
9 #03 401-4719 0 C O NVEY OR _S IDE _CO VER_L_20 0 (2 )
10
#01
401-4716 6 C O NVEY OR _UPPER_CO VE R_M (2 )
11
#02
401-4716 9 C O NVEY OR _UPPER_CO VE R_L (2 )
12 #03 401-4719 1 C O NVEY OR _UPPER_CO VE R_L _20 0 (2 )
13 4 0 1-4717 0 C O NVEY OR _COVER_STOP PER (2 )
14 #03 401-4719 2 C O NVEY OR _COVER_STOP PER _200 (2 )
15
#01
400-0148 0 C O NVEY OR SHU TT ER U (EN) (2 )
16 4 0 0-0148 4 C O NVEY OR SHU TT ER U (L,EN) (2 )
17
#01
400-0148 1 C O NVEY OR SHU TT ER B (EN ) (2 )
18 4 0 0-0148 5 C O NVEY OR SHU TT ER B (L, EN) (2 )
19 S M-00406 0 1-S C S CREW M4X0.7 L=6 (38 )
20
#03
SM-00406 0 1-S C S CREW M4X0.7 L=6 (40 )
21 4 0 0-0149 0 TA PE (2.8 )
22
#03
E5721-729-000 LA B EL (2 )
23 #13 E1143-721-000 W OOLE N CLOTH PA P ER (4 )
24 E 1143-721-000 W OOLE N CLOTH P A PE R (2 )
25
#04
401-4710 8 BA N K_C OVE R (FIXE D)_ F 1
26 4 0 1-4709 4 BA N K_C OVE R _FR (1 )
27 4 0 1-4721 5 BA N K_C OVE R _C_ F (1 )
28 4 0 1-4709 5 BA N K_C OVE R _PL A TE (2 )
29 CM -3001 0 00-04 D ANG E R LABEL (5 0) (1 )
30 1 6 8-7020 6 GR AVITY SEA L (1 )
31 4 0 1-4721 6 FE EDE R_SID E_C OVER _F_AS M(F_B ANK) (1 )
32 NM -6030 0 01-SC N UT M3 X0.5 TY P E1 (5 )
33 4 0 1-1429 8 GU ARD_ COVER_PO LE (1 )
34 S M-60316 0 2-T N SC RE W M3 L=16 (1 )
35 401-47171 F EEDE R_SID E _C OVER _FR_F (1 )
36 SL-6040892-TN B OL T (4 )
37 HX -0032 600-0B BU SH (1 )
38 401-47173 G U ARD_ CO VE R_B_L_F (1 )
39 401-13966 SP RING _TY PE _HI NGE (2 )
40 SM-3 0 30552-T N SC REW M3 L=5 (10 )
41 401-47093 BA NK_C OVER _FL (1 )
42 SL-306123 2-TN S CREW (16 )
43
#05
401-4710 9 BA N K_C OVE R (FIXE D)_ R _M 5
44 #06 4 0 1-4711 0 BA NK_C OVE R(FIXE D)_ R_L 1
45 4 0 0-0151 2 C O VER STU D YF (2 )
46 S L-3061232-TN S C RE W (16 )
47 #05 401-4709 7 BA N K_C OVE R _RL _ M (1 )
48
#06
401-4709 8 BA N K_C OVE R _RL _ L (1 )
49 4 0 0-0151 2 C O VER STU D YF (2 )
50 4 0 1-4708 5 BA N K_C OVE R _C (1 )
51 4 0 0-0151 2 C O VER STU D YF (1 )
52 4 0 1-4709 5 BA N K_C OVE R _PL A TE (2 )
53 CM -3001 0 00-04 D ANG E R LABEL (5 0) (1 )
54 1 6 8-7020 6 GR AVITY SEA L (1 )
55
#05
401-4709 6 BA N K_C OVE R _RR_ M (1 )
56 #06 401-4709 9 BA N K_C OVE R _RR_ L (1 )
57
#07
401-4711 4 BA N K_C OVE R (M_TORR OLY)_ R_M 1
58 #08 401-4711 6 BA N K_C OVE R (M_TORR OLY)_ R_L 1
59
#09
401-4711 3 BA N K_C OVE R (E_T OR ROLY)_ R_M (1 )
60 #10 401-4711 5 BA N K_C OVE R (E_T OR ROLY)_ R_L (1 )
61
#14
401-6108 9 BA N K_C OVE R (ME _ TORROLY)_R_L (1 )
62
#14
400-8083 3 SP ONG E (0.5 )
63 #09 SL-3061232-TN S CREW (8 )
64
#10
SL-3 061232-TN S CREW (10 )
65 4 0 0-0151 2 C O VER STU D YF (4 )
66 4 0 1-4708 8 T_ B AN K_COVER _CL (1 )
67 #14 401-6058 3 T_ B AN K_CO VER_CL (1 )
68 S L-3061232-TN S C RE W (4 )
69 4 0 0-8175 1 B_ COVE R_SC REW (2 )
70 4 0 0-0151 2 C O VER STU D YF (1 )
71 CM -3001 0 00-04 D ANG E R LABEL (5 0) (2 )
72 1 6 8-7020 6 GR AVITY SEA L (1 )
73
#09
401-4709 1 T_ B AN K_CO VER_RR_M (1 )
74 #10 401-4710 3 T_ B AN K_CO VER_RR_L (1 )
75
#09
401-4709 0 T_ B AN K_CO VER_RL_M (1 )
76
#10
401-4710 2 T_ B AN K_CO VER_RL_L (1 )
77 4 0 1-4708 9 T_ B AN K_COVER _CR (1 )
78
#14
401-6058 2 T_ B AN K_CO VER_CR (1 )
79 #14 401-6116 9 C HIP_C OVER (1 )
80
#14
400-8175 1 B_ COVE R_SC REW (2 )
81 4 0 1-4709 2 BO T TO M_HOLE_CO V ER (2 )
82 S L-3061232-TN S C RE W (4 )
83
#11
401-4711 2 BA N K_C OVE R (M_TORR OLY)_ F 1
84 #12 401-4711 1 BA N K_C OVE R (E_T OR ROLY)_ F (1 )
85
#14
401-6108 8 BA N K_C OVE R (ME _ TORROLY)_F (1 )
86 4 0 1-4721 8 FE EDE R_SID E_C OVER _F_AS M(T_B ANK) (1 )
87 4 0 1-4717 2 FE EDE R_SID E_C OVER _FR_NS O (1 )
88 S L-6040892-TN B O LT (4 )
89 HX-003260 0-0B BU SH (1 )
90 4 0 1-4717 4 GU ARD_ COVER_B_L _T (1 )
91 4 0 1-1396 6 SP R ING _TY P E_HINGE (2 )
92 S M-30305 5 2-T N SC RE W M3 L=5 (10 )
93 NM -6030001 -SC N UT M 3 X0.5 TY P E1 (5 )
94 401-14298 G U ARD_ CO VE R_POL E (1 )
95 SM-6 0 31602-T N SC REW M3 L=16 (1 )
96 401-47086 T _BAN K_CO VER _ FL (1 )
97 401-47087 T _BAN K_CO VER _ FR (1 )
98 SL-306123 2-TN S CREW (10 )
99 400-01512 C OVER STU D YF (2 )
100 40 1-47217 T _BAN K_COV ER _CL_F (1 )
101
#14
401-6058 4 T_ B AN K_CO VER_ CL_F (1 )
102 40 1-47089 T _BAN K _COV ER _CR (1 )
103
#14
401-6058 2 T_ B AN K_CO VER_CR (1 )
104 40 0-81751 B _ COVE R_SC REW (2 )
105 CM -3001 000 -04 D ANG ER LABE L (50) (2 )
106 16 8-70206 G RA VITY SEA L (1 )
107 #14 4 01-6116 9 C HIP_C OVER (1 )
108
#14
40 0-81751 B _ COVE R_SC REW (2 )
109 #14 4 00-8083 3 SP ONGE (0.5 )
110 40 1-47092 B O TTO M_HOLE_CO VER (2 )
111 SL -3061232-TN S C REW (4 )

- -
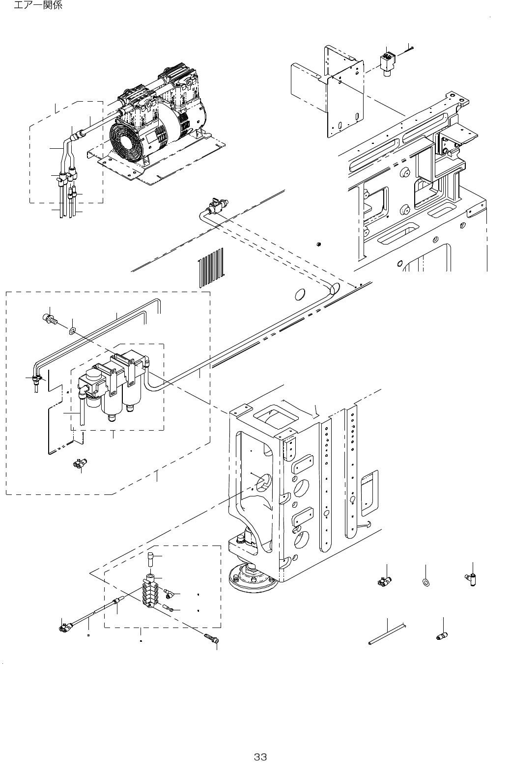
17.AIR COMPONENTS
9
1 3
1 1
1 2
1 0
3 5
2 1
2 0
2 4
2 2 2 3
1 8 1 9
6
7
3 4
2 5 3 7
3 6
1 4
3
4
8
1 5
5
2 6
2 7
1 6 1 7
3 2
2 9
3 1
3 0
3 3
1
2
2 8