P-327-005_SIGMA-F8S - 第145页
– 139 – HIGH SP E ED NO Z ZLE S T OCKER 1907-005 No. Part No. Part Name Qty . Detail 100 KY A-M9601-00 ASSY_CYLINDER 1 101 KY A-M960X-00 CYLINDER 1 103 KY A-M9612-00 OC_CYLINDER 1 104 KY A-M9608-00 AIR LINE EQPT 2 105 KY…

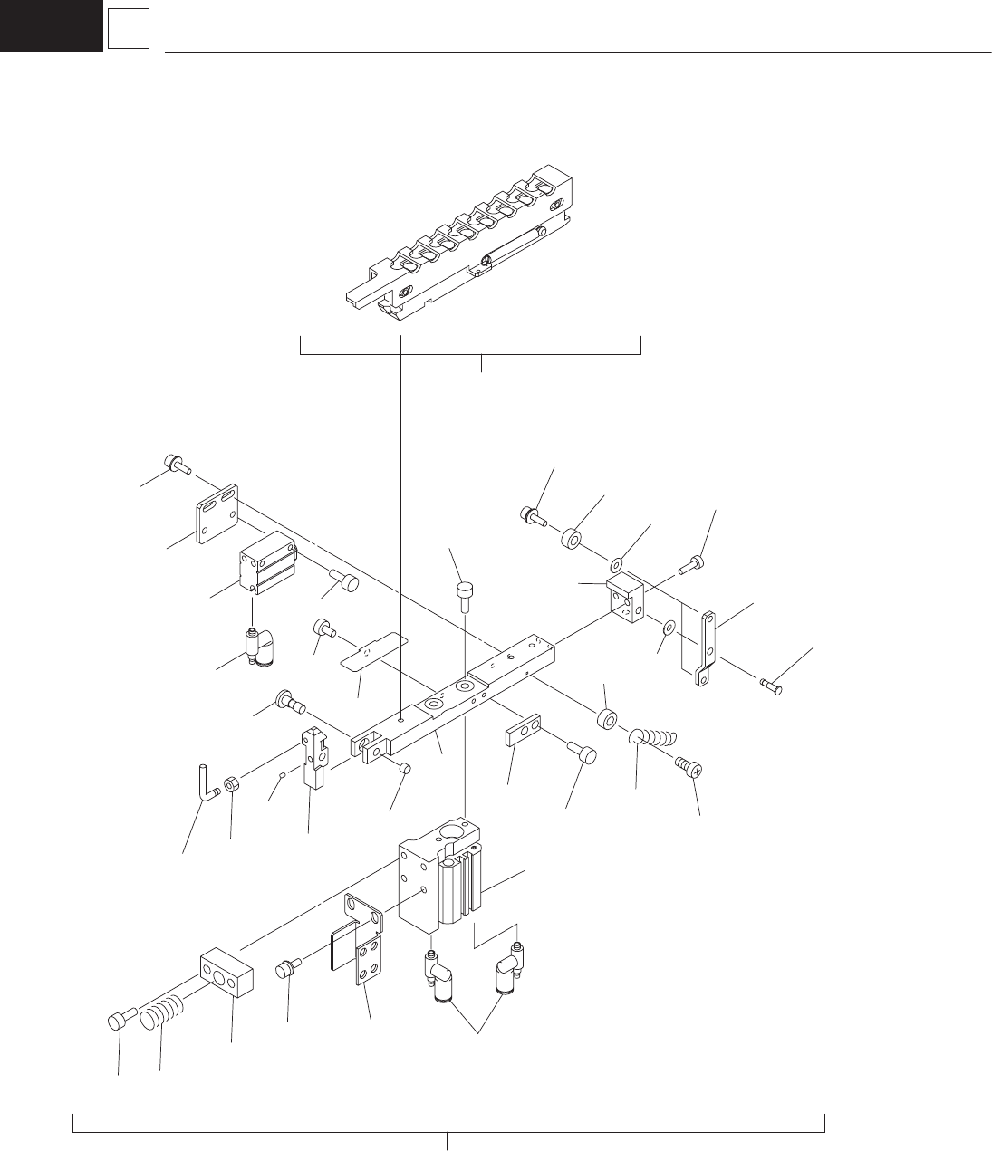
– 139 –
HIGH SPEED NOZZLE STOCKER
1907-005
No. Part No. Part Name Qty. Detail
100 KYA-M9601-00 ASSY_CYLINDER 1
101 KYA-M960X-00 CYLINDER 1
103 KYA-M9612-00 OC_CYLINDER 1
104 KYA-M9608-00 AIR LINE EQPT 2
105 KYA-M960U-00 GUIDE 1
106 KYA-M9613-00 S_BRACKET 1
107 KYA-M960V-00 LEVER 1
108 KYB-M962D-00 PIN_HINGE 1
109 90933-01J693 BEARING_RADIAL 2
110 KYB-M963F-00 SPRING_TENSION 1
111 KYB-M961W-00 BRACKET 1
112 KYA-M960W-00 SPRING_BRACKET 1
113 KYA-M961D-00 BUSH_BEARING 1
114 KYB-M963E-00 SPRING_COMP 1
115 KYA-M960K-00 BLOCK 1
116 KYB-M962J-00 LEVER 1
117 KYB-M9627-00 PIN_HINGE 1
118 KYA-M9611-00 BRACKET 1
119 KYA-M9610-00 BRACKET 1
120 KYA-M960J-00 STOCKER_UNDER 1
121 KYA-M9615-00 SPEED_CONTROLLER 1
125 91312-03016 BOLT,HEX.SOCKET HEAD 2
126 90112-2AJ010 BOLT,HEX.SOCKET HEAD 2
127 91312-04008 BOLT,HEX.SOCKET HEAD 4
128 92902-04200 WASHER,PLAIN 2
129 90990-02J019 SCREW,SET 2
130 92902-04600 WASHER,PLAIN 1
131 91312-03008 BOLT,HEX.SOCKET HEAD 2
132 92902-03100 WASHER,SPRING 4
133 92902-03600 WASHER,PLAIN 2
134 90166-02J208 SCREW,PAN HEAD 1
135 90990-15J013 NUT_HEXAGON 1
136 91312-03006 BOLT,HEX.SOCKET HEAD 4
137 91312-04014 BOLT,HEX.SOCKET HEAD 2
138 90189-02J2A6 NUT,HEXAGON 1
139 92902-03200 WASHER,PLAIN 2
140 91312-03004 BOLT,HEX.SOCKET HEAD 1
150 KYA-M9623-00 HIGH-SPEED STOCKER 1

