00198169-01 Technical Training TX-Series cn - 第173页
TX系列 技术培训 01/2016 11 控制和通信 11.1 通信概览 173 11 控制和通信 11.1 通信概览

10 电源
笔记页
TX系列 技术培训
01/2016
172

TX系列 技术培训
01/2016
11 控制和通信
11.1 通信概览
173
11 控制和通信
11.1 通信概览

11 控制和通信
11.2 贴片机通信总线概览
TX系列 技术培训
01/2016
174
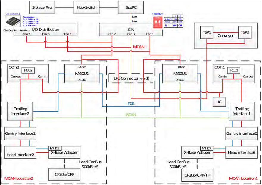
11.2 贴片机通信总线概览
TX贴片机使用三种不同的总线系统:
MCAN(贴片机CAN总线)
MCAN总线负责Box PC与贴片机各各部件之间的通信。
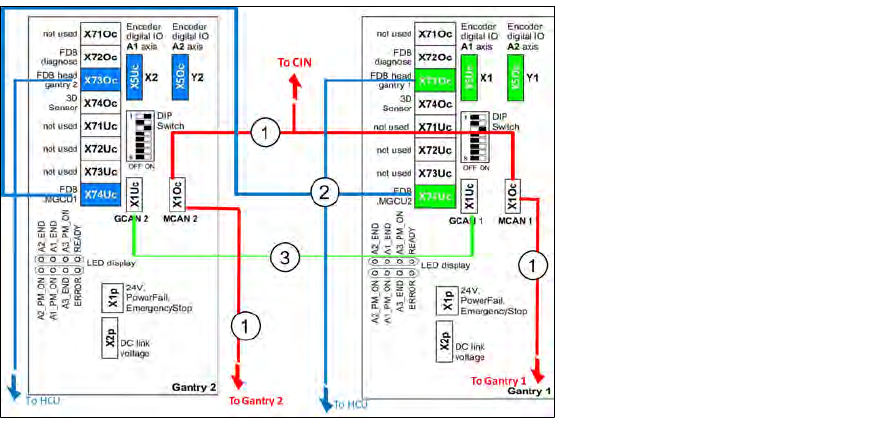
GCAN(悬臂CAN总线)
GCAN总线负责悬臂控制单元(MGCU)和贴片头控制单元(MHCU)(例如贴片头 CAN 诊断或 SIRIO
通信)之间的通信。
FDB GCU(快速驱动总线GCU)
快速驱动总线GCU直连一个贴片区域的两个GCU,其负责悬臂同步(防止发生碰撞)。
1. MCAN(贴片机CAN总线)
2. 快速驱动总线(FDB)
3. GCAN(悬臂CAN总线),至培
训接口 1/2
MCAN(贴片机CAN总线)
TX 贴片机配有三个独立的 CAN 总线环 (CAN1 / CAN2 /CAN3)。
CAN 总线的运行速度为 1 MBit/s。
CAN 接口 (CIN)(并非台式计算机的 CAN 卡)可用作连接至 BoxPC / SIRIO 的接口。