DF01-Rev02 - 第33页
- - REF.NO NOTE PAR T NO D E S C R I P T I O N Qty 1 4 01-24614 4G RING PAL ETTE A SSEM BLY 1 2 4 01-24615 5G RING PAL ETTE A SSEM BLY 1 3 4 01-24616 6G RING PAL ETTE A SSEM BLY 1 4 4 01-24581 PALET TE ASM 1 5 4 01-246…

- -
15. OPTION (HEATER)
2 4
2 4
2 5
2 7
2 8
2 6
3 5
3 6
3 2
3 3
A
A
3 1
3 7
3 8
3 4
2 9
3 9
3 0
1 5
1
D
D
B
B
6
7 9
1 0 1 3
1 4
1 6
1 7
1 8
1 9 2 2
2 3
C
C
5
2
3
4

- -
REF.NO NOTE PART NO D E S C R I P T I O N Qty
1 401-24614 4G RING PALETTE ASSEMBLY 1
2 401-24615 5G RING PALETTE ASSEMBLY 1
3 401-24616 6G RING PALETTE ASSEMBLY 1
4 401-24581 PALETTE ASM 1
5 401-24617 2INCHI T PALETTE ASSEMBLY 1
6 401-24618 4INCHI T PALETTE ASSEMBLY 1
7 401-24619 RUBBER TIP 1
8 401-23157 RUBBER TIP 1
9 401-24620 RUBBER TIP 1
10 401-23158 RUBBER TIP 1
11 401-24621 RUBBER TIP 1
12 401-24622 RUBBER TIP 1
13 401-24623 RUBBER TIP 1
14
#01
401-24554 NEEDLE 1
15 401-24580 CASSETTE ASM 1
16 401-24628 WAFER ALIGNMENT JIG 1
17 401-24629 LEVEL SET JIG PALETTE 1
18 401-24630 6 INCHI F RING PALETTE ASM 1
19 401-24631 4 INCHI GRIP RING 1
20 401-24632 5 INCHI GRIP RING 1
21 401-24633 6 INCHI GRIP RING 1
22 401-24634 8 INCHI GRIP RING 1
23 401-24627 GRIP RING REPAPER JIG ASM 1
24 - SCREW M2X3 2
25 401-24397 HEATER ASM 1
26 401-24272 HEATER CABLE SUPPORT 1
27 - BOLT M2X6 2
28 - WASHER M2 2
29 401-24271 THERMOCOUPLE CONNECTOR FIXED PLATE 1
30 401-24396 THERMOCOUPLE ASM 1
31 - SCREW M4X6 1
32 - BOLT M2X12 2
33 - WASHER M2 2
34 401-24494 TEMPERATURE CONTROL RELAY CABLE ASM 1
35 - BOLT M2X12 1
36 - WASHER M2 1
37 401-24398 SOLID STATE RELAY 1
38 401-24495 HEATER POWER CABLE ASM 1
39 401-24273 SW PANEL ASM HEATER OPTION 1

- -
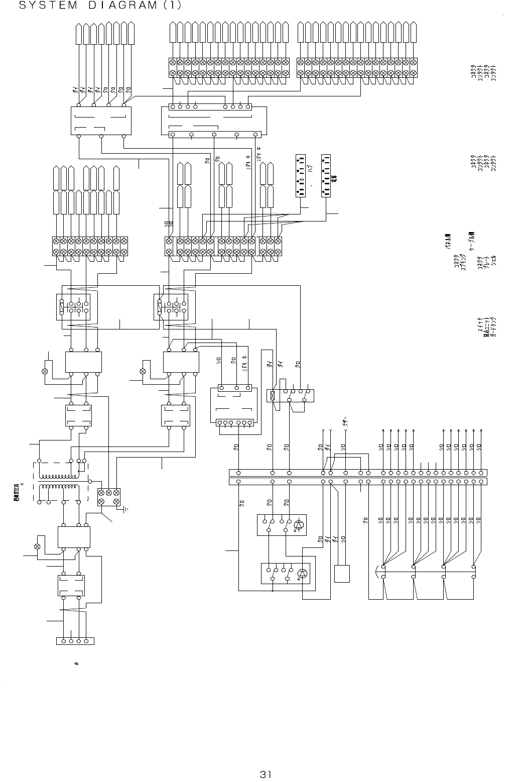
16.SYSTEM DIAGRAM (1)
1-11 1-12
2-21 2-22
2-11 2-12
1-21 1-22
1 0
2
6
9
1
5
1 41 3
COM
NO
NC
COM
NO
NC
COM
NO
NC
COM
NO
NC
L1
L2
L3
T2
T1
L1
L2
L3 T3
T2
T1
NF32-SV-2P-10A-F
N L 1
N A 2 51 7 T- 1 8-3
(to.7/18 A3)
(to.10/18 B3)
(to.13/18 B3)
(to.3/18 B7)
(to.4/18 C4)
BN- 8-2-OR
ZT E 1 6 0 11 8 - 611 4 2
NL 2
BN-8-2-OR
3
A C 20 0 V
C N 1
O U TI N
C B K1 NF 1
2
1
4
3
I N O U T
CB K 2
41
N F 2
U S - N 20
S S R 1
T B 1
3
1
2
4
L
P S 1
+ V
NCS-4 04-R
NF32-SV-2P-20A
NBC-20-472
F G FG
F G
10A-F
NF32-SV-2P-
NAC-1 6-472
32
F G F G
6
5
8
7
9
ACIN
N
14A
DC24V
- V
+ V
NL 3
BN-8 -1-OR
U S - N 20
S S R 2
10
ML-15 -1 0P
F G
PBA300F-24
- V
O U TI N
CB K 3
3
4
2
1
N F 3
T B 2
1
3
2
N A 251 7T -18 - 3
C N 1
L + V
ACI N
P S 2
C N 2
+ V
+ V
2
1
3
TB 3
O P C N1
LGA7 5A-24
C N 2
+ V
+ V
P S 3
NAC-16-472
L
ACIN
C N 1
F G F G
6
5
4
8
7
N
+ V
- V
4.3A
DC24V
5
6
7
8
4
S W 1
O N
S W 2
O F F
A W G 2 2
AW G 22
- V
+ V
- V
- V
3.2A
DC24V
R Y 1
A WG 2 2
F G
N
/
9
10
11
12
/
/
- V
- V
F G
- V
10
12
11
13
9
-L
-L
+
14
ML-15-14 P
13
S C 1 W C H 2 43 4 H
LGA100A-24
15
16
TB 4
1
14
A16L-JGM-24D -2
B Z
A16L-JRM-24D-2
A W G2 4 AW G 22
MY4 N-D2
S C 2 W C H 2 43 4 H
( L E D )
( P C U S B )
6
4
5
3
2
M 2 B J - B H 2 4 D - D
E M O
A W G2 4
11
9
10
8
7
16
15
14
13
12
ML-15 -16P
P C - E MR
S V D 1 -EM R
S V D 2 -EM R
S V D 5 -EM R
S V D 3 -EM R
AC200T7
AC200R7
AC200R6
AC200T6
FG4
AC(N)4
AC(L)4
6
5
1
2
1
3
4
3
5
8
7
6
5
4
3
2
1
5
4
3
2
2 5 2 5
S V D 6 -EM R
240V 200V
R
1
S
2
T
3
F G
4
220V
0V
200V
0V
100 V
A1 A2
AC200R1
AC200R3
AC200R5
AC200R4
AC200R2
24V- P
0V
AC200T1
AC200T3
AC200T5
AC200FG1
AC200T4
AC200T2
AC200FG2 0V24 P
24V- P
24V- P
0V24 P
24V- P
0V24 P
0V24 P
A1 A 2
AC(L) 1
AC(L) 3
AC(L)2
1
+24V
+24V
+24V
+24V
1 1
AC(N) 3
AC(N) 1 AC(N)2
+24V
+24V
+24V
+24V
0V24
2 2
FG1
FG3
FG2
0V24
0V24
0V24
0V24
0V24
3 3
0V24
0V24
+24V
+24V
9
7
8
9
7
8
0 V 2 4
+ 2 4 V
+24V
+24V
+24V
+24V
+24V
1 0
1 4
1 1
1 5
1 0
1 4
1 1
1 5
M T C 1 -EM R
+24V
0V24
0V24
0V24
0V24
1 2
1 8
1 7
1 6
1 3
1 2
1 8
1 7
1 6
1 3
M T C 3 -EM R
M T C 2 -EM R
S V D- EM R
0V24
0V24
0V24
0V24
2 3
2 2
2 1
2 0
1 9
2 3
2 2
2 1
2 0
1 9
2 4 2 4
S V D 4 -EM R
T3
1
2
3
4
5
6
7
8
9
1 0
1 1
1 2
1 3
1 4
1 5
1 6
1 7
1 8
1 9
2 0
2 1
2 2
2 3
BVH-21T-P1.1
PS 3 - C N 1 :VHR-5N (JST)
PS 3 - C N 2
:
:
:
BVH-21T-P1.1
VHR-6N (JST)VHR-8N (JST)
BVH-21T-P1. 1
:
:
:
PS 2- C N 2
VHR-5N (JST):PS 2- C N 1
BVH-21T-P1. 1
EMO
:A22-02
:A22Z-EG1
: A2 2 E - M - 02
:DB-25 PF-N(JAE)
O PC N 1
:D110277
:D110278
:DB-25SF- N( JAE)
:DB2 0962R