P-0293-004.pdf - 第22页
0801-002 49 48 71 47 46 44 46 45 48 49 41 2 3 4 22 5 21 9 52 ・ 60 ・ 56 23 52 ・ 60 ・ 56 10 1 54 ・ 61 ・ 57 52 ・ 60 ・ 56 51 ・ 59 55 ・ 62 ・ 58 14 BLOCK1 内が本体対応箇所です。 50 25 26 HS-G300L See Fig. HL-1 Key No.43 MS-G300L See Fig.…

0801-002
G -S052-08,09 G -S052-08,09
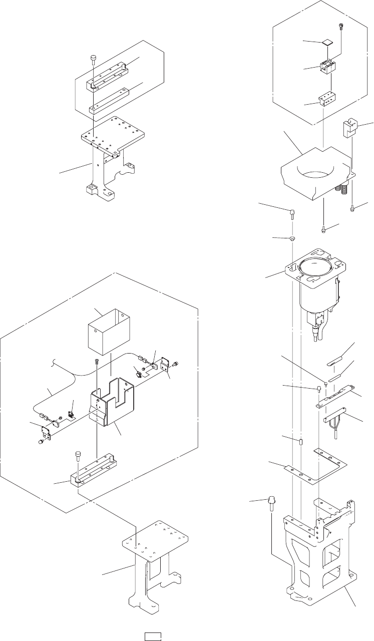
コプラナリティチェック
Main Machine Modifi
cation For
ユニット取付本体対応
Attaching Coplanarity Check Unit
UNIT
注)
イラストはGXH本体にコプラナリティチェックユニットを装着した
場合の、本体対応箇所を示しております。
架台上全体Fig.D
OVERALL UPPERFRAME
架台上全体部準備Fig.DX
OVERALL UPPERFRAME PREPARATION SECTION
Notice)The illustration shows the locations to be treated in the main unit when the
coplanarity check unit is mounted onto the GXH Main Machine.

0801-002
49
48
71
47
46
44
46
45
48
49
41
2
3
4
22
5
21
9
52
・
60
・
56
23
52
・
60
・
56
10
1
54
・
61
・
57
52
・
60
・
56
51
・
59
55
・
62
・
58
14
BLOCK1
内が本体対応箇所です。
50
25
26
HS-G300L
See Fig. HL-1
Key No.43
MS-G300L
See Fig. HF-1
Key No.29
The explanation in brackets is for the locations to be treated in the main machine.
D-1 illust-1
架台上全体
OVERALL UPPERFRAME
Fig. D-1
部品認識カメラ
1,4
Recognition Camera 1,4
(G -S052-08,Case:Block1) (G -S052-08,Case:Block1)

0801-002
53
61
57
13
8
7
6
1
2
3
22
52
.
.
.
.
.
.
.
.
.
.
.
60
56
55
62
58
4
5
14
51
59
52
60
56
21
10
23
9
54
61
57
BLOCK4
D-1 illust-2
架台上全体
OVERALL UPPERFRAME
Fig. D-1
部品認識カメラ
1,4
Recognition Camera 1,4
(G -S052-08,Case:Block1) (G -S052-08,Case:Block1)