N7201A706C00(1)NPM-WX engineer - 第83页
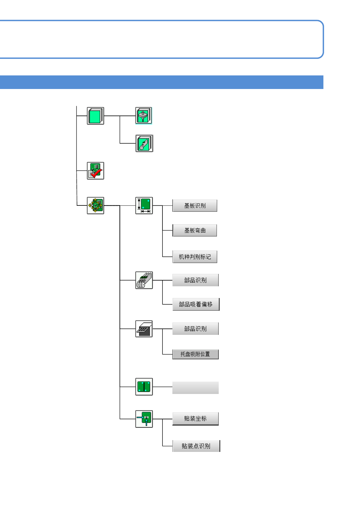
EJM9DC-MB-02C-00 NPM-W X/WXS 2-2-2 -6 ★带有标记的图标或按钮,是在搭载 了该选购件时才显示。 ★托盘 元件吸着位置动作,设定托盘吸着位 置。 确认元件识别动作,修改元件数据。 程序库 显示可以搭载的供料器程序库的数据 。 显示可以使用的吸嘴程序库的数据。 贴装吸嘴 供料器 确认数据 确认生产数据 示教 基板 供料器 确认基板识别动作,修改基板的识 别坐标。 确认机种判别标记识别动作。 ★确认基板弯曲…

EJM9DC-MB-02C-00
NPM-WX/WXS
贴装
确认、修改生产数据。
图案
各部位
名称
菜单构成 3
2-2-2
2-2-2-5
吸嘴存储器
显示吸嘴交换器的吸嘴信息。
软件开关
★带有标记的图标或按钮,是在搭载了该选购件时才显示。
★托盘
设定托板的状态。
输入、修改元件形状的数据。
供料器
基板
生产数据
菜单
修改
确认、修改基板数据。
确认、修改基板弯曲数据。
确认、修改基板识别数据。
★确认、修改支撑销(自动更换用)的
数据。
设定供料器的状态。
输入、修改元件形状的数据。
输入、修改贴装条件的数据。
确认、修改图案属性的数据。
确认、修改组属性的数据。
★确认转印条件。
确认设定运转条件的软件开关的设置
状态。
确认设备的通信开关的设定状态。
对工作台所使用的元件形状数据进行
确认。
对托盘尺寸及间距等的与托盘有关的
数据进行输入、修正。
工程师模式 3

EJM9DC-MB-02C-00
NPM-WX/WXS
2-2-2-6
★带有标记的图标或按钮,是在搭载了该选购件时才显示。
★托盘
元件吸着位置动作,设定托盘吸着位
置。
确认元件识别动作,修改元件数据。
程序库
显示可以搭载的供料器程序库的数据。
显示可以使用的吸嘴程序库的数据。
贴装吸嘴
供料器
确认数据
确认生产数据
示教
基板
供料器
确认基板识别动作,修改基板的识
别坐标。
确认机种判别标记识别动作。
★确认基板弯曲动作,并修改测量点
数据。
元件吸着位置动作,设定吸着偏移量。
确认元件识别动作,修改元件数据。
贴装
图案属性
确认基板的贴装状态,确认为了修改
贴装偏移的条件。
确认不良标记识别动作,修改不良标
记坐标。
以贴装点单位选择条件贴装时的贴装
对象。
不良标记

EJM9DC-MB-02C-00
NPM-WX/WXS
2-2-2-7
各部位
名称
菜单构成 4
2-2-2
★带有标记的图标或按钮,是在搭载了该选购件时才显示。
★托盘
全体
贴装头
调整
机器菜单
输入的地址以BIT(比特)单位显示。
输出的地址以BIT(比特)单位显示。
进行全轴的原点复位。
确认控制机器全轴的现在位置和状态。
更换吸嘴。
通过贴装头动作确认设备是否正常。
确认真空泵的状态,使各泵单独动作。
传送带
任意调整传送带宽度。
进行基板传送动作。
★切换调整轨道。
供料器
确认设置在设备上的供料器动作。
显示设置在设备上的供料器信息。
对托盘单元的动作进行确认。
工程师模式 4