部品手册2N7203A389B03 - 第146页
挿入ヘッド部 (カム(2 P)) INSERTION H EAD SECT. (CAM(2P)) 7 FN610130682AA_00 M115

PART No.
イラスト
No.
REF
No.
PART NAME
REMARKS
Q'TY
7
挿入ヘッド部(挿入動力部6)
INSERTION HEAD SECT.(INSERTION POWER SECT.-6)
部 品 名 品 番 個数
備 考
R
1
R
2
1025 X02G45121
COLLAR カラー
1
026 X02G45122
COLLAR カラー
1
027 X02G45123
SHAFT シャフト
1033 X02G45133
PLATE フ
゚レート
1034 X02G45134
COLLAR カラー
1
035 N210150042AA
LEVER レバー
1
036 N210145711AA
LEVER レバー
7056 N210048696AA
WASHER ワッシャ
3058 N210084980AA
COLLAR カラ
-
5
060 X01A45069
COLLAR カラー
1061 X01A45071
COLLAR カラー
1062 N210154471AA
LEVER レハ
゙ー
1
063 X01A45081
COLLAR カラー
1
064 N210145712AA
LEVER レバー
1065 N210092185AA
LEVER レバー
1066 X01A45089
COLLAR カラー
1
077 N210145713AA
PIN ピン
1
078 N210145714AA
PIN ピン
87FWSSM-D13.0-V8.0-T2
1
N007
N510038168AA
WASHER ワッシャ
87WASMH30-8
1
N014
N510027896AA
WASHER ワッシャ
87FWSSM-D20.0-V12.0-T
3
N015
N510057551AA
WASHER ワッシャ
87FWSSM-D15.0-V8.0-T3
1
N016
N510038169AA
WASHER ワッシャ
CFN6R-A
2
N024
N531CFN6RA
CAM FOLLOWER カムフォロア
CFN12R-A
3
N031
N531CFN12RA
CAM FOLLOWER カムフォロア
6905ZZ
10
N032
KXF06P1AA00
BEARING ベアリング
CFN8R-A
4
N033
N531CFN8RA
CAM FOLLOWER カムフォロア
P0S5L
1
N039
N533P0S5L
ROD END ロット
゙エンド
M5,1-TYPE,STEEL,Z.C.T
1
N040
N510018945AA
HEXAGON NUT ロッカクナット
P0S5
1
N041
N533P0S5
ROD END ロッドエンド
F696ZZIMC3PS2S
7
N047
N510020363AA
BEARING ベアリング
87LBMFN5-60
1
N052
N510038166AA
ROD ロット
゙
87FWSSM-D9.0-V6.0-T2.
1
N060
N510057552AA
WASHER ワッシャ
87FWSSM-D9.0-V6.0-T4.
1
N061
N510057554AA
WASHER ワッシャ
M5X12-10.9 A2J (Triva
3
X508
N510017390AA
HEX. SOCKET HEAD CAP BOLT ロッカクアナツキボルト
M5X20-10.9 A2J (Triva
1
X510
N510017398AA
HEX. SOCKET HEAD CAP BOLT ロッカクアナツキホ
゙ルト
M6X20-10.9 A2J (Triva
3
X513
N510017435AA
HEX. SOCKET HEAD CAP BOLT ロッカクアナツキボルト
M8X16-10.9 A2J (Triva
2
X515
N510017470AA
HEX. SOCKET HEAD CAP BOLT ロッカクアナツキボルト
5 10H A2J (Trivalent)
5
X563
N510018499AA
ROUND PLAIN WASHER ミカ
゙キマルヒラザガネ
6 10H A2J (Trivalent)
2
X564
N510018501AA
ROUND PLAIN WASHER ミガキマルヒラサ
゙ガネ
M6-6H-4T A2J (Trivale
4
X594
N510017867AA
HEXAGON NUT ロッカクナット
M5X25-10.9 A2J (Triva
1
X623
N510017399AA
HEX. SOCKET HEAD CAP BOLT ロッカクアナツキボルト
M4X5-45H A2J (Trivale
2
X709
N510018372AA
HEX. SOCKET SET SCREW ロッカクアナツキトメネシ
゙
M114
FN610129985AA_05-6

挿入ヘッド部(カム(2P))
INSERTION HEAD SECT.(CAM(2P))
7
FN610130682AA_00
M115

PART No.
イラスト
No.
REF
No.
PART NAME
REMARKS
Q'TY
7
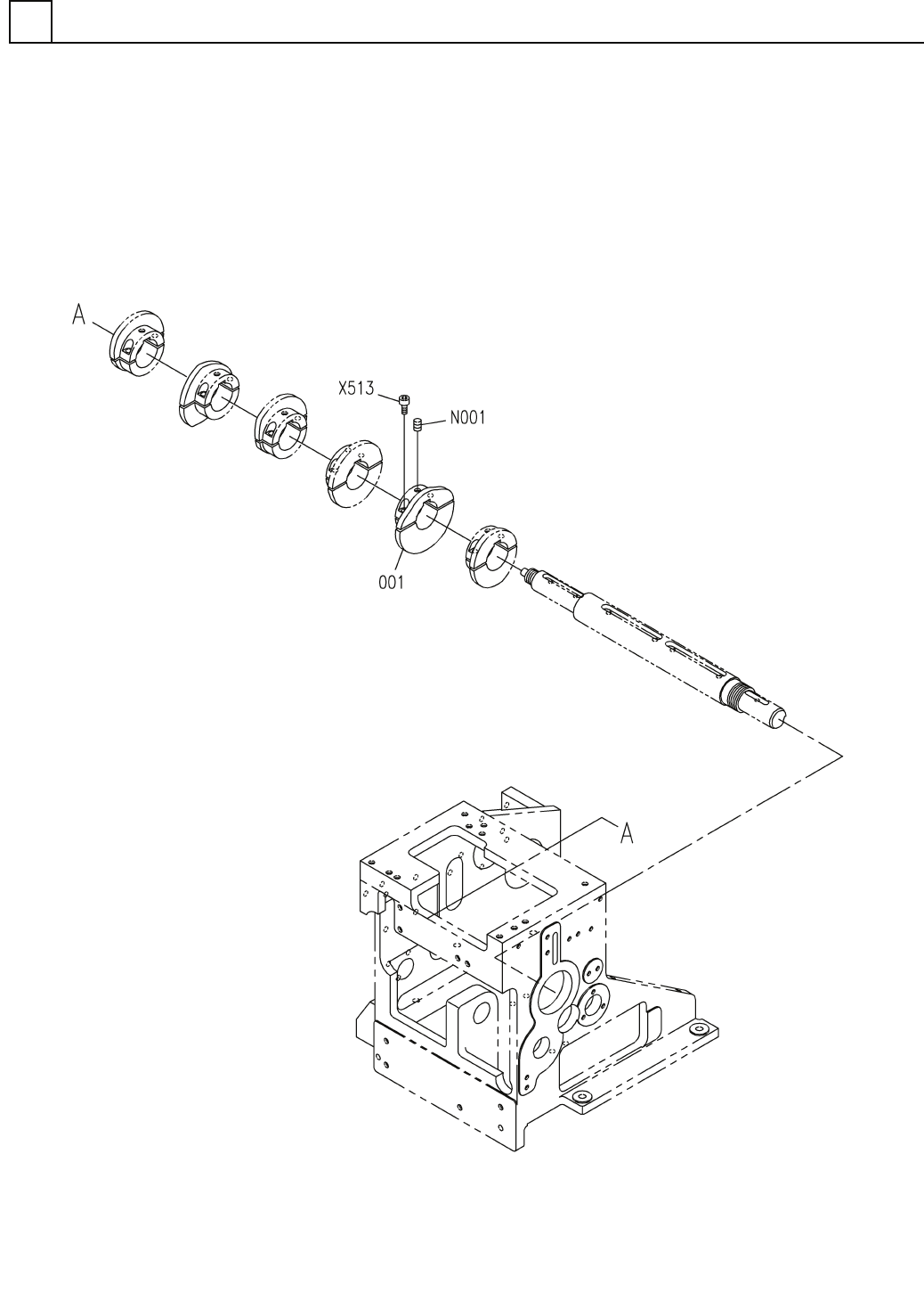
挿入ヘッド部(カム(2P))
INSERTION HEAD SECT.(CAM(2P))
部 品 名 品 番 個数
備 考
R
1
R
2
1 N610130682AA
INSERTION HEAD UNIT ソウニュウヘット
゙ユニット
1
001 N210145220AA
CAM カム
M8X10 45H A2J (Trival
1
N001
N510018388AA
HEX. SOCKET SET SCREW ロッカクアナツキトメネジ
M6X20-10.9 A2J (Triva
2
X513
N510017435AA
HEX. SOCKET HEAD CAP BOLT ロッカクアナツキホ
゙ルト
M116
FN610130682AA_00