部品手册2N7203A389B03 - 第150页
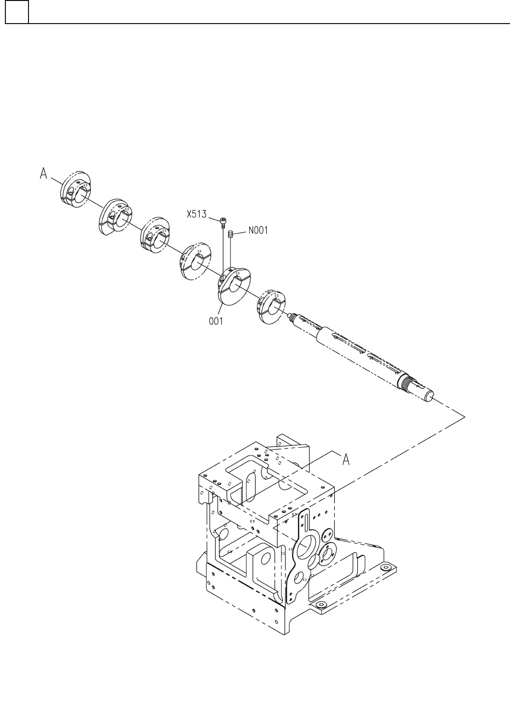
挿入ヘッド部 (カム(4 P)) INSERTION H EAD SECT. (CAM(4P)) 7 FN610130684AA_00 M119

PART No.
イラスト
No.
REF
No.
PART NAME
REMARKS
Q'TY
7
挿入ヘッド部(カム(3P))
INSERTION HEAD SECT.(CAM(3P))
部 品 名 品 番 個数
備 考
R
1
R
2
1 N610130683AA
INSERTION HEAD UNIT ソウニュウヘット
゙ユニット
1
001 N210145759AB
CAM カム
M8X10 45H A2J (Trival
1
N001
N510018388AA
HEX. SOCKET SET SCREW ロッカクアナツキトメネジ
M6X20-10.9 A2J (Triva
2
X513
N510017435AA
HEX. SOCKET HEAD CAP BOLT ロッカクアナツキホ
゙ルト
M118
FN610130683AA_00

挿入ヘッド部(カム(4P))
INSERTION HEAD SECT.(CAM(4P))
7
FN610130684AA_00
M119

PART No.
イラスト
No.
REF
No.
PART NAME
REMARKS
Q'TY
7
挿入ヘッド部(カム(4P))
INSERTION HEAD SECT.(CAM(4P))
部 品 名 品 番 個数
備 考
R
1
R
2
1 N610130684AA
INSERTION HEAD UNIT ソウニュウヘット
゙ユニット
1
001 N210145760AA
CAM カム
M8X10 45H A2J (Trival
1
N001
N510018388AA
HEX. SOCKET SET SCREW ロッカクアナツキトメネジ
M6X20-10.9 A2J (Triva
2
X513
N510017435AA
HEX. SOCKET HEAD CAP BOLT ロッカクアナツキホ
゙ルト
M120
FN610130684AA_00