部品手册2N7203A389B03 - 第153页
PART No. イラスト No. REF No. PAR T NAME REMARKS Q'TY 7 挿入ヘッド部 (パレット開 閉部1) INSERTION H EAD SECT. (PALLET OPEN & SHUT SE CT.-1) 部 品 名 品 番 個数 備 考 R 1 R 2 1 N610074668AA INSERTION HEA D UNIT ソウニュウヘット ゙ユニット 1 001 X02G…

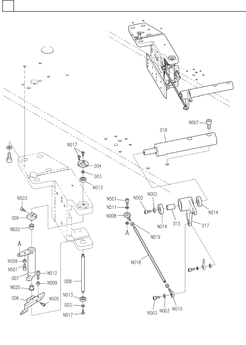
挿入ヘッド部(パレット開閉部1)
INSERTION HEAD SECT.(PALLET OPEN & SHUT SECT.-1)
7
FN610074668AA_03-1
M121

PART No.
イラスト
No.
REF
No.
PART NAME
REMARKS
Q'TY
7
挿入ヘッド部(パレット開閉部1)
INSERTION HEAD SECT.(PALLET OPEN & SHUT SECT.-1)
部 品 名 品 番 個数
備 考
R
1
R
2
1 N610074668AA
INSERTION HEAD UNIT ソウニュウヘット
゙ユニット
1
001 X02G46001
BRACKET ブラケット
1
002 N210088839AC
GUIDE ガイド
1005 X02G46103
BRACKET(CYLINDER) ブ
ラケット(シリンダ)
1011 X01A46032
PIN ヒ
゚ン
1
012 N210087083AC
BRACKET ブラケット
1
013 N210088835AA
BLOCK ブロック
1014 X01A46014
BRACKET フ
゙ラケット
1016 X01A46029
PIN ヒ
゚ン
Thick washer for M8
6
N001
N510020102AA
WASHER ザガネ
6667
1
N006
N9866667
SPRING バネ
CDJ2B16-15
1
N007
N401CDJ2-C51
CYLINDER シリンタ
゙
6,STEEL,P.C
1
N011
XUB6FP
RETAINING RING C-TYPE,SHAFT C ガタジクヨウトメワ
8,STEEL,P.C
1
N012
XUB8FP
RETAINING RING C-TYPE C ガタジクヨウトメワ
MMS6-10
2
N015
N510020617AA
PIN ピン
MMS8-15
2
N016
N510020629AA
PIN ヒ
゚ン
AS1201F-M5-06
2
N021
KXF00YNAA00
SPEED CONTROLLER スピードコントローラ
5X10,m6A,STEEL
2
N022
XPJ5A10FW
PARALLEL PIN ヘイコウピン
M4X16-10.9 A2J (Triva
1
N503
N510017351AA
HEX. SOCKET HEAD CAP BOLT ロッカクアナツキボルト
M5X18-10.9 AJ2 (Triva
4
N504
N510017397AA
HEX. SOCKET HEAD CAP BOLT ロッカクアナツキホ
゙ルト
M8X25-10.9 A2J (Triva
2
N506
N510017473AA
HEX. SOCKET HEAD CAP BOLT ロッカクアナツキボルト
M8X30-10.9 A2J (Triva
4
N507
N510017475AA
HEX. SOCKET HEAD CAP BOLT ロッカクアナツキボルト
M5X35-10.9 A2J (Triva
1
N508
N510017403AA
HEX. SOCKET HEAD CAP BOLT ロッカクアナツキホ
゙ルト
M4-6H-4T A2J (Trivale
1
N509
N510017859AA
HEXAGON NUT ロッカクナット
M5-6H-4T A2J (Trivale
1
N510
N510017862AA
HEXAGON NUT ロッカクナット
M122
FN610074668AA_03-1

挿入ヘッド部(パレット開閉部2)
INSERTION HEAD SECT.(PALLET OPEN & SHUT SECT.-2)
7
FN610074668AA_03-2
M123